
| 型式 | PS-888 | PS-888L | PS-888-TRI |
|---|---|---|---|
| モデル名 | プローバー装置用顕微鏡 | レーザーカッター用顕微鏡 | サイドポート3波長結像 |
| 鏡筒タイプ | 可視光 | 近赤外~近紫外対応 | 近赤外~近紫外対応 |
| 正立3眼ヘッド部:目幅調整 正立3眼ヘッド部:視野 正立3眼ヘッド部:光軸 | ジーデントップタイプ 50-75mm調節可 23mm T:R70:30同時観察 | ジーデントップタイプ 50-75mm調節可 23mm 0:100/100:0 光路切替式 | ジーデントップタイプ 50-75mm調節可 23mm 0:100/100:0 光路切替式 |
| 本体:結像レンズ | 1×(486-656)nm 2×(486-656)nm ターレット切替式 | 1×(355-532)nm 1×(532-1064)nm 2×(486-656)nm…レーザー加工不可 ターレット切替式 | 1×(355-532)nm 1×(532-1064)nm 2×(486-656)nm…レーザー加工不可 ターレット切替式 |
| 本体:レーザー | - | YAGレーザー(第1、第2、第3高調波) | YAGレーザー(第1、第2、第3高調波) |
| マウント | C-マウント | レーザーマウント(N/W) | C-マウント/レーザーマウント(N/W) |
| 同軸落射照明 | 明視野ケーラー照明 開口絞り付き | 明視野ケーラー照明 開口絞り付き | 明視野ケーラー照明 開口絞り付き |
| レボルバー | 内向き回転型明視野用 レボルバー(4穴)各穴調芯・同焦補正機能付 | 内向き回転型明視野用 レボルバー(4穴)各穴調芯・同焦補正機能付 | 内向き回転型明視野用 レボルバー(4穴)各穴調芯・同焦補正機能付 |
| 対物レンズ | 無限遠補正対物レンズ(M.PlanAPOレンズ) | 無限遠補正対物レンズ(M.PlanAPOレンズ) | 無限遠補正対物レンズ(M.PlanAPOレンズ) |
| 重量 | 7kg以下 | 7.5kg以下 | - |
| フォーカスユニット:耐加重 | 45kg | 45kg | 45kg |
| フォーカスユニット:操作 | 粗動:1回転/4mm、微動:1回転/0.1mm 手動1軸粗微動 | 粗動:1回転/4mm、微動:1回転/0.1mm 手動1軸粗微動 | 粗動 4mm/rev 微動 0.1mm/rev |
| フォーカスユニット:ストローク | ±25mm | ±25mm | 50mm |
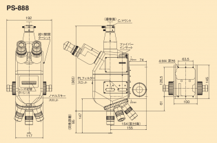
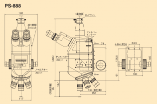
| 外形寸法 | 192(W)×352(D)×365(H)mm | 192(W)×352(D)×365(H)mm | - |
| オプション | 型式 |
|---|---|
| カメラアダプター | LCA-1 |
| ハロゲン光源 LED光源 ライトガイド | FA-100C/FA-150EN SLBX-15AS SL-B5シリーズ |
| 電動レボルバー | 45°/水平式 |
| 偏光フィルタ | PL-2 |
| カラーフィルタ | FC-R FC-G FC-B FC-Y |
| 接眼レンズ | ②-888 FWF10XDA ③-888 WF15X ④-888 WF20X |
| 対物レンズ | M.PlanAPO2.5X M.PlanAPO5XSB M.PlanAPO10XSB M.PlanAPO20XSB M.PlanAPO50XSBS M.PlanAPO100XSBS |
| スタンド | STD-67 |
| カタログ | 2018Catalog_P30 P31.pdf |
|---|