
| 型式 | SLBX-15AS |
|---|---|
| 定格入力電圧 | AC100~240V |
| 定格入力周波数 | 50/60Hz |
| 消費電力 | 20W |
| LED発光色 | 白色 |
| 照度 | ※平均照度:600,000lx |
| LED寿命 | 30,000H |
| 調光制御 | マニュアル:前面調光ボリュームによる連続調光 リモート:アナログ入力電圧 DC0V-+5V |
| 機能スイッチ | マニュアル/リモート切替:背面 |
| 保護機能 | 過電流保護回路(ヒューズ) |
| 冷却方法 | 強制ファン冷却 |
| 使用温度/湿度 | 0℃~+40℃/20%~80%RH(ただし結露無し) |
| 外形寸法 | W78×H144×D200mm(突起部除く寸法) |
| 重量 | 2kg |
| ※照度は実験値であり、保証値ではありません。 LED寿命は使用環境温度により異なります。保証値ではありません。 |
| カタログ | 2024照明機器_P52 |
|---|

| 型式 | SLBX-80H | SLBX-125H | SLBX-150H |
|---|---|---|---|
| 定格入力電圧 | AC100~240V±10% | DC24V (ACアダプター入力:AC100~240V) | |
| 定格入力周波数 | 50/60Hz | ||
| 消費電力 | 80W | 125W | 150W |
| LED発光色 | 白色 | ||
| 照度 ※1 | 1,400,000lx | 1,800,000lx | 2,700,000lx |
| LED寿命 ※2 | 約30,000H | ||
| 調光制御 | マニュアル:光量調節ボリュームによる連続調光 外部調光:8bitデジタル,RS-232C,LAN | マニュアル:光量調節ボリュームによる連続調光 外部調光:アナログ0-5V,10bitデジタル,RS-232C,LAN | |
| 冷却方法 | 強制ファン冷却 | ||
| 使用温度/湿度 | 0℃~40℃/20%~80%RH(ただし結露無し) | ||
| 外形寸法 | W120×H155×D265mm(突起部除く寸法) | W120×H155×D315mm(突起部除く寸法) | W110×H145×D185mm(突起部除く寸法) |
| 重量 | 4kg | 4.6kg | 2.8kg |
| ※1 | 結束径φ11㎜長さ500㎜のライトガイドを使用し、出射端から50㎜離れた位置での参考照度です。 | ||
| ※2 | 使用環境により異なります。 保証値ではありません。 | ||
| カタログ | 2024照明機器_P52 |
|---|

| 型式 | SIS-150-NIR | SIS-150-AIR |
|---|---|---|
| 定格入力電圧 | AC100~240V | AC100~240V |
| 定格入力周波数 | 50/60Hz | 50/60Hz |
| 点灯方式 | 直流点灯方式 | 直流点灯方式 |
| 光量調節 | 出力電圧可変式 電圧可変範囲:DC2V~15V 光量可変範囲:0.1%~100% | 出力電圧可変式 電圧可変範囲:DC2V~15V 光量可変範囲:0.1%~100% |
| 保護機能 | 過電流保護回路(電源再投入により復帰) 過昇温保護回路(自動復帰) | 過電流保護回路(電源再投入により復帰) 過昇温保護回路(自動復帰) |
| 冷却方式 | 強制ファン冷却 | 強制ファン冷却 |
| 使用温度/湿度 | 0℃~40℃/20%~80%RH(ただし結露なし) | 0℃~40℃/20%~80%RH(ただし結露なし) |
| 機能 | ランプ切れ信号出力:オープンコレクタ・エミッタ アナログ信号電圧調光:DC0~5V入力 リモートランプON/OFF:DC5V印加によりOFF | ランプ切れ信号出力:オープンコレクタ・エミッタ アナログ信号電圧調光:DC0~5V入力 リモートランプON/OFF:DC5V印加によりOFF |
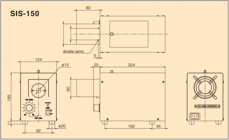
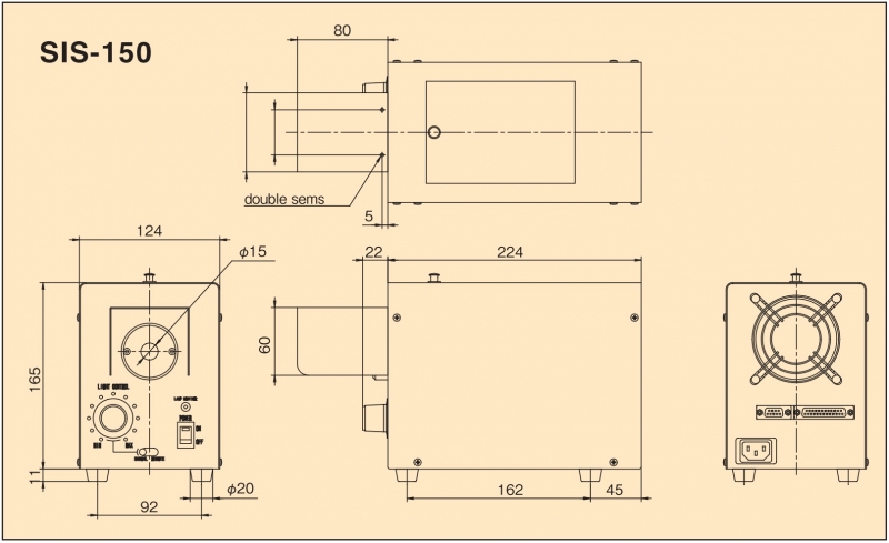
| 外形寸法 | W124×H165×D224mm(突起部除く寸法) | W124×H165×D224mm(突起部除く寸法) |
| 重量 | 約2.7kg | 約2.7kg |
| 照射波長 | 400~1100nm | 400~1700nm |
| ピーク波長 | 800nm | 1000nm |
| ライトガイド | 標準仕様 | 要専用耐熱ライトガイド |
| 専用耐熱ライトガイド | SLG-B6.2-****-UHR (ストレート) | DLG-B6.2-****-UHR (2分岐) |
|---|---|---|
| バンドル径(mm) | φ6.2 | φ6.2 |
| 最小曲R(mm) | R40 | R40 |
| L寸法(mm) | 1000 | 1000 |
| L寸法(mm) | 2000 | 2000 |
| L寸法(mm) | 3000 | 3000 |
| カタログ | 2024照明機器_P53 |
|---|