
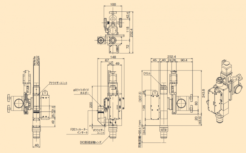
| Model | AFC-300CL |
|---|---|
| Camera Interface | Base 4taps / 2taps in SDR / out SDR |
| Camera Power Supply | PoCL Support |
| Focus Speed | 0.3 - 1.0 sec depends on setting |
| Focus Accuracy | less 1/3 Focal depth of objective lens |
| Motor | Stepping / Servo |
| Motor Driver | None |
| Output Frequency | Max 3MHz |
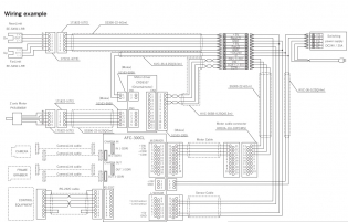
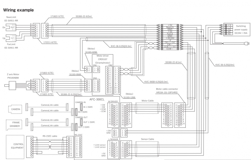
| Control | RS-232C / I/O |
| Power Supply | DC24C/1,2A |
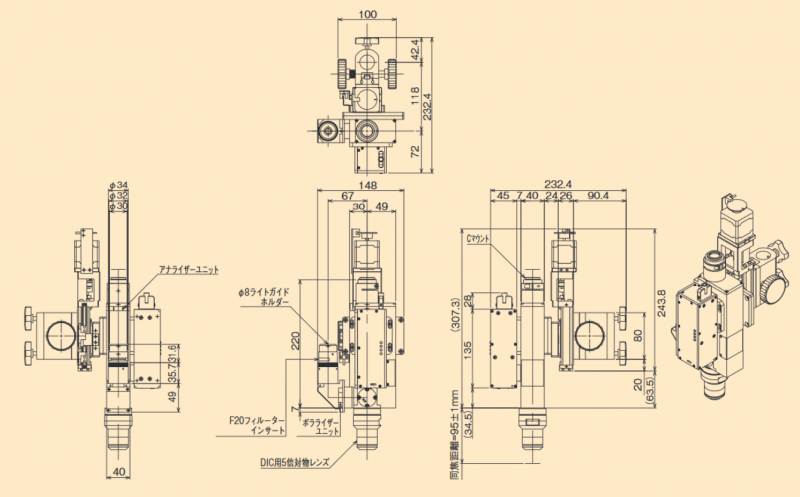
| Dimension (mm) | 230(W)x145(D)x62(H) |
| Weight | Approx1kg |
| Accessories | Control software |
| Supported OS | Windows 10 later 32bit & 64bit |
| Monitor | 1024 x 768 over |

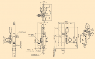
| 型式 | LAF5S-C |
|---|---|
| タイプ | 半導体レーザー |
| 半導体レーザー | 670nm |
| 安全規格 | クラス3R |
| サンプリングレート | 最大5kHz |
| 位置決め時間 | 外部トリガー式:0.2sec トラッキング式:0sec |
| カタログ | 2018Catalog_P86 |
|---|