
| 型式 | MSZ-0745-DET | MSZ-0745-DET-INF | MSZ-0745D-DET | MSZ-0745D-DET-INF | MS-501S |
|---|---|---|---|---|---|
| 倍率 | 0.7X-4.5X | 0.7X-4.5X | 0.7X-4.5X | 0.7X-4.5X | 0.7X-4.5X |
| 同軸照明 | - | - | ○ | ○ | - |
| 作動距離 | 92.3mm | 92.3mm | 92.3mm | 92.3mm | 90mm |
| 被写界深度 | 1.8mm-0.13mm | 1.8mm-0.13mm | 1.8mm-0.13mm | 1.8mm-0.13mm | 1.8mm-0.13mm |
| ディストーション | 0.50-0.10% | 0.50-0.10% | 0.50%-0.10% | 0.50%-0.10% | 0.50%-0.10% |
| 中心解像力 | 86LP/mm-204LP/mm | 86LP/mm-204LP/mm | 86LP/mm-204LP/mm | 86LP/mm-204LP/mm | 86LP/mm-204LP/mm |
| 分解能 | 11.6μm-4.9μm | 11.6μm-4.9μm | 11.6μm-4.9μm | 11.6μm-4.9μm | 11.6μm-4.9μm |
| N.A. | 0.029-0.069 | 0.029-0.069 | 0.029-0.069 | 0.029-0.069 | 0.029-0.069 |
| 実効F | 12.8-32.6 | 12.8-32.6 | 12.8-32.6 | 12.8-32.6 | 12.8-32.6 |
| マウント | Cマウント | Cマウント | Cマウント | Cマウント | Cマウント |
| 対応デバイスサイズ | 1/2インチ以下 | 1/2インチ以下 | 1/2インチ以下 | 1/2インチ以下 | 2/3インチ以下 |
| ディテントクリック | ○ | ○ | ○ | ○ | - |
| 付属品 | 0.89mm六角レンチ | 0.89mm六角レンチ | 0.89mm六角レンチ | 0.89mm六角レンチ | 0.89mm六角レンチ |
| 重量 | 440g | 470g | 470g | 500g | 385g |
| カタログ | 2024Catalog_P18.pdf |
|---|---|
| 外観図DXF | |
| 外観図3D |

| 型式 | FXZ-2855 | MS-05536Z-D | MSZ-03722LWD-DET |
|---|---|---|---|
| 倍率 | 0.275X-0.55X | 0.55X-3.6X | 0.37X-2.23X |
| 同軸照明 | - | ○ | ○ |
| 作動距離 | 150mm | 263.5mm | 195mm |
| 被写界深度 | 5.04mm-1.48mm | 1.82mm-0.24mm | 9.99mm-0.6mm |
| 分解能 | 13.6μm-8.1μm | 27.3μm-9.9μm | 23μm-9.3μm |
| N.A. | 0.0245-0.0414 | 0.012-0.034 | 0.04-0.043 |
| ディストーション | <0.001% | 0.22%-0.18% | 0.79%-0.26% |
| 実効F | 5.6-6.6 | 40.7-14.8 | 17.1-37.6 |
| 物体側テレセントリック | ○ | - | - |
| マウント | Cマウント | Cマウント | Cマウント |
| 対応デバイスサイズ | 1インチ以下 | 2/3インチ以下 | 1/2インチ以下 |
| ディテントクリック | - | - | ○ |
| 付属品 | - | 0.89mm六角レンチ | 0.89mm六角レンチ |
| 重量 | 700g | 620g | 680g |
| カタログ | 2024Catalog_P19.pdf |
|---|---|
| 外観図DXF | |
| 外観図3D |
※分解能は参考値として波長550nmにおけるNAから算出した中心での理論分解能として記載しております。

| 型式 | MS-501 | MS-507 | MS-502-F40 |
|---|---|---|---|
| 倍率 | 0.75X-4.5X | 0.75X-4.5X | 0.75X-4.5X |
| 作動距離 | 90mm | 90mm | 90mm |
| 被写界深度 | 1.8mm-129μm | 1.8mm-129μm | 1.8mm-129μm |
| ディストーション | 0.5%-0.1% | 0.5%-0.1% | 0.5%-0.1% |
| 解像力 | 86LP/mm-204LP/mm | 86LP/mm-204LP/mm | 86LP/mm-204LP/mm |
| 分解能 | 11.6μm-4.9μm | 11.6μm-4.9μm | 11.6μm-4.9μm |
| N.A. | 0.029-0.069 | 0.029-0.069 | 0.029-0.069 |
| 実効F | 12.8-32.6 | 12.8-32.6 | 12.8-32.6 |
| 同軸照明有効範囲 | 0.75X~4.5X | 0.75X~4.5X | 1.8X~4.5X 1.8倍以下では視野の四隅に照明のケレラが生じます。透過照明・斜光照明の場合は0.75X からご使用いただけます。 |
| 接眼視野数(10X) | Ф25.3mm-Ф4.2mm | Ф25.3mm-Ф4.2mm | Ф25.3mm-Ф4.2mm |
| マウント | Cマウント | Cマウント | Cマウント |
| 対応デバイスサイズ | 2/3インチ以下 | 2/3インチ以下 | 2/3インチ以下 |
| 重量 | 400g | 550g | 800g |
| 付属品 | 0.89mm六角レンチ 1個 | 0.89mm六角レンチ 1個 | 0.89mm六角レンチ 1個 /フロストフィルター F20-W |
| カタログ | 2018Catalog_P20.pdf |
|---|---|
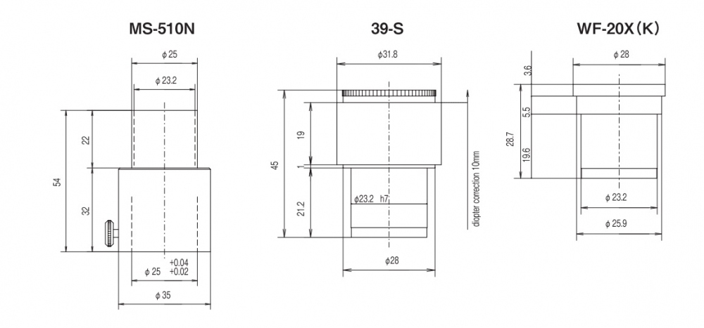
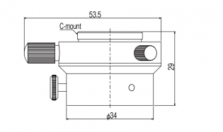
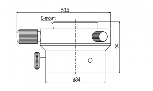
| 外観図3D |

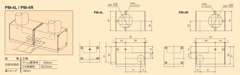
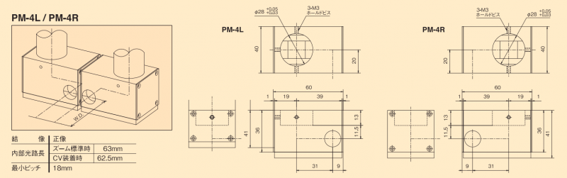
| 型式 | PM未装着時のWD | PM-2 | PM-3 | PM-5 | PM-4R | PM-4L |
|---|---|---|---|---|---|---|
| 片側ピッチ | - | 10mm | 8.5mm | 5mm | 9mm | 9mm |
| 標準時 | 90mm | 55mm | 41.5mm | 42mm | 27mm | 27mm |
| CV-025装着時 | 300mm | - | - | - | - | - |
| CV-05装着時 | 180mm | 151.5mm | 138mm | 138.5mm | 117.5mm | 117.5mm |
| CV-075装着時 | 120mm | 91.5mm | 78mm | 78.5mm | 57.5mm | 57.5mm |
| CV-15装着時 | 54mm | 25.5mm | 12mm | 12.5mm | - | - |
| CV-20装着時 | 36mm | 7.5mm | - | - | - | - |
| 型式 | PM-2 | PM-3 | PM-5 | PM-4R/L |
|---|---|---|---|---|
| 内部光路長 | 35mm | 48.5mm | 48mm | 63mm |
| CV取付時内部光路長 | 28.5mm | 42mm | 41.5mm | 62.5mm |
| 重量 | 73g | 132g | 110g | 185g |
| カタログ | 2024Catalog_P21.pdf |
|---|---|
| 外観図3D |

| 形式 | CV-025 | CV-04 | CV-05 | CV-075 | CV-15 | CV-20 | CV-30 |
|---|---|---|---|---|---|---|---|
| 補助レンズ | 0.25× | 0.4× | 0.5× | 0.75× | 1.5× | 2.0× | 3.0× |
| 作動距離 | 300㎜ | 195㎜ | 180㎜ | 120㎜ | 54㎜ | 36㎜ | 25㎜ |
| カタログ | 2024Catalog_P22.pdf |
|---|---|
| 外観図3D |

| カタログ | 2024Catalog-P22.pdf |
|---|---|
| 外観図3D |

| 外観図3D |
|---|

| 型式 ※1 | 型式 ※2 | |
|---|---|---|
| F20-R60 | R60 | - |
| F20-G533 | G533 | - |
| F20-B410 | B410 | - |
| F20-Y48 | Y48 | - |
| F20-B390 | B390 | - |
| F20-G530 | G530 | - |
| F20-CM500S | CM500S | 赤外線光をカットしコントラストを上昇させます。 |
| F20-PL | PL | 偏光フィルターは乱反射を防ぎ効果的な照明を得ることができます。 |
| F20-W | - | 拡散フィルター |
| カタログ | 2024Catalog_P23.pdf |
|---|

| 型式 | MS-12Z-L1215 | MS-12Z-M2530 | MS-12Z-H450 | MS-12AZ-L1215 | MS-12AZ-M2530 | MS-12AZ-H450 |
|---|---|---|---|---|---|---|
| 倍率 | 1.25X-15X | 2.5X-30X | 4.16X-50X | 1.25X-15X | 2.5X-30X | 4.16X-50X |
| 作動距離 | 46.2mm | 35.25mm | 14mm | 46.2mm | 35.25mm | 14mm |
| 焦点距離 | ±305.56μm-±6.88μm | ±76.36μm-±2.12μm | ±27.5μm-±1.36μm | ±305.56μm-±6.88μm | ±76.36μm-±2.12μm | ±27.5μm-±1.36μm |
| 分解能 | 11.2μm-1.7μm | 5.59μm-0.93μm | 3.4μm-0.75μm | 11.2μm-1.7μm | 5.59μm-0.93μm | 3.4μm-0.75μm |
| 開口数(N.A.) | 0.03-0.20 | 0.06-0.36 | 0.1-0.45 | 0.03-0.20 | 0.06-0.36 | 0.1-0.45 |
| 照明方式 | 同軸落射照明 | 同軸落射照明 | 同軸落射照明 | 同軸落射照明 | 同軸落射照明 | 同軸落射照明 |
| 対応デバイスサイズ | 1/2インチ以下 | 1/2インチ以下 | 1/2インチ以下 | 1/2インチ以下 | 1/2インチ以下 | 1/2インチ以下 |
| マウント | Cマウント | Cマウント | Cマウント | Cマウント | Cマウント | Cマウント |
| 重量(カメラ・除く) | 1.05kg | 1.3kg | 1.15kg | 1.4kg | 1.65kg | 1.5kg |
| カタログ | 2014Catalog_P24.pdf |
|---|---|
| 外観図DXF | |
| 外観図3D |

| カタログ | 2024Catalog-P23.pdf |
|---|