
| 型式 | 発光色 | 消費電力(W) | 入力電圧 | 外形図 |
|---|---|---|---|---|
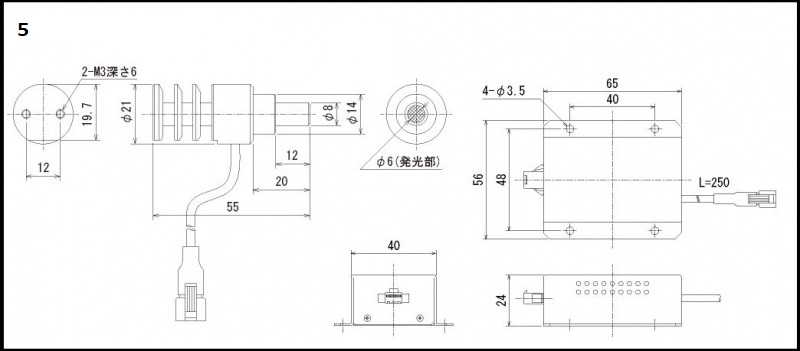
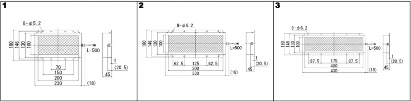
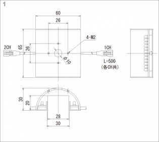
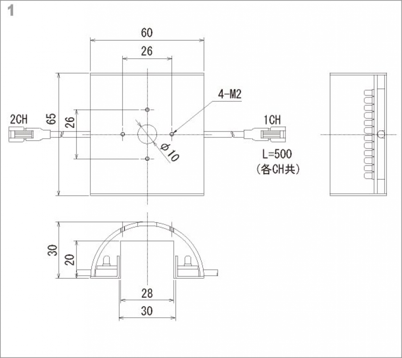
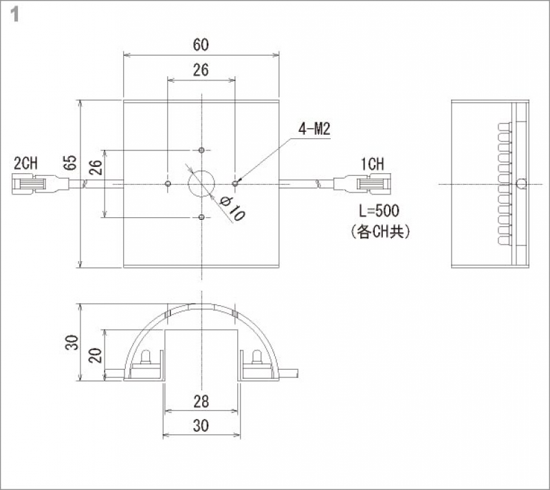
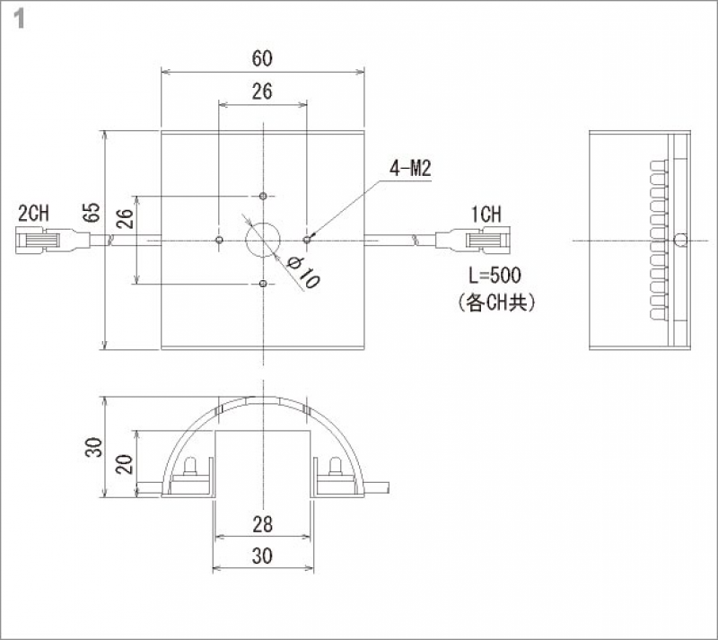
| SLDH-A20□ | ■R ■W ■B ■G ■Y | 4.5 | DC12V | 1 |
| SLDH-21□ | ■R ■W ■B ■G ■Y ■IR-1100 | 9 | 2 | |
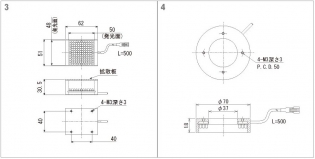
| SLD-A30□ | ■R ■DW ■B ■G | 2 | 3 | |
| SLD-HA30□ | ■R ■W ■B ■G ■Y | 2 | 4 | |
| SLD-A14□ | ■R ■DW ■B ■G | 1 | 5 | |
| SLD-14□ | ■R ■W ■B ■G | 0.3 | 6 |
| カタログ | 2024照明機器_P40 |
|---|

| 型式 | 発光色 | 消費電力(W) | 入力電圧 | SAG(※) | 外形図 |
|---|---|---|---|---|---|
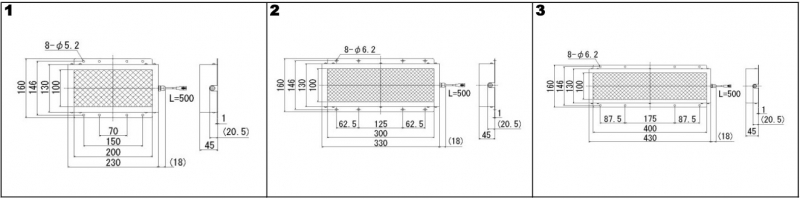
| SMD-13□ | ■RH ■W ■B ■G | 0.8 0.6 | DC12V | 6D FF | 1 |
| SMD-20□ | ■RH ■W ■B ■G | 1.2 1.7 | C6 FF | 2 | |
| SMD-40□ | ■RH ■W ■B ■G | 3.6 3.1 | C7 FF | 3 | |
| SMD-50□ | ■RH ■W ■B ■G | 6.0 4.9 | C9 FF | 4 | |
| SMD-70□ | ■RH ■W ■B ■G | 10.2 10.1 | CC FF | 5 | |
| SMD-50F-SE | フルカラー ■R ■G ■B ■W | 5.8~17.4 (単色~全色点灯時) | |||
| SMD-70F-SE | フルカラー ■R ■G ■B ■W | 6.3~18.9 (単色~全色点灯時) |
| カタログ | 2024照明機器_P41 |
|---|

| 型式 | 発光色 | 消費電力(W) | 入力電圧 | SAG(※) | 外形図 |
|---|---|---|---|---|---|
| SMD-18□-ST | ■R ■G ■B ■W | 1.2 1.3 | DC12V | C6 FF | 1 |
| SMD-28□-ST | ■R ■G ■B ■W | 2.2 3.5 | C7 FF | 2 | |
| SMD-32□-ST | ■R ■G ■B ■W | 2.4 2.6 | C6 FF | 3 | |
| SMD-40□-ST | ■R ■G ■B ■W | 3.6 3.1 | C7 FF | 4 | |
| SMD-50□-ST | ■R ■G ■B ■W | 6 4.9 | C8 FF | 5 |

| 型式 | 発光色 | 消費電力(W) | 入力電圧 | SAG(※) | 外形図 |
|---|---|---|---|---|---|
| SMDB-20□ | ■R ■W ■B ■G | 4.2 4.2 4.2 4 | DC12V | FF FF FF FF | 1 |
| SMDA-20IR-850 | ■IR-850 | 2.4 | FF | ||
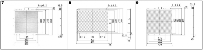
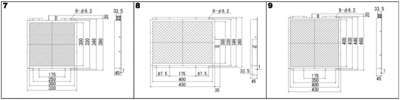
| SMDA-40□ | ■R ■W ■B ■G ■IR-850 | 10.5 10.5 10.5 9 7 | AA 98 98 8F FF | 2 | |
| SMDA-50□ | ■R ■W ■B ■G ■IR-850 | 14 14 14 12 11 | B9 A7 A7 A0 FF | 3 | |
| SMDA-70□ | ■R ■W ■B ■G ■IR-850 | 24 24 24 18 17 | D9 B9 B9 C2 FF | 4 | |
| SMDA-100□-24V | ■R ■W ■B ■G ■IR-850 | 32 32 32 27 24 | DC24V | - | 5 |
| SMDA-140□-24V | ■R ■W ■B | 45 45 45 | - | ||
| SMDA-200□-24V | ■R ■W ■B | 65 70 70 | - |

| 型式 | 発光色 | 消費電力(W) | 入力電圧 | SAG(※) | 外形図 |
|---|---|---|---|---|---|
| SRF-32-10□ | ■RH ■W ■B ■G | 0.8 1.1 | DC12V | C5 FF | 1 |
| SRF-43-15□ | ■RH ■W ■B ■G | 1.8 2.2 | C6 FF | 2 | |
| SRF-50-15□ | ■RH ■W ■B ■G | 3.1 3.3 | DA FF | 3 | |
| SRF-60-32□ | ■RH ■W ■B ■G | 3.6 3.6 | C7 FF | 4 | |
| SRF-70-37□ | ■RH ■W ■B ■G | 4.9 5.6 | D4 FF | 5 | |
| SRF-90-50□ | ■RH ■W ■B ■G | 7.3 6.2 | F0 FF | 6 | |
| SRF-100-50□ | ■RH ■W ■B ■G | 8.5 6.5 | FF FF | 7 | |
| SRF-110-60□ | ■RH ■W ■B ■G | 12.1 9.6 | E1 FF | 8 |
| カタログ | 2024照明機器_P42 |
|---|

| 型式 | 発光色 | 消費電力(W) | 入力電圧 | SAG(※) | 外形図 |
|---|---|---|---|---|---|
| SRD-38-15□ | ■RH ■W ■B ■G | 1.8 2.2 | DC12V | C6 FF | 1 |
| SRD-40-25□ | ■RH ■W ■B ■G | 1.2 1.5 | C6 FF | 2 | |
| SRD-50-28□ | ■RH ■W ■B ■G | 3.0 2.7 | C7 FF | 3 | |
| SRD-66-36□ | ■RH ■W ■B ■G | 4.3 5.4 | FF FF | 4 | |
| SRD-70-39□ | ■RH ■W ■B ■G | 4.7 5.8 | FF FF | 5 | |
| SRD-90-50□ | ■RH ■W ■B ■G | 7.1 6.5 | FF FF | 6 | |
| SRD-110-60□ | ■RH ■W ■B ■G | 9.6 9.6 | FF FF | 7 | |
| SRD-140-95□ | ■RH ■W ■B ■G | 13.9 10.8 | FF FF | 8 |
| カタログ | 2024照明機器_P42 |
|---|

| 型式 | 発光色 | 消費電力(W) | 入力電圧 | SAG(※) | 外形図 |
|---|---|---|---|---|---|
| SRL-40-15□ | ■RH ■W ■B ■G | 2.1 2.2 | DC12V | D9 FF | 1 |
| SRL-50-24□ | ■RH ■W ■B ■G | 2.7 2.9 | D1 FF | 2 | |
| SRL-74-48□ | ■RH ■W ■B ■G | 5.4 5.4 | C8 FF | 3 | |
| SRL-100-68□ | ■RH ■W ■B ■G | 7.0 5.4 | FF FF | 4 | |
| SRL-120-70□ | ■RH ■W ■B ■G | 10.5 6.9 | F3 FF | 5 | |
| SRL-140-108□ | ■RH ■W ■B ■G | 11.9 8.0 | F4 FF | 6 | |
| SRL-200-170□ | ■RH ■W ■B ■G | 18.4 18.9 | F0 FF | 7 |
| カタログ | 2024照明機器_P43 |
|---|

| 型式 | 対応鏡筒径 | 対応取付タップP.C.D. | 対応リングLED | |
|---|---|---|---|---|
| RAD-Φ17-2832 | φ17 | 28~32 | SRF-43-15 | SRD-38-15 SRD-40-25 |
| RAD-Φ17-3540 | φ17 | 35~40 | SRF-50-15 ※φ17鏡筒のみ対応 | SRD-50-28 |
| RAD-Φ25-3540 | Φ25 | |||
| RAD-Φ29.5-3540 | Φ29.5 | |||
| RAD-Φ17-4550 | φ17 | 45~50 | SRF-60-32 SRF-70-37 | SRD-66-36 SRD-70-39 |
| RAD-Φ25-4550 | Φ25 | |||
| RAD-Φ29.5-4550 | Φ29.5 | |||
| RAD-Φ17-70 | φ17 | 70 | SRF-90-50 SRF-100-50 | SRD-90-50 |
| RAD-Φ25-70 | Φ25 | |||
| RAD-Φ29.5-70 | Φ29.5 | |||
| RAD-Φ17-85 | φ17 | 85 | SRF-110-60 | SRD-110-60 |
| RAD-Φ25-85 | Φ25 | |||
| RAD-Φ29.5-85 | Φ29.5 |

| 型式 | 発光色 | 消費電力(W) | 入力電圧 | SAG(※) | 外形図 |
|---|---|---|---|---|---|
| SRM-55□ | ■R ■W ■B | 5 6 5.5 | DC12V | D3 B8 A6 | 1 |
| SRM-80□ | ■R ■W ■B | 10 11 10 | AC A0 8F | 2 | |
| SRM-110□ | ■R ■W ■B | 15 17 15 | AF A4 92 | 3 | |
| SRM-130□ | ■R ■W ■B | 18 20 18 | A9 9D 8C | 4 | |
| SRM-160□ | ■R ■W ■B | 23 25 23 | AC A2 91 | 5 | |
| SRM-200□ | ■R ■W ■B | 29 30 29 | A6 A6 95 | 6 | |
| SRM-250□-24V | ■R ■W ■B | 40 45 40 | DC24V | - | 7 |

| 型式 | 発光色 | 消費電力(W) | 入力電圧 | SAG(※) | 外形図 |
|---|---|---|---|---|---|
| SRM-80□-8ch | ■RH ■W ■B | 7 8 8 | DC12V | A9/各ch CB/各ch 95/各ch | 1 |
| SRM-100□-8ch | ■RH ■W ■B | 12 13.5 13.5 | 70/各ch 91/各ch 6F/各ch | 2 | |
| SRM-130□-8ch | ■RH ■W ■B | 14 16 16 | A9/各ch D8/各ch 9E/各ch | 3 | |
| SRM-200□-8ch | ■RH ■W ■B | 24 | 71/各ch 92/各ch 70/各ch | 4 |

| 型式 | 発光色 | 消費電力(W) | 入力電圧 | SAG(※) | 外形図 |
|---|---|---|---|---|---|
| SRM-90□-WP | ■R ■W ■B | 10 11 10 | DC12V | AC A0 8F | 1 |
| SRM-140□-WP | ■R ■W ■B | 18 20 18 | A9 9D 8C | 2 |

| 型式 | 発光色 | 消費電力(W) | 入力電圧 | SAG(※) | 外形図 |
|---|---|---|---|---|---|
| SRM-CT55□ | ■R ■W ■B | 2.8 3.3 3.3 | DC12V | B6 A3 8C | 1 |
| SRM-CT80□ | ■R ■W ■B | 6 6.6 6.6 | 8C 8E 78 | 2 | |
| SRM-CT110□ | ■R ■W ■B | 8 9.3 9.3 | 92 88 7A | 3 | |
| SRM-CT130□ | ■R ■W ■B | 10 11.5 11.5 | 8E 87 7B | 4 | |
| SRM-CT160□ | ■R ■W ■B | 12.5 14 14 | 91 8D 7A | 5 | |
| SRM-CT200□ | ■R ■W ■B | 16 17.5 17.5 | 99 96 82 | 6 |

| 型式 | 発光色 | 消費電力(W) | 入力電圧 | SAG(※) | 外形図 |
|---|---|---|---|---|---|
| SHRB-60□S | ■R ■DW ■B | 6.5 | DC12V | FF | 1 |
| SHRB-80□S | ■R ■DW ■B | 9 | FF | 2 | |
| SHRB-120□S | ■R ■DW ■B | 13.5 | FF | 3 | |
| SHRB-150□S | ■R ■DW ■B | 18 | FF | 4 | |
| SHRB-220□S | ■R ■DW ■B | 28.5 | FF C3 BC | 5 | |
| SHRA-270□S-24V | ■R ■DW ■B | 34 | DC24V | - | 6 |
| SHRA-350□S-24V | ■R ■DW ■B | 44 | - | 7 |

| 型式 | 発光色 | 消費電力(W) | 入力電圧 | SAG(※) | 外形図 |
|---|---|---|---|---|---|
| SRVA-78-46□ | ■R ■W ■B ■G | 2.4 2.9 | DC12V | C6 FF | 1 |
| SRVA-84-54□ | ■R ■W ■B ■G | 3 2.9 | C7 FF | 2 | |
| SRVA-98-60□ | ■R ■W ■B ■G | 3.6 | C7 FF | 3 | |
| SRVA-122-92□ | ■R ■W ■B ■G | 4.2 4.7 | C8 FF | 4 | |
| SRVA-152-114□ | ■R ■W ■B ■G | 5.4 5.8 | C8 FF | 5 | |
| SRVA-176-40□ | ■R ■W ■B ■G | 7.2 | CA FF | 6 | |
| SRVA-206-170□ | ■R ■W ■B ■G | 8.4 8.7 | CA FF | 7 | |
| SRVA-450-400□ | ■R ■W ■B ■G | 11.6 17.3 | - | 8 |

| 型式 | 発光色 | 消費電力(W) | 入力電圧 | SAG(※) | 外形図 |
|---|---|---|---|---|---|
| SFR-100□ | ■R ■W ■B ■G | 2.9 4.4 | DC12V | 6F FF | 1 |
| SFR-130□ | ■R ■W ■B ■G | 3.6 5.4 | 70 FF | 2 | |
| SFR-K74-20□ | ■R ■W ■B ■G | 3.9 5.8 | 70 FF | 3 | |
| SFR-K100□ | ■R ■W ■B ■G | 2.9 4.4 | 6F FF | 4 | |
| SFR-K150□ | ■R ■W ■B ■G | 4.1 6.2 | 70 FF | 5 |

| 型式 | 発光色 | 拡散板 | 消費電力(W) | 入力電圧 | SAG(※) | 外形図 |
|---|---|---|---|---|---|---|
| SBR-11-14□ | ■RH ■W ■B ■G | 無 | 0.3 0.4 | DC12V | C5 FF | 1 |
| SBR-15-26□S | ■RH ■W ■B ■G | 有 | 0.6 1.1 | C5 FF | 2 | |
| SBR-27-34□ | ■RH ■W ■B ■G | 無 | 2.4 2.9 | C6 FF | 3 | |
| SBR-70-75□S | ■RH ■W ■B ■G | 有 | 10.2 10.1 | CC FF | 4 | |
| SBR-25-25□S | ■RH ■W ■B ■G | 有 | 1.8 2.2 | C6 FF | 5 | |
| SBR-50-15□ | ■RH ■W ■B ■G | 無 | 1.8 2.2 | C6 FF | 6 | |
| SBR-100-11□ | ■RH ■W ■B ■G | 無 | 2.4 2.9 | C6 FF | 7 | |
| SBR-140-11□ | ■RH ■W ■B ■G | 無 | 4.2 4.4 | C8 FF | 8 | |
| SBR-132-15□ | ■RH ■W ■B ■G | 無 | 5.4 5.8 | C8 FF | 9 | |
| SBR-72-24□ | ■RH ■W ■B ■G | 無 | 5.4 4.4 | C8 FF | 10 | |
| SBR-50-50□S | ■RH ■W ■B ■G | 有 | 6.4 5.4 | EF FF | 11 | |
| SBR-15-200□S | ■RH ■W ■B ■G | 有 | 8.4 8.9 | CA FF | 12 | |
| SBR-185-30□S | ■RH ■W ■B ■G | 有 | 13.2 13 | CE FF | 13 | |
| SBR-300-24□S | ■RH ■W ■B ■G | 有 | 20.2 25.6 | CE DC | 14 |
| カタログ | 2024照明機器_P44 |
|---|

| 型式 | 発光色 | 消費電力(W) | 入力電圧 | 外形図 |
|---|---|---|---|---|
| SBR-HM100□■ | ■R ■W ■B | 1010 | DC24V | 1 (n=1) |
| SBR-HM200□■ | ■R ■W ■B | 20 | 1 (n=2) | |
| SBR-HM300□■ | ■R ■W ■B | 30 | 1 (n=3) | |
| SBR-HM400□■ | ■R ■W ■B | 40 | 1 (n=4) | |
| SBR-HM500□■ | ■R ■W ■B | 50 | 1 (n=5) | |
| SBR-HM600□■ | ■R ■W ■B | 60 | 1 (n=6) | |
| SBR-HM700□■ | ■R ■W ■B | 70 | 1 (n=7) | |
| SBR-HM800□■ | ■R ■W ■B | 80 | 2 (n=8) | |
| SBR-HM900□■ | ■R ■W ■B | 90 | 2 (n=9) | |
| SBR-HM1000□■ | ■R ■W ■B | 100 | 2 (n=10) | |
| SBR-HM1100□■ | ■R ■W ■B | 110 | 2 (n=11) | |
| SBR-HM1200□■ | ■R ■W ■B | 120 | 2 (n=12) | |
| SBR-HM1300□■ | ■R ■W ■B | 130 | 2 (n=13) | |
| SBR-HM1400□■ | ■R ■W ■B | 140 | 2 (n=14) |

| 型式 | 発光色 | 消費電力(W) | 入力電圧 | 外形図 |
|---|---|---|---|---|
| SBR-HMS50□■ | ■R ■W ■B | 3.6 4 | DC12V | 1 (n=1) |
| SBR-HMS100□■ | ■R ■W ■B | 7.2 8 | 1 (n=2) | |
| SBR-HMS150□■ | ■R ■W ■B | 10.8 12 | 1 (n=3) | |
| SBR-HMS200□■ | ■R ■W ■B | 14.4 16 | 1 (n=4) | |
| SBR-HMS250□■ | ■R ■W ■B | 18 20 | 1 (n=5) | |
| SBR-HMS300□■ | ■R ■W ■B | 21.6 24 | 1 (n=6) | |
| SBR-HMS350□■ | ■R ■W ■B | 25.2 28 | 1 (n=7) | |
| SBR-HMS50□HV■ | ■R ■W ■B | 3.6 4 | DC24V | 1 (n=1) |
| SBR-HMS100□HV■ | ■R ■W ■B | 7.2 8 | 1 (n=2) | |
| SBR-HMS150□HV■ | ■R ■W ■B | 10.8 12 | 1 (n=3) | |
| SBR-HMS200□HV■ | ■R ■W ■B | 14.4 16 | 1 (n=4) | |
| SBR-HMS250□HV■ | ■R ■W ■B | 18 20 | 1 (n=5) | |
| SBR-HMS300□HV■ | ■R ■W ■B | 21.6 24 | 1 (n=6) | |
| SBR-HMS350□HV■ | ■R ■W ■B | 25.2 28 | 1 (n=7) |

| 型式 | 発光色 | 消費電力(W) | 入力電圧 | SAG(※) | 外形図 |
|---|---|---|---|---|---|
| SHGA-25-25□ | ■R ■W ■B | 0.6 0.9 0.5 | DC12V | FF 9D A4 | 1 |
| SHGA-30-41□ | ■R ■W ■B | 1.2 1.7 0.9 | F9 BD 9D | 2 | |
| SHGA-30-80□ | ■R ■W ■B | 2.4 2.6 1.7 | F8 98 9D | 3 | |
| SHGB-50-50□ | ■R ■W ■B | 3.8 4.4 4.4 | 75 75 75 | ||
| SHGB-100-100□ | ■R ■W ■B | 12 15 15 | 80 81 7F | ||
| SHGB-150-200□ | ■R ■W ■B | 27 30 30 | 81 87 84 |
| カタログ | 2024照明機器_P45 |
|---|

| 型式 | 発光色 | 消費電力(W) | 入力電圧 | SAG(※) | 外形図 |
|---|---|---|---|---|---|
| SHMA-25-30□ | ■R ■W ■B | 2.3 2.8 2.7 | DC12V | 9A F9 98 | 1 |
| SHM-25-30□ | ■IR-850 ■IR-950 | 2 | E3 | ||
| SHMA-66-60□ | ■R ■W ■B | 7.5 9 8 | FF FF FF | 2 | |
| SHM-66-60□ | ■IR-850 ■IR-950 | 7.5 | FF | ||
| SHMA-108-114□ | ■R ■W ■B | 15 18 17 | FF FF FF | 3 | |
| SHM-108-114□ | ■IR-850 ■IR-950 | 14.7 | FF | ||
| SHMA-150-142□ | ■R ■W ■B | 22 27 24 | FF CA DB | 4 | |
| SHM-150-142□ | ■IR-850 ■IR-950 | 24 | E5 | ||
| SHMA-214-226□-24V | ■R ■W ■B | 39 48 44 | DC24V | - | 5 |
| SHM-214-226□-24V | ■IR-850 ■IR-950 | 47 | - |

| 型式 | 発光色 | 消費電力(W) | 入力電圧 | SAG(※) | 外形図 |
|---|---|---|---|---|---|
| SHMA-25-30□-V | ■R ■W ■B | 2.3 2.8 2.7 | DC12V | DE B8 A0 | 1 |
| SHMA-66-60□-V | ■R ■W ■B | 7.5 9 8 | FF FF FF | 2 | |
| SHMA-108-114□-V | ■R ■W ■B | 15 18 17 | FF FF FF | 3 | |
| SHMA-150-142□-V | ■R ■W ■B | 22 27 24 | FF CA DB | 4 | |
| SHMA-214-226□-V-24V | ■R ■W ■B | 39 48 44 | DC24V | - | 5 |
| 型式 | 発光色 | 消費電力(W) | 入力電圧 | SAG(※) | 外形図 |
|---|---|---|---|---|---|
| SHMA-25-30□-V | ■R ■W ■B | 2.3 2.8 2.7 | DC12V | DE B8 A0 | 1 |
| SHMA-66-60□-V | ■R ■W ■B | 7.5 9 8 | FF FF FF | 2 | |
| SHMA-108-114□-V | ■R ■W ■B | 15 18 17 | FF FF FF | 3 | |
| SHMA-150-142□-V | ■R ■W ■B | 22 27 24 | FF CA DB | 4 | |
| SHMA-214-226□-V-24V | ■R ■W ■B | 39 48 44 | DC24V | - | 5 |

| 型式 | 発光色 | 消費電力(W) | 入力電圧 | SAG(※) | 外形図 |
|---|---|---|---|---|---|
| SRM-80IR-850 | IR(850nm) | 7 | DC12V | BC | 1 |
| SRM-80IR-950 | IR(950nm) | 7 | DA | ||
| SRD-50-28IR-850 | IR(850nm) | 2.2 | FF | 2 | |
| SRD-90-50IR-850 | IR(850nm) | 4.4 | FF | 3 | |
| SBR-50-15IR-850 | IR(850nm) | 1.5 | FF | 4 | |
| SBR-72-24IR-850 | IR(850nm) | 2.8 | FF | 5 | |
| SBR-132-15IR-850 | IR(850nm) | 3.9 | FF | 6 | |
| SMD-40IR-850 | IR(850nm) | 2 | FF | 7 | |
| SHM-25-30IR-850 | IR(850nm) | 2 | E3 | 8 | |
| SHM-66-60IR-850 | IR(850nm) | 7.5 | FF | 9 | |
| SHM-108-114IR-850 | IR(850nm) | 14.7 | FF | 10 | |
| SHM-150-142IR-850 | IR(850nm) | 24 | E5 | 11 | |
| SHM-214-226IR-850-24V | IR(850nm) | 47 | DC24V | - | 12 |
| カタログ | 2024照明機器_P47 |
|---|

| 型式 | 発光色 | 消費電力(W) | 入力電圧 | 外形図 |
|---|---|---|---|---|
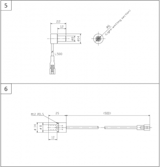
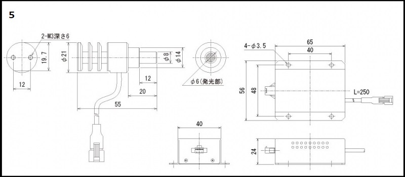
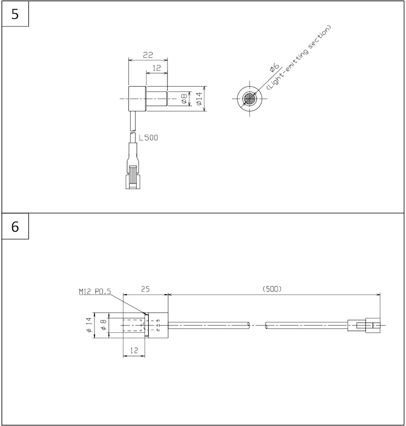
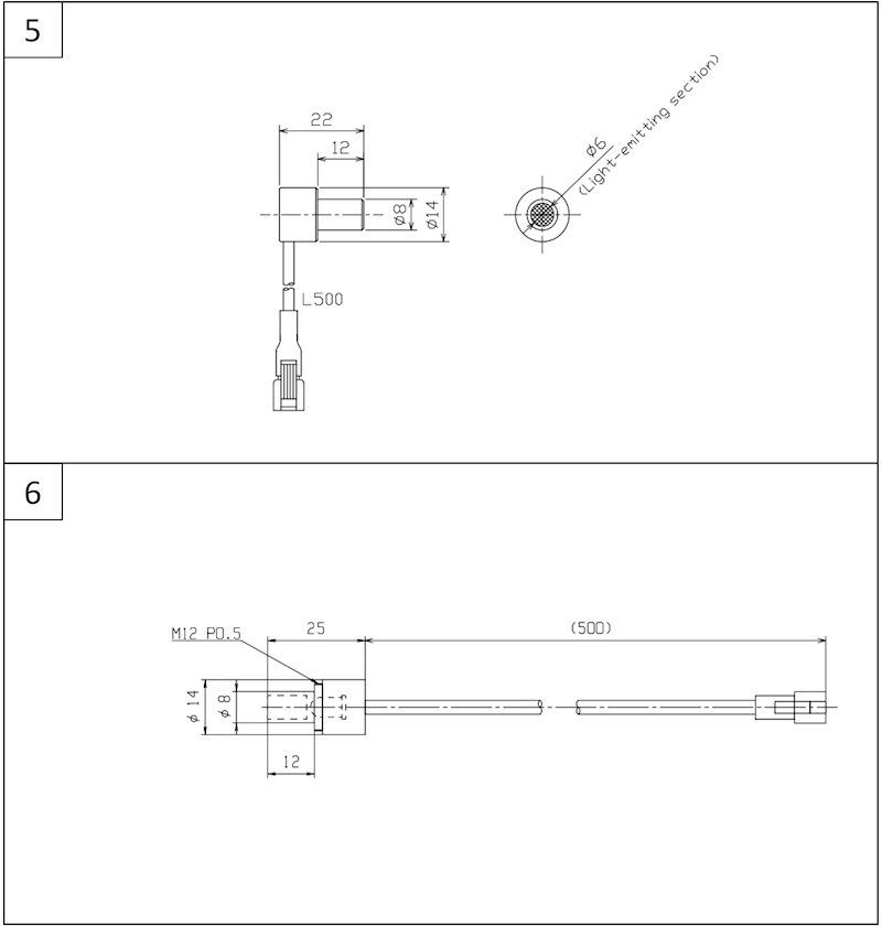
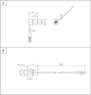
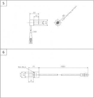
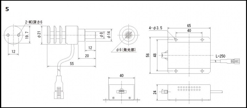
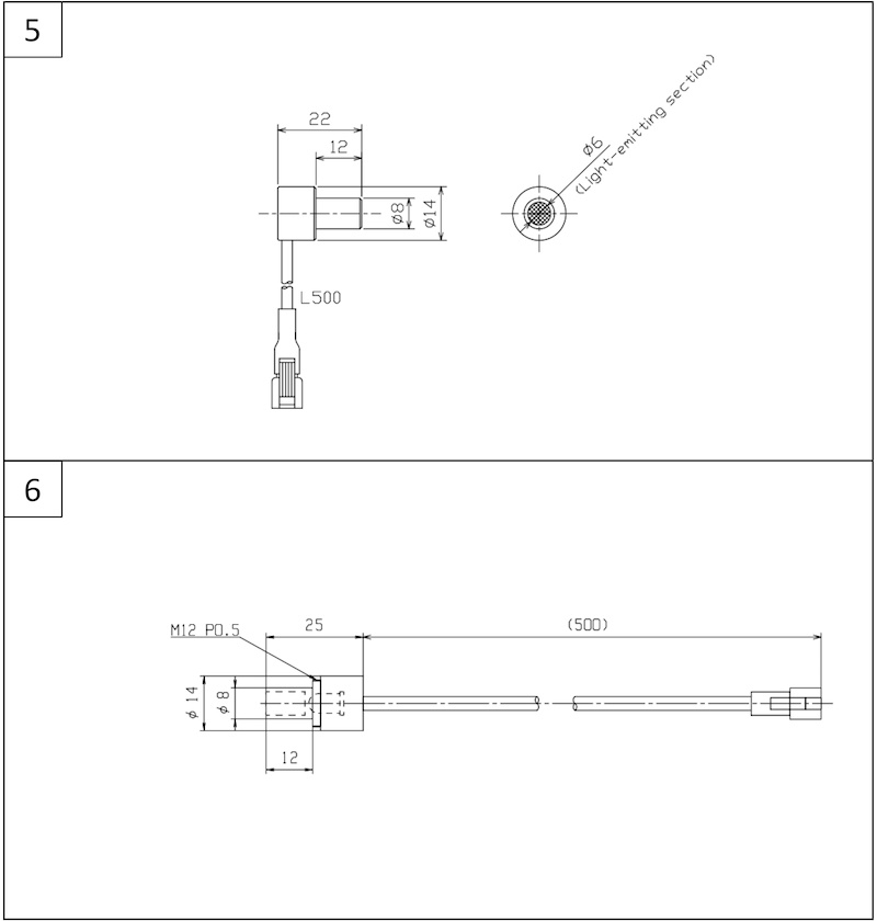
| SLDH-21IR-1100 NEW | IR(1100nm) | 9 | DC12V | 5 |
| SBR-50-15IR-1200 | IR(1200nm) | 1.5 | 1 | |
| SBR-100-15IR-1200 | IR(1200nm) | 3.4 | 2 | |
| SBR-50-50IR-1200S | IR(1200nm) | 6.8 | 3 | |
| SRF-70-37IR-1450 | IR(1450nm) | 4 | 4 | |
| SBR-50-15IR-1450 | IR(1450nm) | 1.5 | 1 | |
| SBR-100-15IR-1450 | IR(1450nm) | 3.4 | 2 | |
| SBR-50-50IR-1450S | IR(1450nm) | 6.8 | 3 |
| カタログ | 2024照明機器_P47 |
|---|

| LED-Head | |
|---|---|
| 照射エリア | 100~3.800mm×5mm (W.D.=30mm) |
| 紫外線強度 | 500~1000mW/cm2 (W.D.=30mm) |
| ピーク波長 | 365nm,385nm,405nm |
| 冷却方式 | 強制ファン空冷、水冷 |
| 専用電源 | |
|---|---|
| 入力電源 | AC100~240V |
| 動作周波数 | 50/60Hz |
| 出力 | 100~600W |
| 手動制御 | ボリュームによる無段階制御 |
| 外部制御 | Analog0-5VまたはDigital8bit、LAN(オプション) |
| 機能 | オープン検出、電源異常検出 強制空冷ファン電源搭載 |
| カタログ | 2018Catalog_P46 |
|---|

| 型式 | 発光色 | 消費電力(W) | 入力電圧 | SAG(※) |
|---|---|---|---|---|
| SPBH-75□-■ | ■R ■W ■B | 6.5 | DC12V | 89 AB |
| SPBH-150□-■ | ■R ■W ■B | 13 | DC12V | 8C B1 |
| SPBH-225□-■ | ■R ■W ■B | 19.5 | DC12V | 8E B7 |
| SPBH-300□-■ | ■R ■W ■B | 26 | DC12V | 91 BD |
| SPBH-150□-■-24V | ■R ■W ■B | 13 | DC24V | - - |
| SPBH-300□-■-24V | ■R ■W ■B | 26 | DC24V | - - |
| SPBH-450□-■-24V | ■R ■W ■B | 39 | DC24V | - - |
| SPBH-600□-■-24V | ■R ■W ■B | 52 | DC24V | - - |
| SPBH-750■-□-24V | ■R ■W ■B | 65 | DC24V | - - |
| SPBH-900□-■-24V | ■R ■W ■B | 78 | DC24V | - - |
| SPBH-1050□-■-24V | ■R ■W ■B | 91 | DC24V | - - |
| SPBH-1200■-□-24V | ■R ■W ■B | 104 | DC24V | - - |
| SPBH-1350□-■-24V | ■R ■W ■B | 117 | DC24V | - - |
| SPBH-1500□-■-24V | ■R ■W ■B | 130 | DC24V | - - |

| 型式 | 発光色 | 消費電力(W) | 入力電圧 | SAG(※) |
|---|---|---|---|---|
| SBR-SL30□ | ■R ■W ■B ■G | 3.5 | DC12V | FF FF FF FF |
| SBR-SL60□ | ■R ■W ■B ■G | 7 | DC12V | FF FF FF FF |
| SBR-SL90□ | ■R ■W ■B ■G | 10.5 | DC12V | FF FF FF FF |
| SBR-SL120□ | ■R ■W ■B ■G | 14 | DC12V | FF FF FF FF |
| SBR-SL150□ | ■R ■W ■B ■G | 17.5 | DC12V | FF F9 FF FD |
| SBR-SL180□ | ■R ■W ■B ■G | 21 | DC12V | FF DD E3 E1 |
| SBR-SL210□ | ■R ■W ■B ■G | 24.5 | DC12V | FF C9 CC CB |
| SBR-SL240□ | ■R ■W ■B ■G | 28 | DC12V | F7 BC BF BE |
| SBR-SL60□-24V | ■R ■W ■B ■G | 7 | DC24V | - - - - |
| SBR-SL120□-24V | ■R ■W ■B ■G | 14 | DC24V | - - - - |
| SBR-SL180□-24V | ■R ■W ■B ■G | 21 | DC24V | - - - - |
| SBR-SL240□-24V | ■R ■W ■B ■G | 28 | DC24V | - - - - |
| SBR-SL300□-24V | ■R ■W ■B ■G | 35 | DC24V | - - - - |

| 型式 | 発光色 | 消費電力(W) | 入力電圧 | SAG(※) | 外形図 |
|---|---|---|---|---|---|
| SMSA-C25□ | ■R ■W ■B ■G ■IR-850 | 2.1 2.4 2.4 2.4 1.2 | DC12V | 89 83 73 6F A3 | 1 |
| SMSA-C50□ | ■R ■W ■B ■G ■IR-850 | 9.5 9.5 9.5 8.5 6 | D0 CB AD AB FF | 2 | |
| SMSA-C75□ | ■R ■W ■B ■G ■IR-850 | 14 14 14 11 9 | DC E0 B6 B4 FF | 3 | |
| SMSA-C100□ | ■R ■W ■B ■G ■IR-850 | 22 22 22 15 12.5 | C3 BC A5 BE FF | 4 | |
| SMSA-C150□ | ■R ■W ■B ■G ■IR-850 | 30 30 30 20 17 | DA B8 B6 CA FF | 5 | |
| SMSA-C200□ | ■R ■W ■B ■G ■IR-850 | 30 30 30 27 20.5 | T.B.D. C1 C7 C9 FF | 6 | |
| SMSA-C300□-24V | ■R ■W ■B ■G ■IR-850 | 46 46 46 40 38 | DC24V | - | 7 |
| SMSA-C200-100□ | ■R ■W ■B ■G ■IR-850 | 20 20 20 19 17.5 | DC12V | FF FF F1 CE FF | 8 |
| SMSA-C300-150□-24V | ■R ■W ■B ■G ■IR-850 | 30 30 30 30 26 | DC24V | - | 9 |
| SMSA-C400-200□-24V | ■R ■W ■B ■G ■IR-850 | 44 44 44 44 40 | 10 | ||
| SMSA-C400-300□-24V | ■R ■W ■B | 47 54 54 | 11 | ||
| SMSA-C150WR | ■W ■R | W:7.5x2ch R:7.5x2ch | DC12V | B8(W) DA(R) | 12 |
| SMSA-C150WIR-850 | ■W ■IR-850 | W:7.5x2ch R:6.2x2ch | B8(W) FF(IR) |
| 保護カバー | 保護カバーホルダー | 適用照明 |
|---|---|---|
| SKMSA-C25-PRC | SKMSA-C25-HL | SMSA-C25□ |
| SKMSA-C50-PRC | SKMSA-C50-HL | SMSA-C50□ |
| SKMSA-C75-PRC | SKMSA-C75-HL | SMSA-C75□ |
| SKMSA-C100-PRC | SKMSA-C100-HL | SMSA-C100□ |
| SKMSA-C150-PRC | SKMSA-C150-HL | SMSA-C150□ |
| SKMSA-C200-PRC | SKMSA-C200-HL | SMSA-C200□ |
| SKMSA-C300-PRC | SKMSA-C300-HL | SMSA-C300□-24V |
| SKMSA-C200-100-PRC | SKMSA-C200-100-HL | SMSA-C200-100□ |
| SKMSA-C300-150-PRC | SKMSA-C300-150-HL | SMSA-C300-150□-24V |
| SKMSA-C400-200-PRC | SKMSA-C400-200-HL | SMSA-C400-200□-24V |
| SKMSA-C400-300-PRC | SKMSA-C400-300-HL | SMSA-C400-300□-24V |


| 型式 | 発光色 | 消費電力(W) | 入力電圧 | 外形図 |
|---|---|---|---|---|
| SFPA-200-100□ | ■R ■DW ■B | 20 | DC24V | 1 |
| SFPA-300-100□ | ■R ■DW ■B | 30 | DC24V | 2 |
| SFPA-400-100□ | ■R ■DW ■B | 40 | DC24V | 3 |
| SFPA-200-200□ | ■R ■DW ■B | 40 | DC24V | 4 |
| SFPA-300-200□ | ■R ■DW ■B | 60 | DC24V | 5 |
| SFPA-400-200□ | ■R ■DW ■B | 80 | DC24V | 6 |
| SFPA-300-300□ | ■R ■DW ■B | 90 | DC24V | 7 |
| SFPA-400-300□ | ■R ■DW ■B | 120 | DC24V | 8 |
| SFPA-400-400□ | ■R ■DW ■B | 160 | DC24V | 9 |

| 型式 | 発光色 | 消費電力(W) | 入力電圧 | 外形図 |
|---|---|---|---|---|
| SFPA-100-100□-35D SFPA-100-100□-55D | ■R ■DW ■B | 5 | DC24V | 1 |
| SFPA-200-100□-35D SFPA-200-100□-55D | ■R ■DW ■B | 15 | DC24V | 1 |
| SFPA-200-200□-35D SFPA-200-200□-55D | ■R ■DW ■B | 35 | DC24V | 2 |
| SFPA-300-100□-35D SFPA-300-100□-55D | ■R ■DW ■B | 25 | DC24V | 3 |
| SFPA-300-200□-35D SFPA-300-200□-55D | ■R ■DW ■B | 55 | DC24V | 3 |
| SFPA-300-300□-35D SFPA-300-300□-55D | ■R ■DW ■B | 85 | DC24V | 4 |
| SFPA-400-100□-35D SFPA-400-100□-55D | ■R ■DW ■B | 35 | DC24V | 1 |
| SFPA-400-200□-35D SFPA-400-200□-55D | ■R ■DW ■B | 75 | DC24V | 3 |
| SFPA-400-300□-35D SFPA-400-300□-55D | ■R ■DW ■B | 115 | DC24V | 3 |
| SFPA-400-400□-35D SFPA-400-400□-55D | ■R ■DW ■B | 155 | DC24V | 4 |
| SFPA-500-100□-35D SFPA-500-100□-55D | ■R ■DW ■B | 45 | DC24V | 1 |
| SFPA-500-200□-35D SFPA-500-200□-55D | ■R ■DW ■B | 95 | DC24V | 3 |
| SFPA-500-300□-35D SFPA-500-300□-55D | ■R ■DW ■B | 145 | DC24V | 3 |
| SFPA-500-400□-35D SFPA-500-400□-55D | ■R ■DW ■B | 195 | DC24V | 3 |

| 型式 | 発光色 | 消費電力(W) | 入力電圧 | SAG(※) | 外形図 |
|---|---|---|---|---|---|
| SQC-35□ | ■R ■DW ■B | 4.7 ※赤のみ 4.2 | DC12V | FF | 1 |
| SQC-51□ | ■R ■DW ■B | 6.8 ※赤のみ 6.5 | DC12V | FF | 2 |
| SQC-78□ | ■R ■DW ■B | 12.5 ※赤のみ 11.5 | DC12V | FF | 3 |
| SQC-99□ | ■R ■DW ■B | 16.5 19 18 | DC12V | FF FA FF | 4 |
| SQC-123□ | ■R ■DW ■B | 21 24 22.5 | DC12V | FF D8 E9 | 5 |

| 型式 | 発光色 | 消費電力(W) | 入力電圧 | SAG(※) | 外形図 |
|---|---|---|---|---|---|
| SDM-B60□ | ■R ■DW ■B | 6.5 | DC12V | FF | 1 |
| SDM-B80□ | ■R ■DW ■B | 9 | DC12V | FF | 2 |
| SDM-B120□ | ■R ■DW ■B | 13.5 | DC12V | FF | 3 |
| SDM-B150□ | ■R ■DW ■B | 18 | DC12V | FF | 4 |
| SDM-B220□ | ■R ■DW ■B | 28.5 | DC12V | FF C3 BC | 5 |
| SDM-A270□-24V | ■R ■DW ■B | 34 | DC24V | - | 6 |
| SDM-A350□-24V | ■R ■DW ■B | 44 | DC24V | - | 7 |

| 型式 | 発光色 | 消費電力(W) | 入力電圧 | 外形図 |
|---|---|---|---|---|
| SHP-60/65W | ■W | 1.6 ※2ch 0.8W/ch | DC12V | 1 |
| SHPH-150/175W | ■W | 38 ※2ch 19W/ch | DC12V | 2 |
| SHPH-320/350W-24V | ■W | 70 ※2ch 35W/ch | DC24V | |
| SHPH-320/350RGB | フルカラー ■R ■G ■B | 78 ※2ch RGB各13W/ch | DC12V |