
| 型式 | MPM-2 (φ17鏡筒用) | PM-2-Ф25 (φ25鏡筒用) | PM-2-Ф29.5 (φ29.5鏡筒用) | PM-2-Ф40 (φ40鏡筒用) | MPM-5 (φ17鏡筒用) | SSB-φ17 (φ17鏡筒用) |
|---|---|---|---|---|---|---|
| 内部光路長 | 18mm | 30mm | 36mm | 44mm | 25mm | 上側:31.4mm 下側:18.2mm |
| カタログ | 2018Catalog_P15.pdf |
|---|---|
| 外観図3D |

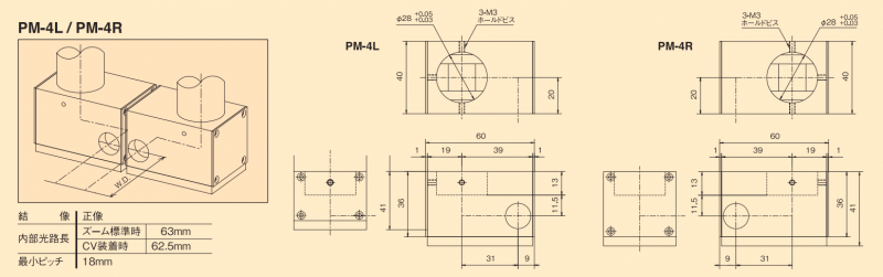
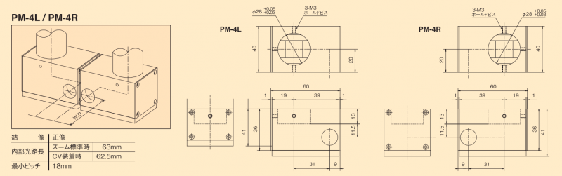
| 型式 | PM未装着時のWD | PM-2 (φ28鏡筒用) | PM-3 (φ28鏡筒用) | PM-5 (φ28鏡筒用) | PM-4R (φ28鏡筒用) | PM-4L (φ28鏡筒用) |
|---|---|---|---|---|---|---|
| 片側ピッチ | - | 10mm | 8.5mm | 5mm | 9mm | 9mm |
| 標準時 | 90mm | 55mm | 41.5mm | 42mm | 27mm | 27mm |
| CV-04装着時 | 195mm | 166.5mm | 153mm | 153.5mm | 132.5mm | 132.5mm |
| CV-05装着時 | 180mm | 151.5mm | 138mm | 138.5mm | 117.5mm | 117.5mm |
| CV-075装着時 | 120mm | 91.5mm | 78mm | 78.5mm | 57.5mm | 57.5mm |
| CV-15装着時 | 54mm | 25.5mm | 12mm | 12.5mm | - | - |
| CV-20装着時 | 36mm | 7.5mm | - | - | - | - |
| 重量 | - | 73g | 132g | 110g | 185g | 185g |
| カタログ | 2018Catalog_P22.pdf |
|---|---|
| 外観図3D |

| 形式 | CV-025 | CV-04 | CV-05 | CV-075 | CV-15 | CV-20 | CV-30 |
|---|---|---|---|---|---|---|---|
| 補助レンズ | 0.25× | 0.4× | 0.5× | 0.75× | 1.5× | 2.0× | 3.0× |
| 作動距離 | 300㎜ | 195㎜ | 180㎜ | 120㎜ | 54㎜ | 36㎜ | 25㎜ |
| カタログ | 2018Catalog_P23.pdf |
|---|---|
| 外観図3D |

| カタログ | 2018Catalog_P23.pdf |
|---|---|
| 外観図3D |

| 型式 | RA-15 | RA-20 | RA-30 | RA-40 | RA-10C | RA-15C | RA-20C |
|---|---|---|---|---|---|---|---|
| 倍率 | 1.5X | 2X | 3X | 4X | 1X | 1.5X | 2X |
| マウント | φ25-Cマウント | φ25-Cマウント | φ25-Cマウント | φ25-Cマウント | Cマウント-Cマウント | Cマウント-Cマウント | Cマウント-Cマウント |
| WD | 変化なし | 変化なし | 変化なし | 変化なし | 変化なし | 変化なし | 変化なし |
| 倍率補正機構 | 有 | 有 | 有 | 有 | 有 | 有 | 有 |
| 光学スケール | 組込み可 | 組込み可 | 映像不可 | 映像不可 | 組込み可 | 組込み可 | 組込み可 |
| 型式 | ※オプション スケール |
|---|---|
| S32-RA | クロス |
| S34-RA | 10mm1/100 |
| S64-RA | 方眼 |
| S50-RA | 10mm1/100クロス |
| カタログ | 2018Catalog_P23.pdf |
|---|---|
| 外観図3D |

| カタログ | 2018Catalog_P24.pdf |
|---|---|
| 外観図3D |

| カタログ | 2018Catalog_P24.pdf |
|---|
| 型式 ※1 | 型式 ※2 | |
|---|---|---|
| F20-R60 | R60 | - |
| F20-G533 | G533 | - |
| F20-B410 | B410 | - |
| F20-Y48 | Y48 | - |
| F20-B390 | B390 | 三色分解用フィルター |
| F20-G530 | G530 | 白黒時のコントラストアップ用/三色分解用にも使用出来ます。 |
| F20-CM500S | CM500S | 赤外線光をカットしコントラストを上昇させます。 |
| F20-PL | PL | 偏光フィルターは乱反射を防ぎ効果的な照明を得ることができます。 |
| F20-W | - | 拡散フィルター |
| カタログ | 2018Catalog_P24.pdf |
|---|