ズーム Zoom

コンパクト6xズーム鏡筒
コンパクトズーム鏡筒シリーズ
0.7X~ 4.5X ズーム鏡筒
0.7X~ 4.5X ショートズーム鏡筒
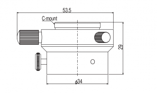
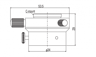
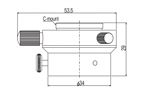
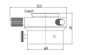
MSZ-0745D-DET(-INF)は 0.7X ~ 4.5X のコンパクトズーム鏡筒です。
ズーム全域において均一な同軸観察が可能です。
同軸落射照明、インナーフォーカスの有無は選択可能となっています。
MS-501S はコンバージョンレンズ、CV シリーズを鏡筒先端に取付けることでズーム倍率の変更が可能です。
〈標準装備〉
-DET : ズームダイヤル上、倍率各ポジションにメカニカルクリックを配置。倍率設定が容易なディテント機構です。
MS-501Sはディテントクリック非対応です。
〈オプション〉
-INF : 鏡筒内にフォーカス微調節機能を追加したインナーフォーカス仕様
INF(インナーフォーカス)によるフォーカス量は90°回転で±1.5mmです。
MS-501Sはインナーフォーカス非対応です。
M-501S : コンバージョンレンズ、CVシリーズ装着によって、ズーム倍率の変更が可能です。
CVシリーズ装着時はWDが変わります。
その他 : カスタム対応にて他の倍率設定にも検討可能です。
                    0.7X~ 4.5X ズーム鏡筒
0.7X~ 4.5X ショートズーム鏡筒
MSZ-0745D-DET(-INF)は 0.7X ~ 4.5X のコンパクトズーム鏡筒です。
ズーム全域において均一な同軸観察が可能です。
同軸落射照明、インナーフォーカスの有無は選択可能となっています。
MS-501S はコンバージョンレンズ、CV シリーズを鏡筒先端に取付けることでズーム倍率の変更が可能です。
〈標準装備〉
-DET : ズームダイヤル上、倍率各ポジションにメカニカルクリックを配置。倍率設定が容易なディテント機構です。
MS-501Sはディテントクリック非対応です。
〈オプション〉
-INF : 鏡筒内にフォーカス微調節機能を追加したインナーフォーカス仕様
INF(インナーフォーカス)によるフォーカス量は90°回転で±1.5mmです。
MS-501Sはインナーフォーカス非対応です。
M-501S : コンバージョンレンズ、CVシリーズ装着によって、ズーム倍率の変更が可能です。
CVシリーズ装着時はWDが変わります。
その他 : カスタム対応にて他の倍率設定にも検討可能です。
| 型式 | MSZ-0745-DET | MSZ-0745-DET-INF | MSZ-0745D-DET | MSZ-0745D-DET-INF | MS-501S | 
|---|---|---|---|---|---|
| 倍率 | 0.7X-4.5X | 0.7X-4.5X | 0.7X-4.5X | 0.7X-4.5X | 0.7X-4.5X | 
| 同軸照明 | - | - | ○ | ○ | - | 
| 作動距離 | 92.3mm | 92.3mm | 92.3mm | 92.3mm | 90mm | 
| 被写界深度 | 1.8mm-0.13mm | 1.8mm-0.13mm | 1.8mm-0.13mm | 1.8mm-0.13mm | 1.8mm-0.13mm | 
| ディストーション | 0.50-0.10% | 0.50-0.10% | 0.50%-0.10% | 0.50%-0.10% | 0.50%-0.10% | 
| 中心解像力 | 86LP/mm-204LP/mm | 86LP/mm-204LP/mm | 86LP/mm-204LP/mm | 86LP/mm-204LP/mm | 86LP/mm-204LP/mm | 
| 分解能 | 11.6μm-4.9μm | 11.6μm-4.9μm | 11.6μm-4.9μm | 11.6μm-4.9μm | 11.6μm-4.9μm | 
| N.A. | 0.029-0.069 | 0.029-0.069 | 0.029-0.069 | 0.029-0.069 | 0.029-0.069 | 
| 実効F | 12.8-32.6 | 12.8-32.6 | 12.8-32.6 | 12.8-32.6 | 12.8-32.6 | 
| マウント | Cマウント | Cマウント | Cマウント | Cマウント | Cマウント | 
| 対応デバイスサイズ | 1/2インチ以下 | 1/2インチ以下 | 1/2インチ以下 | 1/2インチ以下 | 2/3インチ以下 | 
| ディテントクリック | ○ | ○ | ○ | ○ | - | 
| 付属品 | 0.89mm六角レンチ | 0.89mm六角レンチ | 0.89mm六角レンチ | 0.89mm六角レンチ | 0.89mm六角レンチ | 
| 重量 | 440g | 470g | 470g | 500g | 385g | 

低倍ズーム鏡筒
1インチカメラ対応 0.275X~ 0.55Xテレセントリックズーム鏡筒
2/3インチカメラ対応 0.55X~ 3.6Xズーム鏡筒
1/2インチカメラ対応 0.37X~ 2.23Xズーム鏡筒
FZX-2855は1インチカメラに対応したテレセントリックズームレンズです。
低ディストーションで視野全域で高解像度観察が可能です。
MS-05536Z-DとMSZ-03722LWD-DETはそれぞれ2/3インチ、1/2インチカメラに対応しており、
ズーム全域において均一な同軸観察が可能です。
倍率設定ではクリック式を採用しております。(MSZ-03722LWD-DETのみ)
                    2/3インチカメラ対応 0.55X~ 3.6Xズーム鏡筒
1/2インチカメラ対応 0.37X~ 2.23Xズーム鏡筒
FZX-2855は1インチカメラに対応したテレセントリックズームレンズです。
低ディストーションで視野全域で高解像度観察が可能です。
MS-05536Z-DとMSZ-03722LWD-DETはそれぞれ2/3インチ、1/2インチカメラに対応しており、
ズーム全域において均一な同軸観察が可能です。
倍率設定ではクリック式を採用しております。(MSZ-03722LWD-DETのみ)
| 型式 | FXZ-2855 | MS-05536Z-D | MSZ-03722LWD-DET | 
|---|---|---|---|
| 倍率 | 0.275X-0.55X | 0.55X-3.6X | 0.37X-2.23X | 
| 同軸照明 | - | ○ | ○ | 
| 作動距離 | 150mm | 263.5mm | 195mm | 
| 被写界深度 | 5.04mm-1.48mm | 1.82mm-0.24mm | 9.99mm-0.6mm | 
| 分解能 | 13.6μm-8.1μm | 27.3μm-9.9μm | 23μm-9.3μm | 
| N.A. | 0.0245-0.0414 | 0.012-0.034 | 0.04-0.043 | 
| ディストーション | <0.001% | 0.22%-0.18% | 0.79%-0.26% | 
| 実効F | 5.6-6.6 | 40.7-14.8 | 17.1-37.6 | 
| 物体側テレセントリック | ○ | - | - | 
| マウント | Cマウント | Cマウント | Cマウント | 
| 対応デバイスサイズ | 1インチ以下 | 2/3インチ以下 | 1/2インチ以下 | 
| ディテントクリック | - | - | ○ | 
| 付属品 | - | 0.89mm六角レンチ | 0.89mm六角レンチ | 
| 重量 | 700g | 620g | 680g | 
| カタログ | 2024Catalog_P19.pdf | 
|---|---|
| 外観図DXF | |
| 外観図3D | 

6xズーム/直角ズーム
ズーム鏡筒
直角ズーム鏡筒
同軸ズーム鏡筒
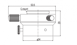
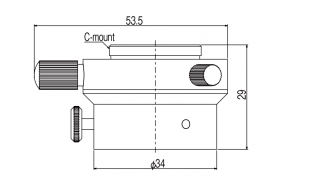
0.75X ~4.5XのC-マウント対応の標準ズーム鏡筒になります。
様々な使用条件に応じて4種類の中からお選びいただけます。
MS-502-F40は同軸落斜照明によりガラス基板上の蒸着パターンや
半導体のエッチングされたパターンなどの観察に最適です。
※倍率ごとの仕様はカタログページをご参照下さい。
                    直角ズーム鏡筒
同軸ズーム鏡筒
0.75X ~4.5XのC-マウント対応の標準ズーム鏡筒になります。
様々な使用条件に応じて4種類の中からお選びいただけます。
MS-502-F40は同軸落斜照明によりガラス基板上の蒸着パターンや
半導体のエッチングされたパターンなどの観察に最適です。
※倍率ごとの仕様はカタログページをご参照下さい。
| 型式 | MS-501 | MS-507 | MS-502-F40 | 
|---|---|---|---|
| 倍率 | 0.75X-4.5X | 0.75X-4.5X | 0.75X-4.5X | 
| 作動距離 | 90mm | 90mm | 90mm | 
| 被写界深度 | 1.8mm-129μm | 1.8mm-129μm | 1.8mm-129μm | 
| ディストーション | 0.5%-0.1% | 0.5%-0.1% | 0.5%-0.1% | 
| 解像力 | 86LP/mm-204LP/mm | 86LP/mm-204LP/mm | 86LP/mm-204LP/mm | 
| 分解能 | 11.6μm-4.9μm | 11.6μm-4.9μm | 11.6μm-4.9μm | 
| N.A. | 0.029-0.069 | 0.029-0.069 | 0.029-0.069 | 
| 実効F | 12.8-32.6 | 12.8-32.6 | 12.8-32.6 | 
| 同軸照明有効範囲 | 0.75X~4.5X | 0.75X~4.5X | 1.8X~4.5X 1.8倍以下では視野の四隅に照明のケレラが生じます。透過照明・斜光照明の場合は0.75X からご使用いただけます。 | 
| 接眼視野数(10X) | Ф25.3mm-Ф4.2mm | Ф25.3mm-Ф4.2mm | Ф25.3mm-Ф4.2mm | 
| マウント | Cマウント | Cマウント | Cマウント | 
| 対応デバイスサイズ | 2/3インチ以下 | 2/3インチ以下 | 2/3インチ以下 | 
| 重量 | 400g | 550g | 800g | 
| 付属品 | 0.89mm六角レンチ 1個 | 0.89mm六角レンチ 1個 | 0.89mm六角レンチ 1個 /フロストフィルター F20-W | 
| カタログ | 2018Catalog_P20.pdf | 
|---|---|
| 外観図3D | 

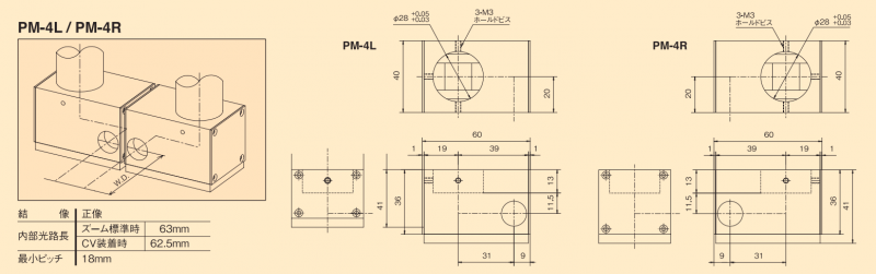
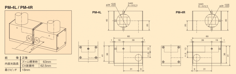
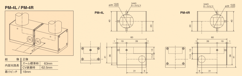
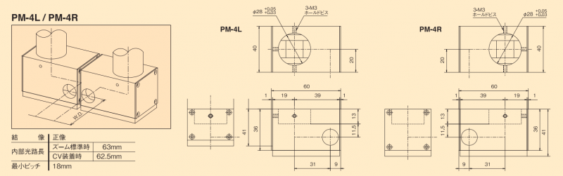
ズーム用プリズムマウント
ズーム鏡筒用直角プリズム
ズーム鏡筒用2直角プリズム
ズーム対応PMシリーズ
ズーム鏡筒用直角プリズム
光路を90度折り曲げることができ、上方向にスペースがない場合に有効です。
ズーム鏡筒用2直角プリズム
微小ワークの2点間のピッチを見るのに有効です。
                    ズーム鏡筒用2直角プリズム
ズーム対応PMシリーズ
ズーム鏡筒用直角プリズム
光路を90度折り曲げることができ、上方向にスペースがない場合に有効です。
ズーム鏡筒用2直角プリズム
微小ワークの2点間のピッチを見るのに有効です。
| 型式 | PM未装着時のWD | PM-2 | PM-3 | PM-5 | PM-4R | PM-4L | 
|---|---|---|---|---|---|---|
| 片側ピッチ | - | 10mm | 8.5mm | 5mm | 9mm | 9mm | 
| 標準時 | 90mm | 55mm | 41.5mm | 42mm | 27mm | 27mm | 
| CV-025装着時 | 300mm | - | - | - | - | - | 
| CV-05装着時 | 180mm | 151.5mm | 138mm | 138.5mm | 117.5mm | 117.5mm | 
| CV-075装着時 | 120mm | 91.5mm | 78mm | 78.5mm | 57.5mm | 57.5mm | 
| CV-15装着時 | 54mm | 25.5mm | 12mm | 12.5mm | - | - | 
| CV-20装着時 | 36mm | 7.5mm | - | - | - | - | 
| 型式 | PM-2 | PM-3 | PM-5 | PM-4R/L | 
|---|---|---|---|---|
| 内部光路長 | 35mm | 48.5mm | 48mm | 63mm | 
| CV取付時内部光路長 | 28.5mm | 42mm | 41.5mm | 62.5mm | 
| 重量 | 73g | 132g | 110g | 185g | 
| カタログ | 2024Catalog_P21.pdf | 
|---|---|
| 外観図3D | 

コンバージョンレンズ
低倍・高倍に簡単に変更でき、WDも変更できます。
※対応ズーム鏡筒:MS-501/MS-501S/MS-507/MS-502-F40
                    ※対応ズーム鏡筒:MS-501/MS-501S/MS-507/MS-502-F40

エクステンダーレンズ
カメラマウント(Cマウント)に装着し倍率を上げることができます。
1.5x、2xの2種類からお選びください。
                    1.5x、2xの2種類からお選びください。

芯出しC-マウントアダプター
レンズに搭載する撮像カメラのセンサー位置の微調整が可能なCマウントアダプタです。
ズームレンズを使用する際にはレンズの光軸とカメラのセンサー中心の位置合わせを行うことで、ズーム変倍時の視野のズレを抑えることができます。
                    ズームレンズを使用する際にはレンズの光軸とカメラのセンサー中心の位置合わせを行うことで、ズーム変倍時の視野のズレを抑えることができます。

カラーフィルター
※1 F20シリーズ イルミネーター部差込用
※2 CMシリーズ Cマウントアダブタ装着用
                    ※2 CMシリーズ Cマウントアダブタ装着用
| 型式 ※1 | 型式 ※2 | |
|---|---|---|
| F20-R60 | R60 | - | 
| F20-G533 | G533 | - | 
| F20-B410 | B410 | - | 
| F20-Y48 | Y48 | - | 
| F20-B390 | B390 | - | 
| F20-G530 | G530 | - | 
| F20-CM500S | CM500S | 赤外線光をカットしコントラストを上昇させます。 | 
| F20-PL | PL | 偏光フィルターは乱反射を防ぎ効果的な照明を得ることができます。 | 
| F20-W | - | 拡散フィルター | 

高倍率12Xズーム
高倍率マニュアルズーム鏡筒 MS-12Zシリーズ
高倍率電動ズーム鏡筒 MS-12AZシリーズ
ズーム比12倍の高倍ズーム鏡筒です。
対物レンズと組み合わせて使用することで高倍率、高分解能を実現します。
対物レンズを選べるので、3パターンの倍率設定で幅広い視野をカバーできます。
ズーム機構は手動タイプ、電動タイプを用意。
卓上用途から装置組み込みまで対応します。
                    高倍率電動ズーム鏡筒 MS-12AZシリーズ
ズーム比12倍の高倍ズーム鏡筒です。
対物レンズと組み合わせて使用することで高倍率、高分解能を実現します。
対物レンズを選べるので、3パターンの倍率設定で幅広い視野をカバーできます。
ズーム機構は手動タイプ、電動タイプを用意。
卓上用途から装置組み込みまで対応します。
| 型式 | MS-12Z-L1215 | MS-12Z-M2530 | MS-12Z-H450 | MS-12AZ-L1215 | MS-12AZ-M2530 | MS-12AZ-H450 | 
|---|---|---|---|---|---|---|
| 倍率 | 1.25X-15X | 2.5X-30X | 4.16X-50X | 1.25X-15X | 2.5X-30X | 4.16X-50X | 
| 作動距離 | 46.2mm | 35.25mm | 14mm | 46.2mm | 35.25mm | 14mm | 
| 焦点距離 | ±305.56μm-±6.88μm | ±76.36μm-±2.12μm | ±27.5μm-±1.36μm | ±305.56μm-±6.88μm | ±76.36μm-±2.12μm | ±27.5μm-±1.36μm | 
| 分解能 | 11.2μm-1.7μm | 5.59μm-0.93μm | 3.4μm-0.75μm | 11.2μm-1.7μm | 5.59μm-0.93μm | 3.4μm-0.75μm | 
| 開口数(N.A.) | 0.03-0.20 | 0.06-0.36 | 0.1-0.45 | 0.03-0.20 | 0.06-0.36 | 0.1-0.45 | 
| 照明方式 | 同軸落射照明 | 同軸落射照明 | 同軸落射照明 | 同軸落射照明 | 同軸落射照明 | 同軸落射照明 | 
| 対応デバイスサイズ | 1/2インチ以下 | 1/2インチ以下 | 1/2インチ以下 | 1/2インチ以下 | 1/2インチ以下 | 1/2インチ以下 | 
| マウント | Cマウント | Cマウント | Cマウント | Cマウント | Cマウント | Cマウント | 
| 重量(カメラ・除く) | 1.05kg | 1.3kg | 1.15kg | 1.4kg | 1.65kg | 1.5kg | 

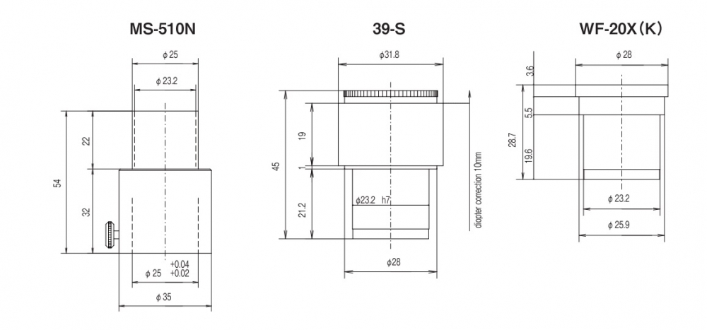
接眼レンズアダプター
C-マウントアダプターをはずして、接眼レンズによる観察が行えます。
                     
               
               
               
               
               
               
               
               
               
               
               
               
               
               
                 
               
               
                 
                 
                