微分干渉鏡筒 DIC lens tube

微分干渉鏡筒
微分干渉観察用同軸鏡筒
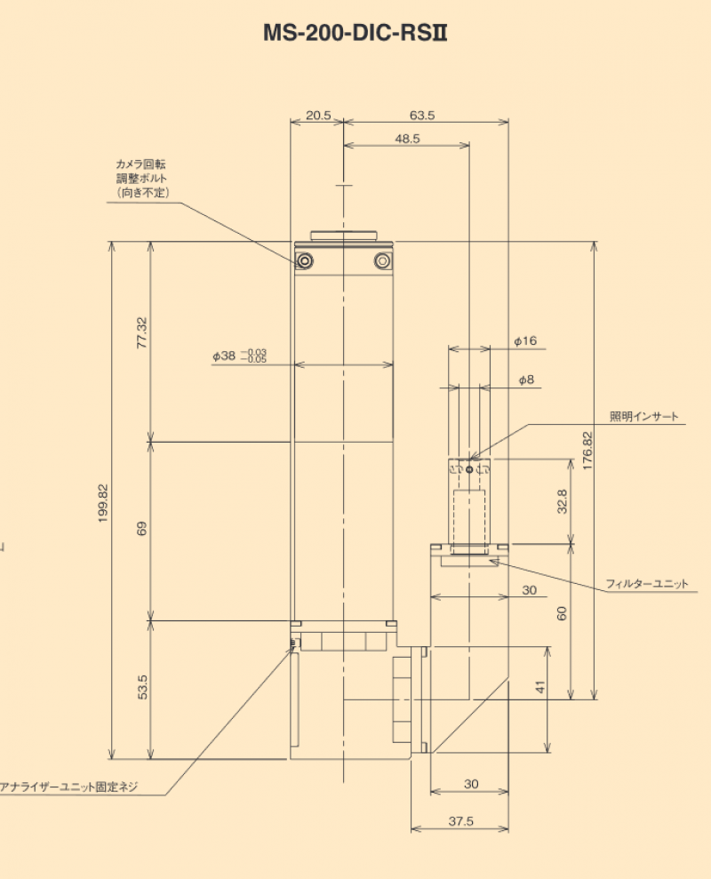
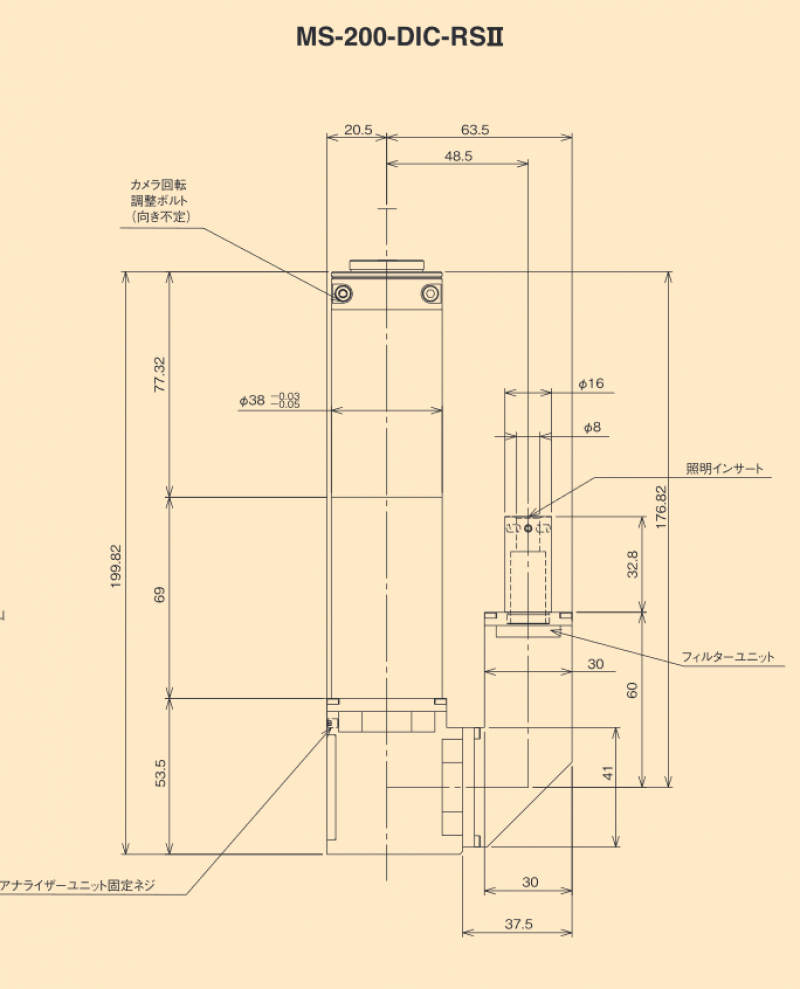
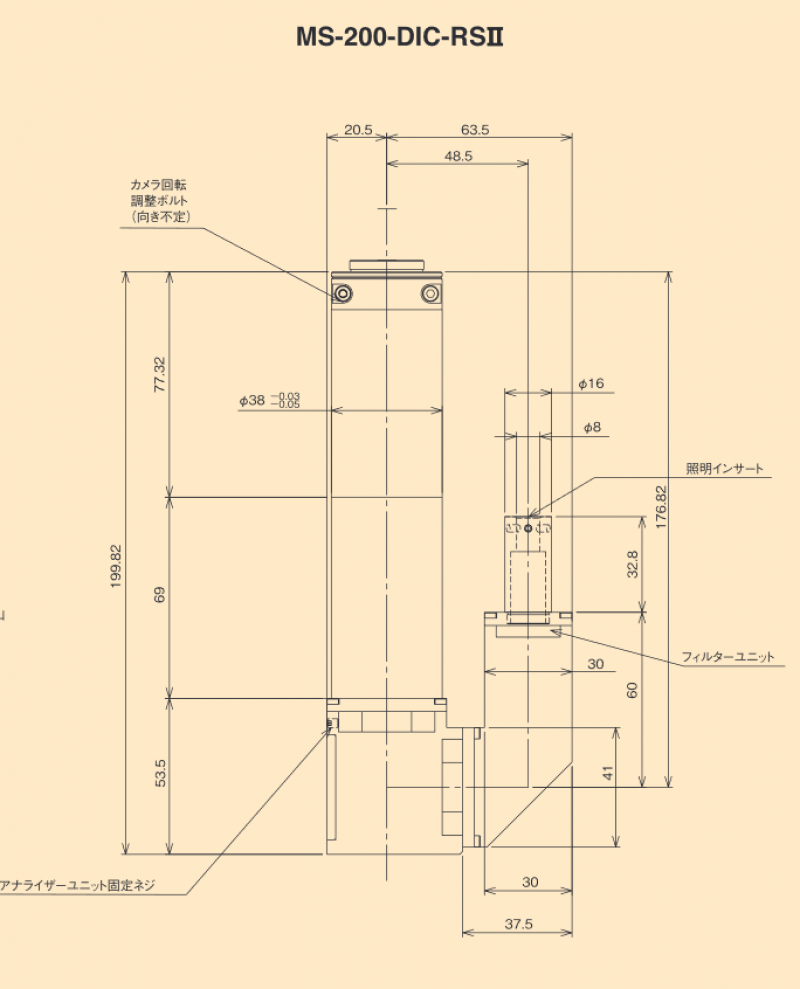
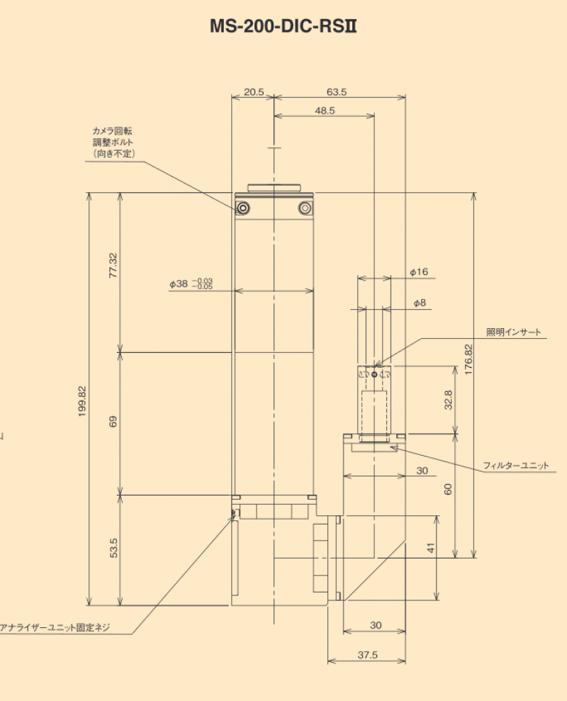
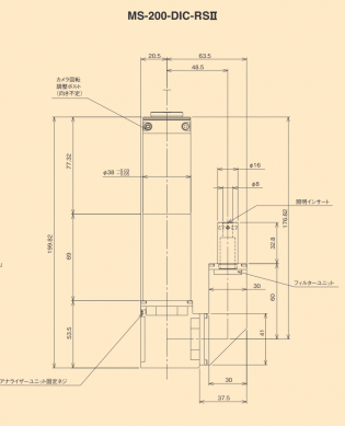
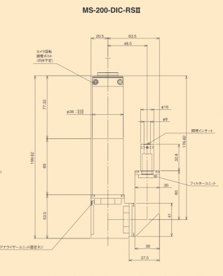
MS-200-DIC-RSⅡ
サンプル表面の微小な凹凸をコントラスをつけて観察することができます。
ポラライザ、アナライザ、ノマルスキープリズムにはロック機構が付いているため、
装置組込み用としてもご使用いただけます。
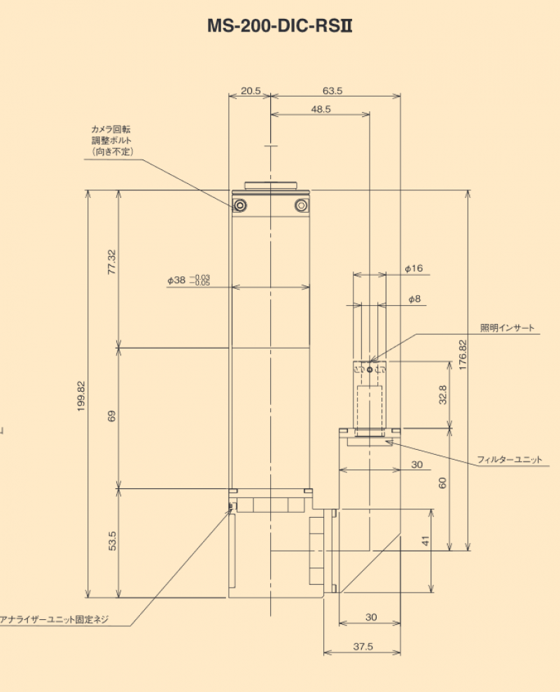
MS-200-DIC-RSⅡ
サンプル表面の微小な凹凸をコントラスをつけて観察することができます。
ポラライザ、アナライザ、ノマルスキープリズムにはロック機構が付いているため、
装置組込み用としてもご使用いただけます。
| 型式 | DICPlan2.5XRS-SB | DICPlan5XRS-SB | DICPlan10XRS-SB |
|---|---|---|---|
| 倍率 | 2.5X | 5X | 10X |
| 作動距離 | 8.8mm | 23.5mm | 17.5mm |
| 焦点距離(f) | 80 | 40 | 20 |
| N.A. | 0.075 | 0.15 | 0.30 |
| 分解能 | 4.5μm | 2.2μm | 1.1μm |
| 焦点深度(±D.F) | 48.9μm | 12μm | 3μm |
| 重量 | 約274g | 約230g | 約240g |
| カタログ | 2018Catalog_P36.pdf |
|---|---|
| 外観図PDF | |
| 外観図DXF | |
| 外観図3D |
