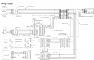
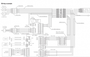
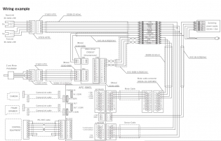
オートフォーカス Auto Focus

画像式オートフォーカス
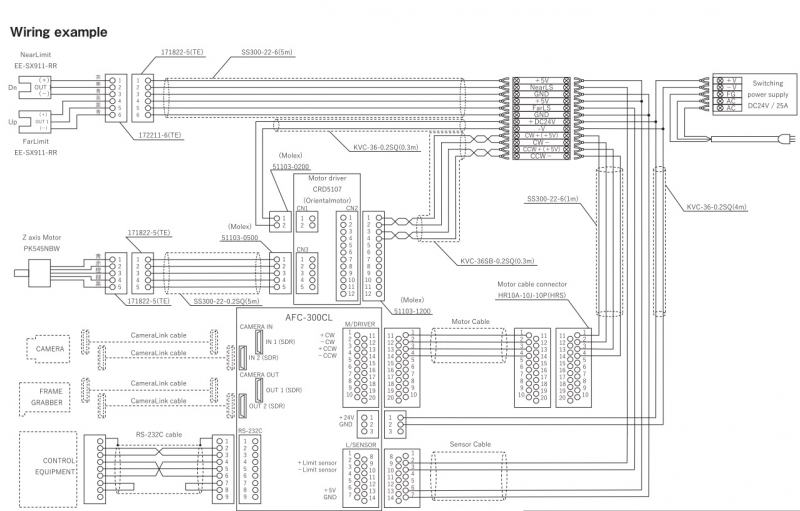
AFC-300CL
画像式オートフォーカスシステム
低反射サンプル、MEMS製品に最適な画像判別式オートフォーカスシステムです。
画像のコントラスト(輝度変化の傾斜)によりフォーカシングを行うため、
パターンのあるサンプルなど高精細な画像取り込みが可能です。
操作ソフトも清和オリジナルです。カスタマイズ対応等承っております。
画像式オートフォーカスシステム
低反射サンプル、MEMS製品に最適な画像判別式オートフォーカスシステムです。
画像のコントラスト(輝度変化の傾斜)によりフォーカシングを行うため、
パターンのあるサンプルなど高精細な画像取り込みが可能です。
操作ソフトも清和オリジナルです。カスタマイズ対応等承っております。
| Model | AFC-300CL |
|---|---|
| Camera Interface | Base 4taps / 2taps in SDR / out SDR |
| Camera Power Supply | PoCL Support |
| Focus Speed | 0.3 - 1.0 sec depends on setting |
| Focus Accuracy | less 1/3 Focal depth of objective lens |
| Motor | Stepping / Servo |
| Motor Driver | None |
| Output Frequency | Max 3MHz |
| Control | RS-232C / I/O |
| Power Supply | DC24C/1,2A |
| Dimension (mm) | 230(W)x145(D)x62(H) |
| Weight | Approx1kg |
| Accessories | Control software |
| Supported OS | Windows 10 later 32bit & 64bit |
| Monitor | 1024 x 768 over |

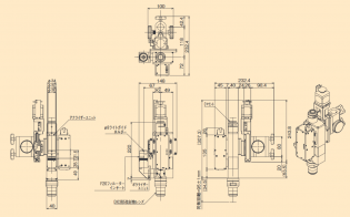
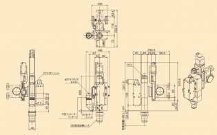
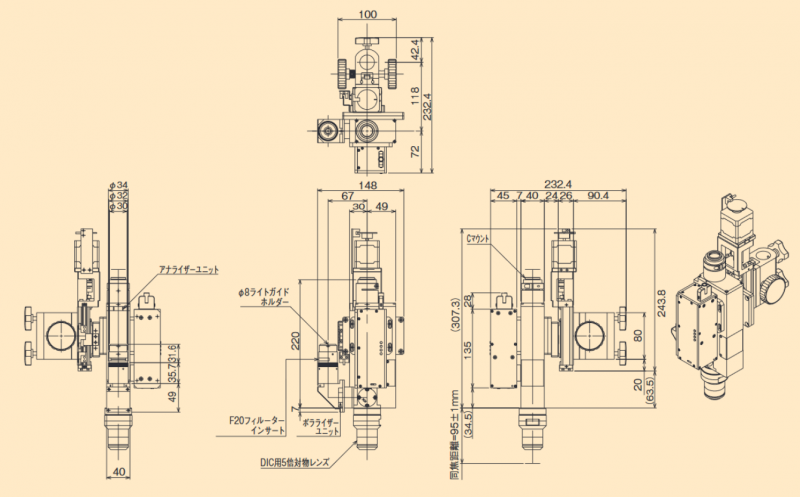
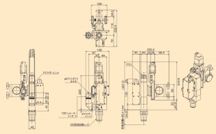
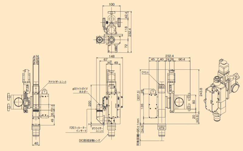
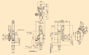
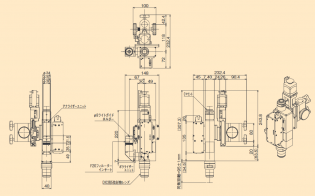
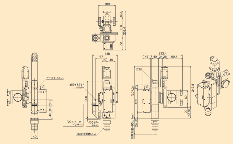
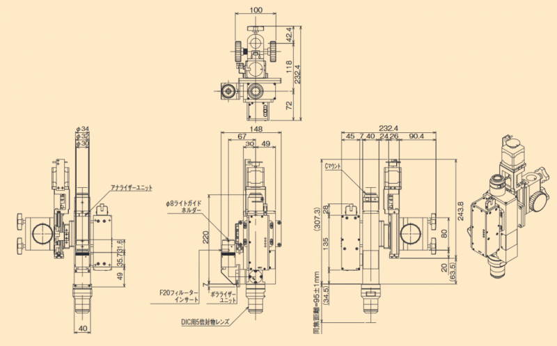
レーザー式オートフォーカス
MS-200-TWL-LAF
レーザーオートフォーカスシステム
新規搭載レーザーによりサンプリングレートが、弊社従来品と比較して約10倍速にアップグレード。
パターンに影響されない斜線式レーザーを使用しております。
ウェハ、ガラスなど高反射率サンプルの表面検査に最適です。
オプションで微分干渉(DIC)対応、3波長観察にも対応しております。
実演動画リンク(YouTube)
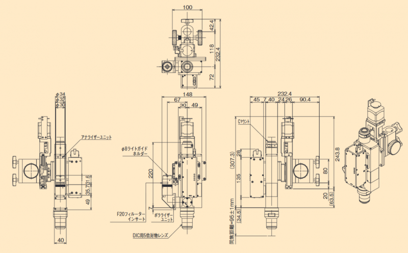
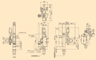
レーザーオートフォーカスシステム
新規搭載レーザーによりサンプリングレートが、弊社従来品と比較して約10倍速にアップグレード。
パターンに影響されない斜線式レーザーを使用しております。
ウェハ、ガラスなど高反射率サンプルの表面検査に最適です。
オプションで微分干渉(DIC)対応、3波長観察にも対応しております。
実演動画リンク(YouTube)
| 型式 | LAF5S-C |
|---|---|
| タイプ | 半導体レーザー |
| 半導体レーザー | 670nm |
| 安全規格 | クラス3R |
| サンプリングレート | 最大5kHz |
| 位置決め時間 | 外部トリガー式:0.2sec トラッキング式:0sec |
| カタログ | 2018Catalog_P86 |
|---|
