光学系アクセサリ

直角/2直角プリズムマウント
プリズムマウントシリーズ
直角(側視)プリズムマウント
2直角プリズムマウント
上下2視野プリズムマウント
各固定倍率鏡筒の外径に合わせて、直角(側視)プリズムマウント、2直角プリズムマウント、上下2視野プリズムマウントを取り揃えております。
※簡易的な上下2視野プリズムボックスのため、上下光軸にズレが生じます。
直角(側視)プリズムマウント
2直角プリズムマウント
上下2視野プリズムマウント
各固定倍率鏡筒の外径に合わせて、直角(側視)プリズムマウント、2直角プリズムマウント、上下2視野プリズムマウントを取り揃えております。
※簡易的な上下2視野プリズムボックスのため、上下光軸にズレが生じます。
| 型式 | MPM-2 (φ17鏡筒用) | PM-2-Ф25 (φ25鏡筒用) | PM-2-Ф29.5 (φ29.5鏡筒用) | PM-2-Ф40 (φ40鏡筒用) | MPM-5 (φ17鏡筒用) | SSB-φ17 (φ17鏡筒用) |
|---|---|---|---|---|---|---|
| 内部光路長 | 18mm | 30mm | 36mm | 44mm | 25mm | 上側:31.4mm 下側:18.2mm |

ズーム用プリズムマウント
鏡筒用直角プリズム
鏡筒用2直角プリズム
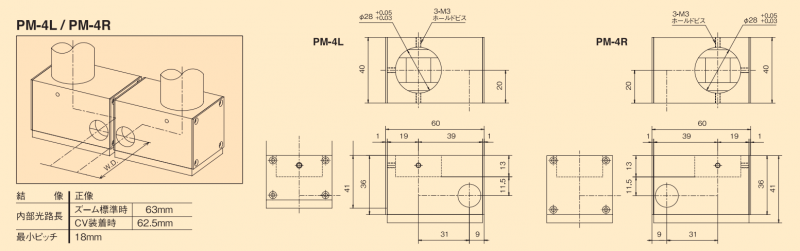
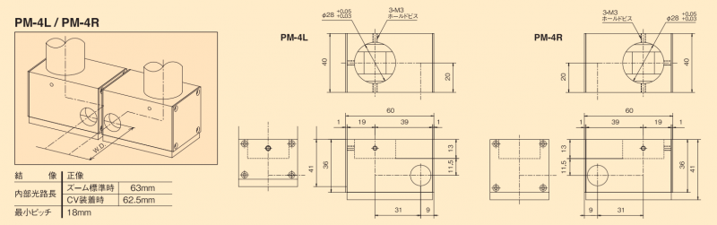
φ28ズームレンズ対応PMシリーズ
直角プリズム
光路を90度折り曲げることができ、上方向にスペースがない場合に有効です。
2直角プリズム
微小ワークの2点間のピッチを見るのに有効です。
※ズーム鏡筒以外にもご使用いただけます。
鏡筒用2直角プリズム
φ28ズームレンズ対応PMシリーズ
直角プリズム
光路を90度折り曲げることができ、上方向にスペースがない場合に有効です。
2直角プリズム
微小ワークの2点間のピッチを見るのに有効です。
※ズーム鏡筒以外にもご使用いただけます。
| 型式 | PM未装着時のWD | PM-2 (φ28鏡筒用) | PM-3 (φ28鏡筒用) | PM-5 (φ28鏡筒用) | PM-4R (φ28鏡筒用) | PM-4L (φ28鏡筒用) |
|---|---|---|---|---|---|---|
| 片側ピッチ | - | 10mm | 8.5mm | 5mm | 9mm | 9mm |
| 標準時 | 90mm | 55mm | 41.5mm | 42mm | 27mm | 27mm |
| CV-04装着時 | 195mm | 166.5mm | 153mm | 153.5mm | 132.5mm | 132.5mm |
| CV-05装着時 | 180mm | 151.5mm | 138mm | 138.5mm | 117.5mm | 117.5mm |
| CV-075装着時 | 120mm | 91.5mm | 78mm | 78.5mm | 57.5mm | 57.5mm |
| CV-15装着時 | 54mm | 25.5mm | 12mm | 12.5mm | - | - |
| CV-20装着時 | 36mm | 7.5mm | - | - | - | - |
| 重量 | - | 73g | 132g | 110g | 185g | 185g |
| カタログ | 2018Catalog_P22.pdf |
|---|---|
| 外観図3D |

コンバージョンレンズ
低倍・高倍に簡単に変更でき、WDも変更できます。
※対応ズーム鏡筒:MS-501/MS-501S/MS-507/MS-506-MS-502-F40
※対応ズーム鏡筒:MS-501/MS-501S/MS-507/MS-506-MS-502-F40

エクステンダーレンズ
鏡筒のC-マウントとカメラC-マウントの間に装着して、倍率を上げられます。
高倍に簡単に変更でき、WDは変化しません。
高倍に簡単に変更でき、WDは変化しません。

リレーレンズ
高倍に簡単に変更でき、WDは変化しません。オプションのスケールを使用することにより簡易測定が可能です。
| 型式 | RA-15 | RA-20 | RA-30 | RA-40 | RA-10C | RA-15C | RA-20C |
|---|---|---|---|---|---|---|---|
| 倍率 | 1.5X | 2X | 3X | 4X | 1X | 1.5X | 2X |
| マウント | φ25-Cマウント | φ25-Cマウント | φ25-Cマウント | φ25-Cマウント | Cマウント-Cマウント | Cマウント-Cマウント | Cマウント-Cマウント |
| WD | 変化なし | 変化なし | 変化なし | 変化なし | 変化なし | 変化なし | 変化なし |
| 倍率補正機構 | 有 | 有 | 有 | 有 | 有 | 有 | 有 |
| 光学スケール | 組込み可 | 組込み可 | 映像不可 | 映像不可 | 組込み可 | 組込み可 | 組込み可 |
| 型式 | ※オプション スケール |
|---|---|
| S32-RA | クロス |
| S34-RA | 10mm1/100 |
| S64-RA | 方眼 |
| S50-RA | 10mm1/100クロス |
| カタログ | 2018Catalog_P23.pdf |
|---|---|
| 外観図3D |

芯出しC-マウントアダプター
ズーム光軸とカメラとの芯合わせや、カメラ位置の微調などが行えます。

接眼レンズアダプター
C-マウントアダプターをはずして、接眼レンズによる観察が行えます。
カラーフィルター
アライメントマークやパターンなどのコントラストを上げるのに有効です。
※1 イルミネーター部差込用
※2 Cマウントアダブタ装着用
※1 イルミネーター部差込用
※2 Cマウントアダブタ装着用
| 型式 ※1 | 型式 ※2 | |
|---|---|---|
| F20-R60 | R60 | - |
| F20-G533 | G533 | - |
| F20-B410 | B410 | - |
| F20-Y48 | Y48 | - |
| F20-B390 | B390 | 三色分解用フィルター |
| F20-G530 | G530 | 白黒時のコントラストアップ用/三色分解用にも使用出来ます。 |
| F20-CM500S | CM500S | 赤外線光をカットしコントラストを上昇させます。 |
| F20-PL | PL | 偏光フィルターは乱反射を防ぎ効果的な照明を得ることができます。 |
| F20-W | - | 拡散フィルター |
