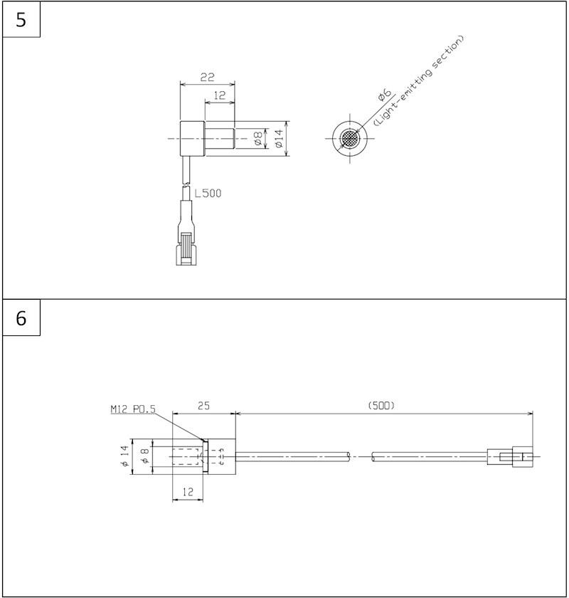
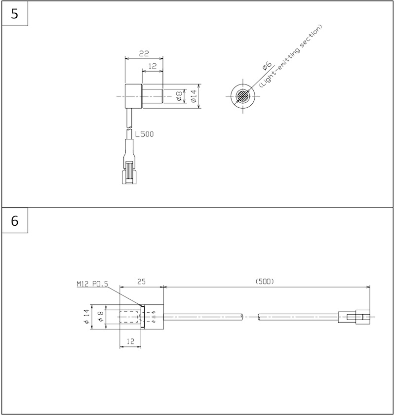
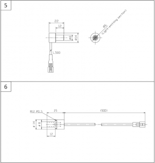
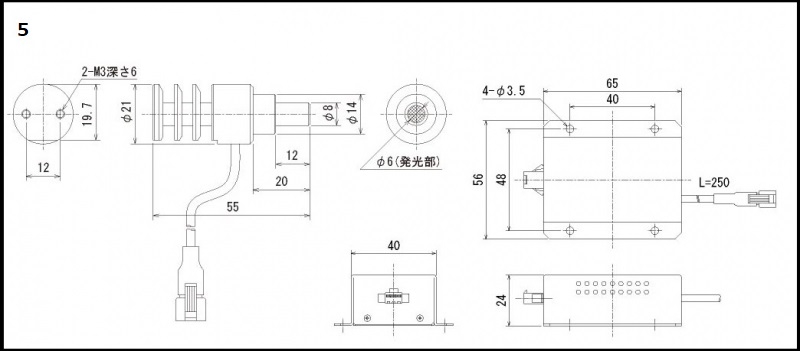
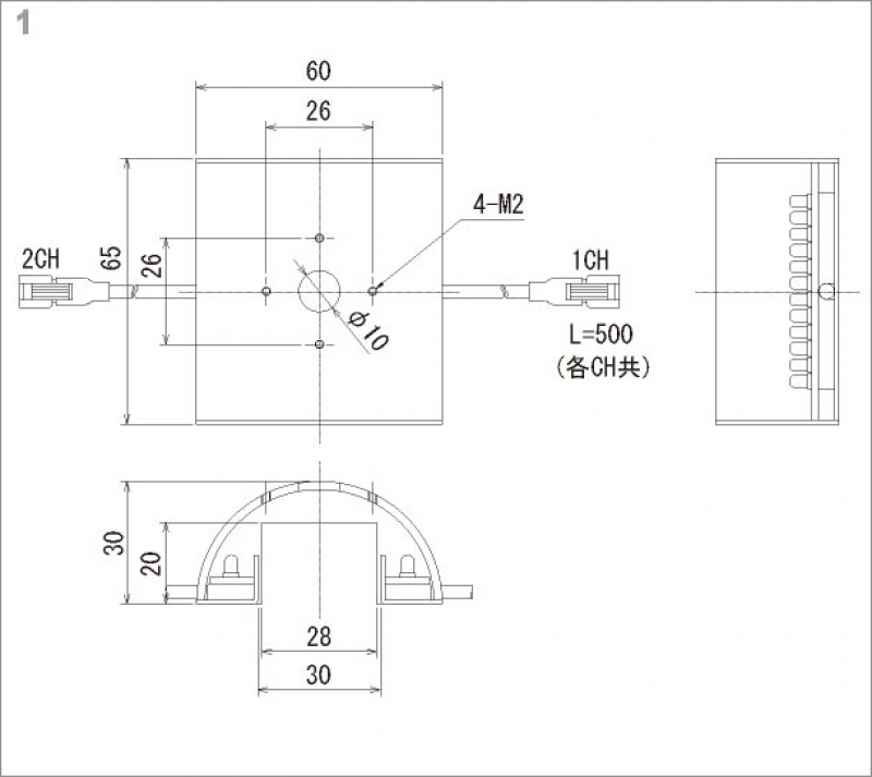
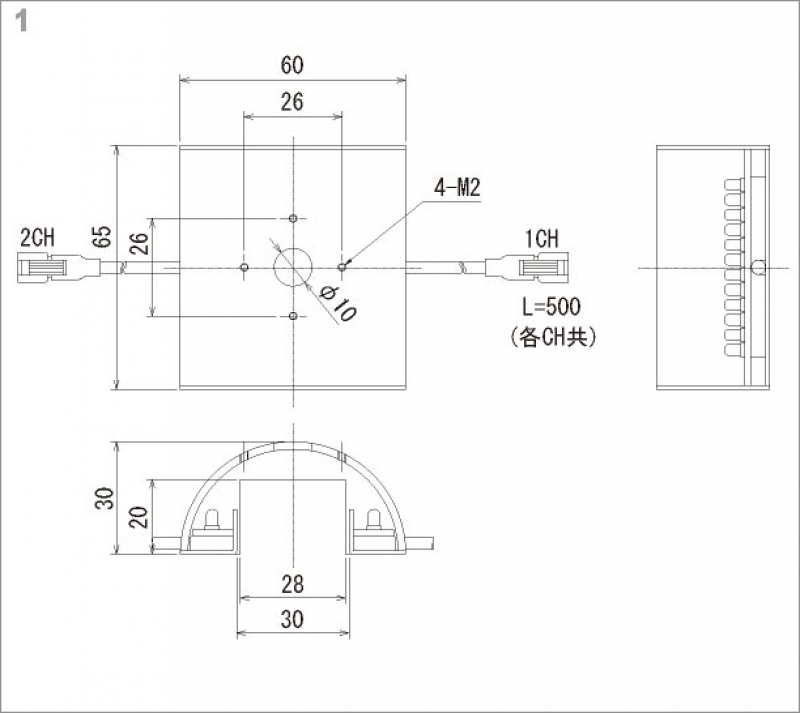
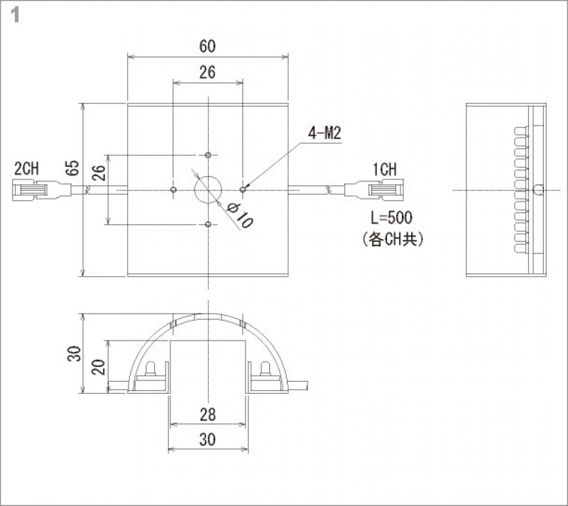
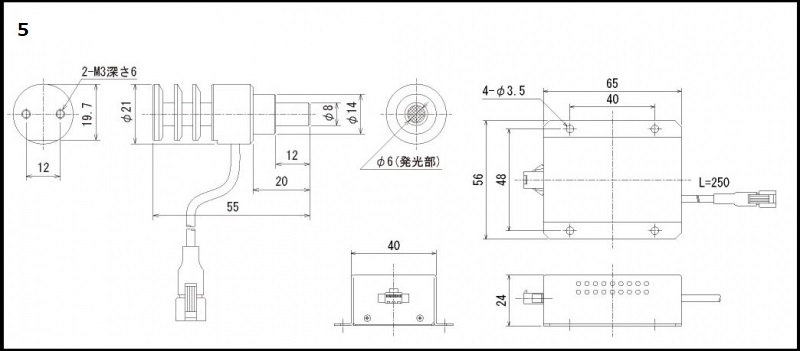
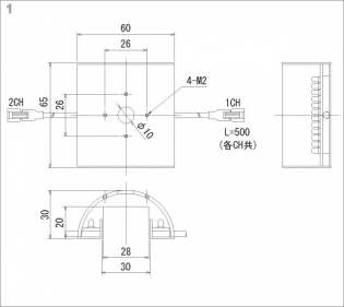
LED照明 LED Illumination

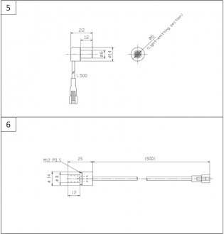
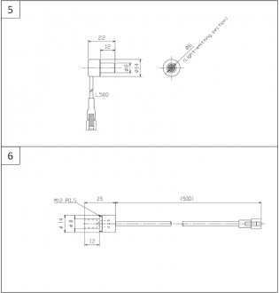
同軸スポット
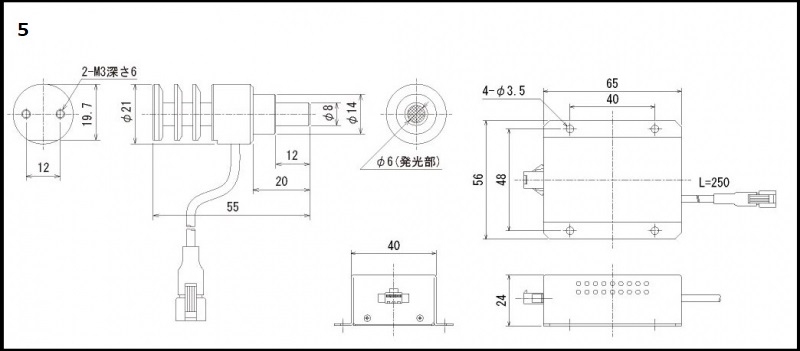
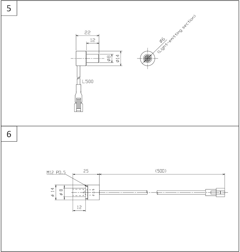
SLDHシリーズ
高輝度スポット照明
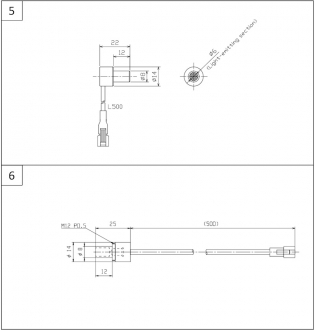
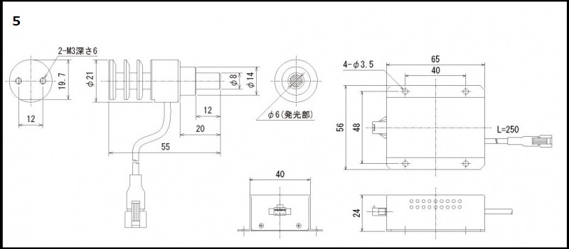
パワーLEDを使用しており、倍率3倍以上の同軸鏡筒の照明として推奨しております。
機器組込用としての用途を考慮して、外径寸法も最大21mmにして設計しております。
同軸照明以外でも、スポット照明としてもご使用いただけます。
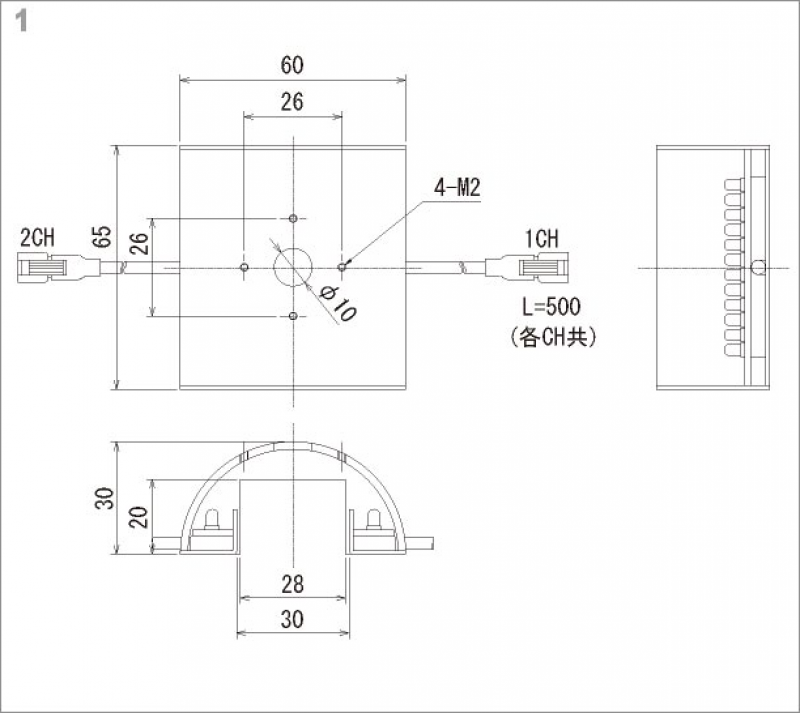
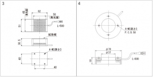
SLDシリーズ
スタンダードスポット照明
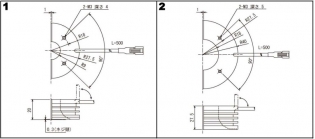
高輝度LEDを使用しており、同軸落射照明用としてご使用いただけます。
比較的光量が少なくてすむ低倍率の同軸鏡筒の照明用として最適です。
□には発光色をご指定下さい。
高輝度スポット照明
パワーLEDを使用しており、倍率3倍以上の同軸鏡筒の照明として推奨しております。
機器組込用としての用途を考慮して、外径寸法も最大21mmにして設計しております。
同軸照明以外でも、スポット照明としてもご使用いただけます。
SLDシリーズ
スタンダードスポット照明
高輝度LEDを使用しており、同軸落射照明用としてご使用いただけます。
比較的光量が少なくてすむ低倍率の同軸鏡筒の照明用として最適です。
□には発光色をご指定下さい。
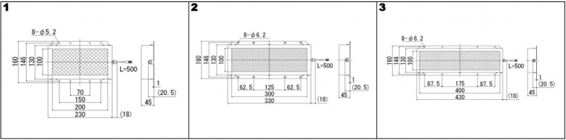
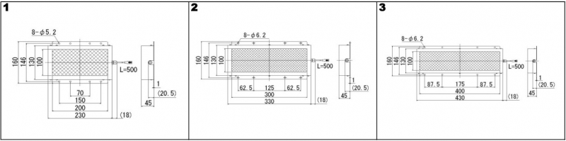
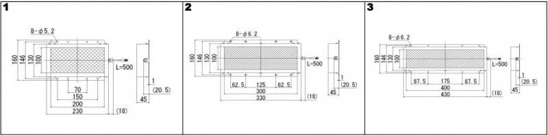
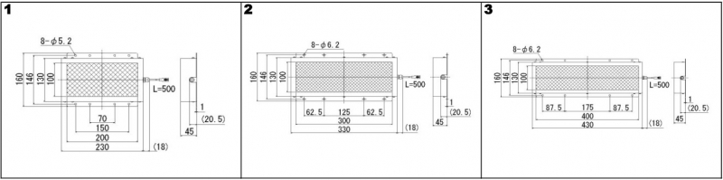
| 型式 | 発光色 | 消費電力(W) | 入力電圧 | 外形図 |
|---|---|---|---|---|
| SLDH-A20□ | ■R ■W ■B ■G ■Y | 4.5 | DC12V | 1 |
| SLDH-21□ | ■R ■W ■B ■G ■Y ■IR-1100 | 9 | 2 | |
| SLD-A30□ | ■R ■DW ■B ■G | 2 | 3 | |
| SLD-HA30□ | ■R ■W ■B ■G ■Y | 2 | 4 | |
| SLD-A14□ | ■R ■DW ■B ■G | 1 | 5 | |
| SLD-14□ | ■R ■W ■B ■G | 0.3 | 6 |
| カタログ | 2024照明機器_P40 |
|---|

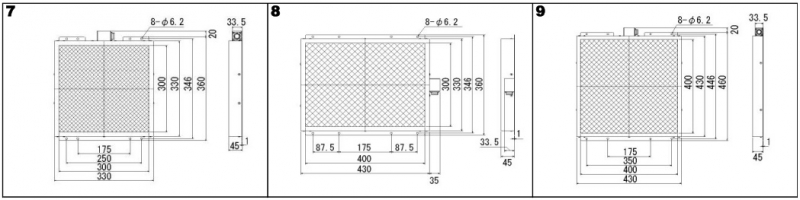
面発光同軸
SMDシリーズ
面発光同軸照明
鏡筒の先端側に配置して使用できる、面発光同軸照明です。
同軸落射の機能がない鏡筒や低倍率で広角(広視野)の鏡筒の同軸照明としてご使用いただけます。
□には発光色をご指定下さい。
※SAG値とはオーバードライブ電源における最大電圧設定値です。
面発光同軸照明
鏡筒の先端側に配置して使用できる、面発光同軸照明です。
同軸落射の機能がない鏡筒や低倍率で広角(広視野)の鏡筒の同軸照明としてご使用いただけます。
□には発光色をご指定下さい。
※SAG値とはオーバードライブ電源における最大電圧設定値です。
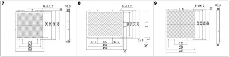
| 型式 | 発光色 | 消費電力(W) | 入力電圧 | SAG(※) | 外形図 |
|---|---|---|---|---|---|
| SMD-13□ | ■RH ■W ■B ■G | 0.8 0.6 | DC12V | 6D FF | 1 |
| SMD-20□ | ■RH ■W ■B ■G | 1.2 1.7 | C6 FF | 2 | |
| SMD-40□ | ■RH ■W ■B ■G | 3.6 3.1 | C7 FF | 3 | |
| SMD-50□ | ■RH ■W ■B ■G | 6.0 4.9 | C9 FF | 4 | |
| SMD-70□ | ■RH ■W ■B ■G | 10.2 10.1 | CC FF | 5 | |
| SMD-50F-SE | フルカラー ■R ■G ■B ■W | 5.8~17.4 (単色~全色点灯時) | |||
| SMD-70F-SE | フルカラー ■R ■G ■B ■W | 6.3~18.9 (単色~全色点灯時) |
| カタログ | 2024照明機器_P41 |
|---|

ストレート擬似同軸落射照明
SMD-STシリーズ
通常の擬似同軸落射照明に対して、L字に配置して使用する事ができます。
□には発光色をご指定下さい。
※SAG値とはオーバードライブ電源における最大電圧設定値です。
通常の擬似同軸落射照明に対して、L字に配置して使用する事ができます。
□には発光色をご指定下さい。
※SAG値とはオーバードライブ電源における最大電圧設定値です。

狭角配光擬似同軸落射照明
SMDAシリーズ
従来より明るく、平行度が高く高均一を実現した擬似同軸照明です。
□には発光色をご指定下さい。
※SAG値とはオーバードライブ電源における最大電圧設定値です。
従来より明るく、平行度が高く高均一を実現した擬似同軸照明です。
□には発光色をご指定下さい。
※SAG値とはオーバードライブ電源における最大電圧設定値です。
| 型式 | 発光色 | 消費電力(W) | 入力電圧 | SAG(※) | 外形図 |
|---|---|---|---|---|---|
| SMDB-20□ | ■R ■W ■B ■G | 4.2 4.2 4.2 4 | DC12V | FF FF FF FF | 1 |
| SMDA-20IR-850 | ■IR-850 | 2.4 | FF | ||
| SMDA-40□ | ■R ■W ■B ■G ■IR-850 | 10.5 10.5 10.5 9 7 | AA 98 98 8F FF | 2 | |
| SMDA-50□ | ■R ■W ■B ■G ■IR-850 | 14 14 14 12 11 | B9 A7 A7 A0 FF | 3 | |
| SMDA-70□ | ■R ■W ■B ■G ■IR-850 | 24 24 24 18 17 | D9 B9 B9 C2 FF | 4 | |
| SMDA-100□-24V | ■R ■W ■B ■G ■IR-850 | 32 32 32 27 24 | DC24V | - | 5 |
| SMDA-140□-24V | ■R ■W ■B | 45 45 45 | - | ||
| SMDA-200□-24V | ■R ■W ■B | 65 70 70 | - |

フラットダイレクトリング
SRFシリーズ
フラットダイレクトリング照明
高輝度LEDを平面のリング状基板に実装しており、より広い面積を照射することができます。
□には発光色をご指定下さい。
※SAG値とはオーバードライブ電源における最大電圧設定値です。
フラットダイレクトリング照明
高輝度LEDを平面のリング状基板に実装しており、より広い面積を照射することができます。
□には発光色をご指定下さい。
※SAG値とはオーバードライブ電源における最大電圧設定値です。
| 型式 | 発光色 | 消費電力(W) | 入力電圧 | SAG(※) | 外形図 |
|---|---|---|---|---|---|
| SRF-32-10□ | ■RH ■W ■B ■G | 0.8 1.1 | DC12V | C5 FF | 1 |
| SRF-43-15□ | ■RH ■W ■B ■G | 1.8 2.2 | C6 FF | 2 | |
| SRF-50-15□ | ■RH ■W ■B ■G | 3.1 3.3 | DA FF | 3 | |
| SRF-60-32□ | ■RH ■W ■B ■G | 3.6 3.6 | C7 FF | 4 | |
| SRF-70-37□ | ■RH ■W ■B ■G | 4.9 5.6 | D4 FF | 5 | |
| SRF-90-50□ | ■RH ■W ■B ■G | 7.3 6.2 | F0 FF | 6 | |
| SRF-100-50□ | ■RH ■W ■B ■G | 8.5 6.5 | FF FF | 7 | |
| SRF-110-60□ | ■RH ■W ■B ■G | 12.1 9.6 | E1 FF | 8 |
| カタログ | 2024照明機器_P42 |
|---|

ダイレクトリング
SRDシリーズ
ダイレクトリング照明
高輝度LEDを傾斜させたリング状基板に実装しており、一定距離で集光できるようになっております。
照明の設置高さを変えることで、最適な照明条件を構築できます。(注:サンプルによる)
□には発光色をご指定下さい。
※SAG値とはオーバードライブ電源における最大電圧設定値です。
ダイレクトリング照明
高輝度LEDを傾斜させたリング状基板に実装しており、一定距離で集光できるようになっております。
照明の設置高さを変えることで、最適な照明条件を構築できます。(注:サンプルによる)
□には発光色をご指定下さい。
※SAG値とはオーバードライブ電源における最大電圧設定値です。
| 型式 | 発光色 | 消費電力(W) | 入力電圧 | SAG(※) | 外形図 |
|---|---|---|---|---|---|
| SRD-38-15□ | ■RH ■W ■B ■G | 1.8 2.2 | DC12V | C6 FF | 1 |
| SRD-40-25□ | ■RH ■W ■B ■G | 1.2 1.5 | C6 FF | 2 | |
| SRD-50-28□ | ■RH ■W ■B ■G | 3.0 2.7 | C7 FF | 3 | |
| SRD-66-36□ | ■RH ■W ■B ■G | 4.3 5.4 | FF FF | 4 | |
| SRD-70-39□ | ■RH ■W ■B ■G | 4.7 5.8 | FF FF | 5 | |
| SRD-90-50□ | ■RH ■W ■B ■G | 7.1 6.5 | FF FF | 6 | |
| SRD-110-60□ | ■RH ■W ■B ■G | 9.6 9.6 | FF FF | 7 | |
| SRD-140-95□ | ■RH ■W ■B ■G | 13.9 10.8 | FF FF | 8 |
| カタログ | 2024照明機器_P42 |
|---|

ローアングル照明
SRLシリーズ
ローアングルリング照明
浅い角度からの照明により、ワーク表面の傷、凸凹をはっきり映すことができます。
□には発光色をご指定下さい。
※SAG値とはオーバードライブ電源における最大電圧設定値です。
ローアングルリング照明
浅い角度からの照明により、ワーク表面の傷、凸凹をはっきり映すことができます。
□には発光色をご指定下さい。
※SAG値とはオーバードライブ電源における最大電圧設定値です。
| 型式 | 発光色 | 消費電力(W) | 入力電圧 | SAG(※) | 外形図 |
|---|---|---|---|---|---|
| SRL-40-15□ | ■RH ■W ■B ■G | 2.1 2.2 | DC12V | D9 FF | 1 |
| SRL-50-24□ | ■RH ■W ■B ■G | 2.7 2.9 | D1 FF | 2 | |
| SRL-74-48□ | ■RH ■W ■B ■G | 5.4 5.4 | C8 FF | 3 | |
| SRL-100-68□ | ■RH ■W ■B ■G | 7.0 5.4 | FF FF | 4 | |
| SRL-120-70□ | ■RH ■W ■B ■G | 10.5 6.9 | F3 FF | 5 | |
| SRL-140-108□ | ■RH ■W ■B ■G | 11.9 8.0 | F4 FF | 6 | |
| SRL-200-170□ | ■RH ■W ■B ■G | 18.4 18.9 | F0 FF | 7 |
| カタログ | 2024照明機器_P43 |
|---|

リングLED取付けアダプタ
鏡筒先端部とリングLED照明をつなぐための取付アダプタを各種取り揃えております。
設置条件に合わせてカスタマイズで製作もいたします。
設置条件に合わせてカスタマイズで製作もいたします。
| 型式 | 対応鏡筒径 | 対応取付タップP.C.D. | 対応リングLED | |
|---|---|---|---|---|
| RAD-Φ17-2832 | φ17 | 28~32 | SRF-43-15 | SRD-38-15 SRD-40-25 |
| RAD-Φ17-3540 | φ17 | 35~40 | SRF-50-15 ※φ17鏡筒のみ対応 | SRD-50-28 |
| RAD-Φ25-3540 | Φ25 | |||
| RAD-Φ29.5-3540 | Φ29.5 | |||
| RAD-Φ17-4550 | φ17 | 45~50 | SRF-60-32 SRF-70-37 | SRD-66-36 SRD-70-39 |
| RAD-Φ25-4550 | Φ25 | |||
| RAD-Φ29.5-4550 | Φ29.5 | |||
| RAD-Φ17-70 | φ17 | 70 | SRF-90-50 SRF-100-50 | SRD-90-50 |
| RAD-Φ25-70 | Φ25 | |||
| RAD-Φ29.5-70 | Φ29.5 | |||
| RAD-Φ17-85 | φ17 | 85 | SRF-110-60 | SRD-110-60 |
| RAD-Φ25-85 | Φ25 | |||
| RAD-Φ29.5-85 | Φ29.5 |

マルチポジションリング照明
SRMシリーズ
マルチポジションリング照明
照射距離を変えることで幅広い用途に対応できます。
高輝度LEDを高密度に集約した、均一で非常に明るい照明です。
□には発光色をご指定下さい。
※SAG値とはオーバードライブ電源における最大電圧設定値です。
マルチポジションリング照明
照射距離を変えることで幅広い用途に対応できます。
高輝度LEDを高密度に集約した、均一で非常に明るい照明です。
□には発光色をご指定下さい。
※SAG値とはオーバードライブ電源における最大電圧設定値です。

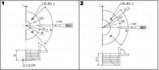
マルチポジションリング照明(8分割)
SRM-8chシリーズ
マルチポジションリング照明(8分割)
8分割からの照射が自在な多チャンネルモデル。
凹凸ワークの外観検査に適しています。
□には発光色をご指定下さい。
※SAG値とはオーバードライブ電源における最大電圧設定値です。
マルチポジションリング照明(8分割)
8分割からの照射が自在な多チャンネルモデル。
凹凸ワークの外観検査に適しています。
□には発光色をご指定下さい。
※SAG値とはオーバードライブ電源における最大電圧設定値です。

マルチポジションリング照明(防塵防水仕様)
SRMシリーズ
マルチポジションリングから防塵防水タイプが登場しました。
□には発光色をご指定下さい。
※SAG値とはオーバードライブ電源における最大電圧設定値です。
マルチポジションリングから防塵防水タイプが登場しました。
□には発光色をご指定下さい。
※SAG値とはオーバードライブ電源における最大電圧設定値です。

マルチポジションリング照明(半分割)
SRM-CTシリーズ
マルチポジションリング照明(半分割)
ワーク形状・設置環境に合わせたライティングが可能です。
円筒形など、曲面のワークに適しています。
□には発光色をご指定下さい。
※SAG値とはオーバードライブ電源における最大電圧設定値です。
マルチポジションリング照明(半分割)
ワーク形状・設置環境に合わせたライティングが可能です。
円筒形など、曲面のワークに適しています。
□には発光色をご指定下さい。
※SAG値とはオーバードライブ電源における最大電圧設定値です。

NEOリング照明
SHRB・SHRAシリーズ
NEOリング照明
高輝度・広範囲のリング照明です。
従来品と比較し、明るさが1.7倍~4.9倍のタイプです。
□には発光色をご指定下さい。
※SAG値とはオーバードライブ電源における最大電圧設定値です。
NEOリング照明
高輝度・広範囲のリング照明です。
従来品と比較し、明るさが1.7倍~4.9倍のタイプです。
□には発光色をご指定下さい。
※SAG値とはオーバードライブ電源における最大電圧設定値です。

水平対向リング照明
SRVAシリーズ
水平対向リング照明
水平方向からの照射で凸凹を強調。
ワーク面に対し、至近距離からでも均一の照射が可能です。
□には発光色をご指定下さい。
※SAG値とはオーバードライブ電源における最大電圧設定値です。
水平対向リング照明
水平方向からの照射で凸凹を強調。
ワーク面に対し、至近距離からでも均一の照射が可能です。
□には発光色をご指定下さい。
※SAG値とはオーバードライブ電源における最大電圧設定値です。
| 型式 | 発光色 | 消費電力(W) | 入力電圧 | SAG(※) | 外形図 |
|---|---|---|---|---|---|
| SRVA-78-46□ | ■R ■W ■B ■G | 2.4 2.9 | DC12V | C6 FF | 1 |
| SRVA-84-54□ | ■R ■W ■B ■G | 3 2.9 | C7 FF | 2 | |
| SRVA-98-60□ | ■R ■W ■B ■G | 3.6 | C7 FF | 3 | |
| SRVA-122-92□ | ■R ■W ■B ■G | 4.2 4.7 | C8 FF | 4 | |
| SRVA-152-114□ | ■R ■W ■B ■G | 5.4 5.8 | C8 FF | 5 | |
| SRVA-176-40□ | ■R ■W ■B ■G | 7.2 | CA FF | 6 | |
| SRVA-206-170□ | ■R ■W ■B ■G | 8.4 8.7 | CA FF | 7 | |
| SRVA-450-400□ | ■R ■W ■B ■G | 11.6 17.3 | - | 8 |

無影リング照明
SFRシリーズ
無影リング照明
やわらかい照射で光沢ワークや凹凸ワークを均一に照射します。
間接的な光を照射することで、ハレーションを抑えることができます。
□には発光色をご指定下さい。
※SAG値とはオーバードライブ電源における最大電圧設定値です。
無影リング照明
やわらかい照射で光沢ワークや凹凸ワークを均一に照射します。
間接的な光を照射することで、ハレーションを抑えることができます。
□には発光色をご指定下さい。
※SAG値とはオーバードライブ電源における最大電圧設定値です。

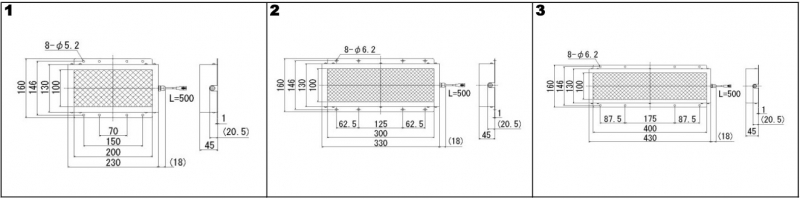
ダイレクトバー
SBRシリーズ
ダイレクトバー照明
高輝度LEDを平面基板に実装しており、ダイレク卜に照射させております。
拡散板を併用することで均一で高輝度な照明としてご使用いただけます。
斜光照明用、バックライト用など、様々な用途で豊富なラインナップよりお選びいただけます。
□には発光色をご指定下さい。
※SAG値とはオーバードライブ電源における最大電圧設定値です。
ダイレクトバー照明
高輝度LEDを平面基板に実装しており、ダイレク卜に照射させております。
拡散板を併用することで均一で高輝度な照明としてご使用いただけます。
斜光照明用、バックライト用など、様々な用途で豊富なラインナップよりお選びいただけます。
□には発光色をご指定下さい。
※SAG値とはオーバードライブ電源における最大電圧設定値です。
| 型式 | 発光色 | 拡散板 | 消費電力(W) | 入力電圧 | SAG(※) | 外形図 |
|---|---|---|---|---|---|---|
| SBR-11-14□ | ■RH ■W ■B ■G | 無 | 0.3 0.4 | DC12V | C5 FF | 1 |
| SBR-15-26□S | ■RH ■W ■B ■G | 有 | 0.6 1.1 | C5 FF | 2 | |
| SBR-27-34□ | ■RH ■W ■B ■G | 無 | 2.4 2.9 | C6 FF | 3 | |
| SBR-70-75□S | ■RH ■W ■B ■G | 有 | 10.2 10.1 | CC FF | 4 | |
| SBR-25-25□S | ■RH ■W ■B ■G | 有 | 1.8 2.2 | C6 FF | 5 | |
| SBR-50-15□ | ■RH ■W ■B ■G | 無 | 1.8 2.2 | C6 FF | 6 | |
| SBR-100-11□ | ■RH ■W ■B ■G | 無 | 2.4 2.9 | C6 FF | 7 | |
| SBR-140-11□ | ■RH ■W ■B ■G | 無 | 4.2 4.4 | C8 FF | 8 | |
| SBR-132-15□ | ■RH ■W ■B ■G | 無 | 5.4 5.8 | C8 FF | 9 | |
| SBR-72-24□ | ■RH ■W ■B ■G | 無 | 5.4 4.4 | C8 FF | 10 | |
| SBR-50-50□S | ■RH ■W ■B ■G | 有 | 6.4 5.4 | EF FF | 11 | |
| SBR-15-200□S | ■RH ■W ■B ■G | 有 | 8.4 8.9 | CA FF | 12 | |
| SBR-185-30□S | ■RH ■W ■B ■G | 有 | 13.2 13 | CE FF | 13 | |
| SBR-300-24□S | ■RH ■W ■B ■G | 有 | 20.2 25.6 | CE DC | 14 |
| カタログ | 2024照明機器_P44 |
|---|

幅広バー照明
SBR-HMシリーズ
幅広バー照明
発光面幅40mmの幅広バー照明
高輝度仕様と高均一仕様の2種類をご用意しております。
型式□■部には以下仕様が入ります。
□:発光色(R=赤、W=白、B=青)
■:高均一仕様の場合(-S)
幅広バー照明
発光面幅40mmの幅広バー照明
高輝度仕様と高均一仕様の2種類をご用意しております。
型式□■部には以下仕様が入ります。
□:発光色(R=赤、W=白、B=青)
■:高均一仕様の場合(-S)
| 型式 | 発光色 | 消費電力(W) | 入力電圧 | 外形図 |
|---|---|---|---|---|
| SBR-HM100□■ | ■R ■W ■B | 1010 | DC24V | 1 (n=1) |
| SBR-HM200□■ | ■R ■W ■B | 20 | 1 (n=2) | |
| SBR-HM300□■ | ■R ■W ■B | 30 | 1 (n=3) | |
| SBR-HM400□■ | ■R ■W ■B | 40 | 1 (n=4) | |
| SBR-HM500□■ | ■R ■W ■B | 50 | 1 (n=5) | |
| SBR-HM600□■ | ■R ■W ■B | 60 | 1 (n=6) | |
| SBR-HM700□■ | ■R ■W ■B | 70 | 1 (n=7) | |
| SBR-HM800□■ | ■R ■W ■B | 80 | 2 (n=8) | |
| SBR-HM900□■ | ■R ■W ■B | 90 | 2 (n=9) | |
| SBR-HM1000□■ | ■R ■W ■B | 100 | 2 (n=10) | |
| SBR-HM1100□■ | ■R ■W ■B | 110 | 2 (n=11) | |
| SBR-HM1200□■ | ■R ■W ■B | 120 | 2 (n=12) | |
| SBR-HM1300□■ | ■R ■W ■B | 130 | 2 (n=13) | |
| SBR-HM1400□■ | ■R ■W ■B | 140 | 2 (n=14) |

高均一バー照明
SBR-HMSシリーズ
高均一バー照明
筐体サイズ30mm×2mm~、発光面幅18mmx50mm(~1200mmまで可)の小型万能型バー照明です。
型式□■部には以下仕様が入ります。
□:発光色(R=赤、W=白、B=青)
■:高均一仕様の場合(-S)
高均一バー照明
筐体サイズ30mm×2mm~、発光面幅18mmx50mm(~1200mmまで可)の小型万能型バー照明です。
型式□■部には以下仕様が入ります。
□:発光色(R=赤、W=白、B=青)
■:高均一仕様の場合(-S)
| 型式 | 発光色 | 消費電力(W) | 入力電圧 | 外形図 |
|---|---|---|---|---|
| SBR-HMS50□■ | ■R ■W ■B | 3.6 4 | DC12V | 1 (n=1) |
| SBR-HMS100□■ | ■R ■W ■B | 7.2 8 | 1 (n=2) | |
| SBR-HMS150□■ | ■R ■W ■B | 10.8 12 | 1 (n=3) | |
| SBR-HMS200□■ | ■R ■W ■B | 14.4 16 | 1 (n=4) | |
| SBR-HMS250□■ | ■R ■W ■B | 18 20 | 1 (n=5) | |
| SBR-HMS300□■ | ■R ■W ■B | 21.6 24 | 1 (n=6) | |
| SBR-HMS350□■ | ■R ■W ■B | 25.2 28 | 1 (n=7) | |
| SBR-HMS50□HV■ | ■R ■W ■B | 3.6 4 | DC24V | 1 (n=1) |
| SBR-HMS100□HV■ | ■R ■W ■B | 7.2 8 | 1 (n=2) | |
| SBR-HMS150□HV■ | ■R ■W ■B | 10.8 12 | 1 (n=3) | |
| SBR-HMS200□HV■ | ■R ■W ■B | 14.4 16 | 1 (n=4) | |
| SBR-HMS250□HV■ | ■R ■W ■B | 18 20 | 1 (n=5) | |
| SBR-HMS300□HV■ | ■R ■W ■B | 21.6 24 | 1 (n=6) | |
| SBR-HMS350□HV■ | ■R ■W ■B | 25.2 28 | 1 (n=7) |

面発光
SHGA・SHGBシリーズ
角型エッジライト照明
薄型・省電力・低発熱型の均一面発光照明です。
□には発光色をご指定下さい。
※SAG値とはオーバードライブ電源における最大電圧設定値です。
角型エッジライト照明
薄型・省電力・低発熱型の均一面発光照明です。
□には発光色をご指定下さい。
※SAG値とはオーバードライブ電源における最大電圧設定値です。
| 型式 | 発光色 | 消費電力(W) | 入力電圧 | SAG(※) | 外形図 |
|---|---|---|---|---|---|
| SHGA-25-25□ | ■R ■W ■B | 0.6 0.9 0.5 | DC12V | FF 9D A4 | 1 |
| SHGA-30-41□ | ■R ■W ■B | 1.2 1.7 0.9 | F9 BD 9D | 2 | |
| SHGA-30-80□ | ■R ■W ■B | 2.4 2.6 1.7 | F8 98 9D | 3 | |
| SHGB-50-50□ | ■R ■W ■B | 3.8 4.4 4.4 | 75 75 75 | ||
| SHGB-100-100□ | ■R ■W ■B | 12 15 15 | 80 81 7F | ||
| SHGB-150-200□ | ■R ■W ■B | 27 30 30 | 81 87 84 |
| カタログ | 2024照明機器_P45 |
|---|

高輝度チップLED面照明
SHMA・SHMシリーズ
高輝度チップLED
高輝度チップを採用した高均一・低価格の透過照明。
□には発光色をご指定下さい。
※SAG値とはオーバードライブ電源における最大電圧設定値です。
高輝度チップLED
高輝度チップを採用した高均一・低価格の透過照明。
□には発光色をご指定下さい。
※SAG値とはオーバードライブ電源における最大電圧設定値です。
| 型式 | 発光色 | 消費電力(W) | 入力電圧 | SAG(※) | 外形図 |
|---|---|---|---|---|---|
| SHMA-25-30□ | ■R ■W ■B | 2.3 2.8 2.7 | DC12V | 9A F9 98 | 1 |
| SHM-25-30□ | ■IR-850 ■IR-950 | 2 | E3 | ||
| SHMA-66-60□ | ■R ■W ■B | 7.5 9 8 | FF FF FF | 2 | |
| SHM-66-60□ | ■IR-850 ■IR-950 | 7.5 | FF | ||
| SHMA-108-114□ | ■R ■W ■B | 15 18 17 | FF FF FF | 3 | |
| SHM-108-114□ | ■IR-850 ■IR-950 | 14.7 | FF | ||
| SHMA-150-142□ | ■R ■W ■B | 22 27 24 | FF CA DB | 4 | |
| SHM-150-142□ | ■IR-850 ■IR-950 | 24 | E5 | ||
| SHMA-214-226□-24V | ■R ■W ■B | 39 48 44 | DC24V | - | 5 |
| SHM-214-226□-24V | ■IR-850 ■IR-950 | 47 | - |

狭角配光バックライト面照明
SHMA-Vシリーズ
狭角配光バックライト照明
狭角配光により光の回り込みを抑制し、円柱や光沢部品のエッジ検出に効果的です。
拡散タイプと比較し約1.6倍出力がアップし、高速シャッターでも使用可能になりました。
□には発光色をご指定下さい。
※SAG値とはオーバードライブ電源における最大電圧設定値です。
狭角配光バックライト照明
狭角配光により光の回り込みを抑制し、円柱や光沢部品のエッジ検出に効果的です。
拡散タイプと比較し約1.6倍出力がアップし、高速シャッターでも使用可能になりました。
□には発光色をご指定下さい。
※SAG値とはオーバードライブ電源における最大電圧設定値です。
狭角配光バックライト面照明
SHMA-Vシリーズ
狭角配光バックライト照明
狭角配光により光の回り込みを抑制し、円柱や光沢部品のエッジ検出に効果的です。
拡散タイプと比較し約1.6倍出力がアップし、高速シャッターでも使用可能になりました。
□には発光色をご指定下さい。
※SAG値とはオーバードライブ電源における最大電圧設定値です。
狭角配光バックライト照明
狭角配光により光の回り込みを抑制し、円柱や光沢部品のエッジ検出に効果的です。
拡散タイプと比較し約1.6倍出力がアップし、高速シャッターでも使用可能になりました。
□には発光色をご指定下さい。
※SAG値とはオーバードライブ電源における最大電圧設定値です。
| 型式 | 発光色 | 消費電力(W) | 入力電圧 | SAG(※) | 外形図 |
|---|---|---|---|---|---|
| SHMA-25-30□-V | ■R ■W ■B | 2.3 2.8 2.7 | DC12V | DE B8 A0 | 1 |
| SHMA-66-60□-V | ■R ■W ■B | 7.5 9 8 | FF FF FF | 2 | |
| SHMA-108-114□-V | ■R ■W ■B | 15 18 17 | FF FF FF | 3 | |
| SHMA-150-142□-V | ■R ■W ■B | 22 27 24 | FF CA DB | 4 | |
| SHMA-214-226□-V-24V | ■R ■W ■B | 39 48 44 | DC24V | - | 5 |

近赤外照明 850nm 950nm
赤外照明 −Infrared−
・赤外波長を使用した透過観察などに最適です。(半導体・液体・印字検査 etc)
・可視光LEDと同じ形状にてラインアップしております。(同軸スポット・面発光同軸・リング・面発光 etc)
・850nm以外の波長にも対応可能です。(780nm/810nm/890nm/940nm)
お問合せください
※SAG値とはオーバードライブ電源における最大電圧設定値です。
・赤外波長を使用した透過観察などに最適です。(半導体・液体・印字検査 etc)
・可視光LEDと同じ形状にてラインアップしております。(同軸スポット・面発光同軸・リング・面発光 etc)
・850nm以外の波長にも対応可能です。(780nm/810nm/890nm/940nm)
お問合せください
※SAG値とはオーバードライブ電源における最大電圧設定値です。
| 型式 | 発光色 | 消費電力(W) | 入力電圧 | SAG(※) | 外形図 |
|---|---|---|---|---|---|
| SRM-80IR-850 | IR(850nm) | 7 | DC12V | BC | 1 |
| SRM-80IR-950 | IR(950nm) | 7 | DA | ||
| SRD-50-28IR-850 | IR(850nm) | 2.2 | FF | 2 | |
| SRD-90-50IR-850 | IR(850nm) | 4.4 | FF | 3 | |
| SBR-50-15IR-850 | IR(850nm) | 1.5 | FF | 4 | |
| SBR-72-24IR-850 | IR(850nm) | 2.8 | FF | 5 | |
| SBR-132-15IR-850 | IR(850nm) | 3.9 | FF | 6 | |
| SMD-40IR-850 | IR(850nm) | 2 | FF | 7 | |
| SHM-25-30IR-850 | IR(850nm) | 2 | E3 | 8 | |
| SHM-66-60IR-850 | IR(850nm) | 7.5 | FF | 9 | |
| SHM-108-114IR-850 | IR(850nm) | 14.7 | FF | 10 | |
| SHM-150-142IR-850 | IR(850nm) | 24 | E5 | 11 | |
| SHM-214-226IR-850-24V | IR(850nm) | 47 | DC24V | - | 12 |
| カタログ | 2024照明機器_P47 |
|---|

近赤外照明 1100nm 1200nm 1450nm
赤外照明 −Infrared−
1100nm
新たに追加された波長ピーク1100nmの赤外光の特徴は、
ウエハなどシリコンの薄膜を透過することが可能です。
今までハロゲン照明を使用されていた検査のLED置換えもご検討いただけます
CMOSカメラでもシリコンを透過したメタルパターン画像が取得可能です
→ 同時に近赤外線専用f=200mmカメラマイクロスコープユニットを是非ご検討ください
→ 同時に近赤外で高い透過率を誇るPEIR対物レンズシリーズを是非ご検討ください
1200nm 1450nm
InGaASカメラでシリコンを透過した時のコントラストをご確認ください
1100nm
新たに追加された波長ピーク1100nmの赤外光の特徴は、
ウエハなどシリコンの薄膜を透過することが可能です。
今までハロゲン照明を使用されていた検査のLED置換えもご検討いただけます
CMOSカメラでもシリコンを透過したメタルパターン画像が取得可能です
→ 同時に近赤外線専用f=200mmカメラマイクロスコープユニットを是非ご検討ください
→ 同時に近赤外で高い透過率を誇るPEIR対物レンズシリーズを是非ご検討ください
1200nm 1450nm
InGaASカメラでシリコンを透過した時のコントラストをご確認ください
| 型式 | 発光色 | 消費電力(W) | 入力電圧 | 外形図 |
|---|---|---|---|---|
| SLDH-21IR-1100 NEW | IR(1100nm) | 9 | DC12V | 5 |
| SBR-50-15IR-1200 | IR(1200nm) | 1.5 | 1 | |
| SBR-100-15IR-1200 | IR(1200nm) | 3.4 | 2 | |
| SBR-50-50IR-1200S | IR(1200nm) | 6.8 | 3 | |
| SRF-70-37IR-1450 | IR(1450nm) | 4 | 4 | |
| SBR-50-15IR-1450 | IR(1450nm) | 1.5 | 1 | |
| SBR-100-15IR-1450 | IR(1450nm) | 3.4 | 2 | |
| SBR-50-50IR-1450S | IR(1450nm) | 6.8 | 3 |
| カタログ | 2024照明機器_P47 |
|---|

特殊LED (紫外照明)
特殊LED照明
可視光以外の波長や、特殊用途でのLED照明等も、ご用意しております。
用途に合わせて、様々な照明をご提案できます。
一例をご紹介いたします。詳細は、弊社営業までご相談ください。
各種、カスタマイズ製作も可能です。
紫外照明 −Ultraviolet−
■UV-LED照明
観察・検査用途に、可視光と同形状のLED照明をラインアップしております。
■UV-LEDキュア・専用電源
高出力UV-LEDにより、従来のランプからの置き換えに最適です。
基板設計から放熱対策まで、お客様のニーズに応じた提案が可能です。
様々な波長よりお選び頂けます。
(365nm / 375nm / 385nm / 395nm / 405nm)
可視光以外の波長や、特殊用途でのLED照明等も、ご用意しております。
用途に合わせて、様々な照明をご提案できます。
一例をご紹介いたします。詳細は、弊社営業までご相談ください。
各種、カスタマイズ製作も可能です。
紫外照明 −Ultraviolet−
■UV-LED照明
観察・検査用途に、可視光と同形状のLED照明をラインアップしております。
■UV-LEDキュア・専用電源
高出力UV-LEDにより、従来のランプからの置き換えに最適です。
基板設計から放熱対策まで、お客様のニーズに応じた提案が可能です。
様々な波長よりお選び頂けます。
(365nm / 375nm / 385nm / 395nm / 405nm)
| LED-Head | |
|---|---|
| 照射エリア | 100~3.800mm×5mm (W.D.=30mm) |
| 紫外線強度 | 500~1000mW/cm2 (W.D.=30mm) |
| ピーク波長 | 365nm,385nm,405nm |
| 冷却方式 | 強制ファン空冷、水冷 |
| 専用電源 | |
|---|---|
| 入力電源 | AC100~240V |
| 動作周波数 | 50/60Hz |
| 出力 | 100~600W |
| 手動制御 | ボリュームによる無段階制御 |
| 外部制御 | Analog0-5VまたはDigital8bit、LAN(オプション) |
| 機能 | オープン検出、電源異常検出 強制空冷ファン電源搭載 |
| カタログ | 2018Catalog_P46 |
|---|

高輝度B'Cライン照明(1列仕様)
SPBHシリーズ
高輝度ライン照明
独自の光学技術で従来の約2~3倍の明るさを実現
75mmから最大1800mmまでの長尺対応のご用意もございます。
LタイプはWD3000mmまでの長距離照射が可能です。
型式□■部には以下仕様が入ります。
□:発光色(R=赤、W=白、B=青)
■:S=広角配光、L=狭角配光
※SAG値とはオーバードライブ電源における最大電圧設定値です。
高輝度ライン照明
独自の光学技術で従来の約2~3倍の明るさを実現
75mmから最大1800mmまでの長尺対応のご用意もございます。
LタイプはWD3000mmまでの長距離照射が可能です。
型式□■部には以下仕様が入ります。
□:発光色(R=赤、W=白、B=青)
■:S=広角配光、L=狭角配光
※SAG値とはオーバードライブ電源における最大電圧設定値です。
| 型式 | 発光色 | 消費電力(W) | 入力電圧 | SAG(※) |
|---|---|---|---|---|
| SPBH-75□-■ | ■R ■W ■B | 6.5 | DC12V | 89 AB |
| SPBH-150□-■ | ■R ■W ■B | 13 | DC12V | 8C B1 |
| SPBH-225□-■ | ■R ■W ■B | 19.5 | DC12V | 8E B7 |
| SPBH-300□-■ | ■R ■W ■B | 26 | DC12V | 91 BD |
| SPBH-150□-■-24V | ■R ■W ■B | 13 | DC24V | - - |
| SPBH-300□-■-24V | ■R ■W ■B | 26 | DC24V | - - |
| SPBH-450□-■-24V | ■R ■W ■B | 39 | DC24V | - - |
| SPBH-600□-■-24V | ■R ■W ■B | 52 | DC24V | - - |
| SPBH-750■-□-24V | ■R ■W ■B | 65 | DC24V | - - |
| SPBH-900□-■-24V | ■R ■W ■B | 78 | DC24V | - - |
| SPBH-1050□-■-24V | ■R ■W ■B | 91 | DC24V | - - |
| SPBH-1200■-□-24V | ■R ■W ■B | 104 | DC24V | - - |
| SPBH-1350□-■-24V | ■R ■W ■B | 117 | DC24V | - - |
| SPBH-1500□-■-24V | ■R ■W ■B | 130 | DC24V | - - |

スリット光照明
SBR-SLシリーズ
スリット光照明
光切断計測法や細かな異物検出に最適な
0.5㎜幅のスリット光照明です。
□には発光色をご指定下さい。
※SAG値とはオーバードライブ電源における最大電圧設定値です。
スリット光照明
光切断計測法や細かな異物検出に最適な
0.5㎜幅のスリット光照明です。
□には発光色をご指定下さい。
※SAG値とはオーバードライブ電源における最大電圧設定値です。
| 型式 | 発光色 | 消費電力(W) | 入力電圧 | SAG(※) |
|---|---|---|---|---|
| SBR-SL30□ | ■R ■W ■B ■G | 3.5 | DC12V | FF FF FF FF |
| SBR-SL60□ | ■R ■W ■B ■G | 7 | DC12V | FF FF FF FF |
| SBR-SL90□ | ■R ■W ■B ■G | 10.5 | DC12V | FF FF FF FF |
| SBR-SL120□ | ■R ■W ■B ■G | 14 | DC12V | FF FF FF FF |
| SBR-SL150□ | ■R ■W ■B ■G | 17.5 | DC12V | FF F9 FF FD |
| SBR-SL180□ | ■R ■W ■B ■G | 21 | DC12V | FF DD E3 E1 |
| SBR-SL210□ | ■R ■W ■B ■G | 24.5 | DC12V | FF C9 CC CB |
| SBR-SL240□ | ■R ■W ■B ■G | 28 | DC12V | F7 BC BF BE |
| SBR-SL60□-24V | ■R ■W ■B ■G | 7 | DC24V | - - - - |
| SBR-SL120□-24V | ■R ■W ■B ■G | 14 | DC24V | - - - - |
| SBR-SL180□-24V | ■R ■W ■B ■G | 21 | DC24V | - - - - |
| SBR-SL240□-24V | ■R ■W ■B ■G | 28 | DC24V | - - - - |
| SBR-SL300□-24V | ■R ■W ■B ■G | 35 | DC24V | - - - - |

スクエアドーム照明
SMSA-Cシリーズ
スクエアドーム照明
軽量・薄型8mmのドーム照明です。
より明るく、より鮮明に!カメラ窓がないため、全体を均一照射できます。
SMSAの非照射側面を保護する保護カバー(option)装着可能。
□には発光色をご指定下さい。
※SAG値とはオーバードライブ電源における最大電圧設定値です。
スクエアドーム照明
軽量・薄型8mmのドーム照明です。
より明るく、より鮮明に!カメラ窓がないため、全体を均一照射できます。
SMSAの非照射側面を保護する保護カバー(option)装着可能。
□には発光色をご指定下さい。
※SAG値とはオーバードライブ電源における最大電圧設定値です。
| 型式 | 発光色 | 消費電力(W) | 入力電圧 | SAG(※) | 外形図 |
|---|---|---|---|---|---|
| SMSA-C25□ | ■R ■W ■B ■G ■IR-850 | 2.1 2.4 2.4 2.4 1.2 | DC12V | 89 83 73 6F A3 | 1 |
| SMSA-C50□ | ■R ■W ■B ■G ■IR-850 | 9.5 9.5 9.5 8.5 6 | D0 CB AD AB FF | 2 | |
| SMSA-C75□ | ■R ■W ■B ■G ■IR-850 | 14 14 14 11 9 | DC E0 B6 B4 FF | 3 | |
| SMSA-C100□ | ■R ■W ■B ■G ■IR-850 | 22 22 22 15 12.5 | C3 BC A5 BE FF | 4 | |
| SMSA-C150□ | ■R ■W ■B ■G ■IR-850 | 30 30 30 20 17 | DA B8 B6 CA FF | 5 | |
| SMSA-C200□ | ■R ■W ■B ■G ■IR-850 | 30 30 30 27 20.5 | T.B.D. C1 C7 C9 FF | 6 | |
| SMSA-C300□-24V | ■R ■W ■B ■G ■IR-850 | 46 46 46 40 38 | DC24V | - | 7 |
| SMSA-C200-100□ | ■R ■W ■B ■G ■IR-850 | 20 20 20 19 17.5 | DC12V | FF FF F1 CE FF | 8 |
| SMSA-C300-150□-24V | ■R ■W ■B ■G ■IR-850 | 30 30 30 30 26 | DC24V | - | 9 |
| SMSA-C400-200□-24V | ■R ■W ■B ■G ■IR-850 | 44 44 44 44 40 | 10 | ||
| SMSA-C400-300□-24V | ■R ■W ■B | 47 54 54 | 11 | ||
| SMSA-C150WR | ■W ■R | W:7.5x2ch R:7.5x2ch | DC12V | B8(W) DA(R) | 12 |
| SMSA-C150WIR-850 | ■W ■IR-850 | W:7.5x2ch R:6.2x2ch | B8(W) FF(IR) |
| 保護カバー | 保護カバーホルダー | 適用照明 |
|---|---|---|
| SKMSA-C25-PRC | SKMSA-C25-HL | SMSA-C25□ |
| SKMSA-C50-PRC | SKMSA-C50-HL | SMSA-C50□ |
| SKMSA-C75-PRC | SKMSA-C75-HL | SMSA-C75□ |
| SKMSA-C100-PRC | SKMSA-C100-HL | SMSA-C100□ |
| SKMSA-C150-PRC | SKMSA-C150-HL | SMSA-C150□ |
| SKMSA-C200-PRC | SKMSA-C200-HL | SMSA-C200□ |
| SKMSA-C300-PRC | SKMSA-C300-HL | SMSA-C300□-24V |
| SKMSA-C200-100-PRC | SKMSA-C200-100-HL | SMSA-C200-100□ |
| SKMSA-C300-150-PRC | SKMSA-C300-150-HL | SMSA-C300-150□-24V |
| SKMSA-C400-200-PRC | SKMSA-C400-200-HL | SMSA-C400-200□-24V |
| SKMSA-C400-300-PRC | SKMSA-C400-300-HL | SMSA-C400-300□-24V |


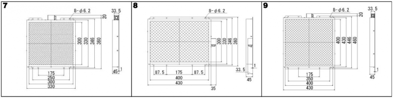
大型面照明
SFPAシリーズ
大型面照明
□100mmの倍数で製作が可能です。
大型ワークの外観検査に最適です。
□には発光色をご指定下さい。
大型面照明
□100mmの倍数で製作が可能です。
大型ワークの外観検査に最適です。
□には発光色をご指定下さい。

穴あき大型面照明
SFPA-Dシリーズ
穴あき大型面照明
カメラ撮像対応の穴を設けました。
レンズサイズに合わせて2種類の開口サイズを用意しています。
□には発光色をご指定下さい。
穴あき大型面照明
カメラ撮像対応の穴を設けました。
レンズサイズに合わせて2種類の開口サイズを用意しています。
□には発光色をご指定下さい。
| 型式 | 発光色 | 消費電力(W) | 入力電圧 | 外形図 |
|---|---|---|---|---|
| SFPA-100-100□-35D SFPA-100-100□-55D | ■R ■DW ■B | 5 | DC24V | 1 |
| SFPA-200-100□-35D SFPA-200-100□-55D | ■R ■DW ■B | 15 | DC24V | 1 |
| SFPA-200-200□-35D SFPA-200-200□-55D | ■R ■DW ■B | 35 | DC24V | 2 |
| SFPA-300-100□-35D SFPA-300-100□-55D | ■R ■DW ■B | 25 | DC24V | 3 |
| SFPA-300-200□-35D SFPA-300-200□-55D | ■R ■DW ■B | 55 | DC24V | 3 |
| SFPA-300-300□-35D SFPA-300-300□-55D | ■R ■DW ■B | 85 | DC24V | 4 |
| SFPA-400-100□-35D SFPA-400-100□-55D | ■R ■DW ■B | 35 | DC24V | 1 |
| SFPA-400-200□-35D SFPA-400-200□-55D | ■R ■DW ■B | 75 | DC24V | 3 |
| SFPA-400-300□-35D SFPA-400-300□-55D | ■R ■DW ■B | 115 | DC24V | 3 |
| SFPA-400-400□-35D SFPA-400-400□-55D | ■R ■DW ■B | 155 | DC24V | 4 |
| SFPA-500-100□-35D SFPA-500-100□-55D | ■R ■DW ■B | 45 | DC24V | 1 |
| SFPA-500-200□-35D SFPA-500-200□-55D | ■R ■DW ■B | 95 | DC24V | 3 |
| SFPA-500-300□-35D SFPA-500-300□-55D | ■R ■DW ■B | 145 | DC24V | 3 |
| SFPA-500-400□-35D SFPA-500-400□-55D | ■R ■DW ■B | 195 | DC24V | 3 |

角型面照明
SQCシリーズ
角型面照明
高照度の均一間接光照明です。
反射板を外すことで、ドーム照明から無影斜光照明として使用できます。
□には発光色をご指定下さい。
※SAG値とはオーバードライブ電源における最大電圧設定値です。
角型面照明
高照度の均一間接光照明です。
反射板を外すことで、ドーム照明から無影斜光照明として使用できます。
□には発光色をご指定下さい。
※SAG値とはオーバードライブ電源における最大電圧設定値です。

NEOドーム照明
SDM-A・SDM-Bシリーズ
NEOドーム照明
高照度の間接ドーム照明です。
従来品と比べ、2倍以上の明るさを実現しました。
□には発光色をご指定下さい。
※SAG値とはオーバードライブ電源における最大電圧設定値です。
NEOドーム照明
高照度の間接ドーム照明です。
従来品と比べ、2倍以上の明るさを実現しました。
□には発光色をご指定下さい。
※SAG値とはオーバードライブ電源における最大電圧設定値です。

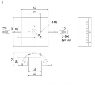
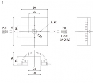
ハーフパイプ照明
SHP/SHPHシリーズ
ハーフパイプ照明
ハーフパイプ形状で、球状・凹凸・長さのあるワークに均一間接光照射です。
RGB3色タイプでは、三原色のブレンドによる撮像も可能です。
ハーフパイプ照明
ハーフパイプ形状で、球状・凹凸・長さのあるワークに均一間接光照射です。
RGB3色タイプでは、三原色のブレンドによる撮像も可能です。
