カメラ/モニター/ボード Camera / Monitor / Capture Board

USB3.0 白黒カメラ(BUシリーズ)
BUシリーズ
USB3.0 インターフェースを採用したカメラシリーズです。
汎用性に優れていて、軽量・小型のため、固定倍率のテレセントリック鏡筒や
ズーム鏡筒などと組み合せ、卓上装置や顕微鏡などのTV観察用途としてもお使いになれます。
USB3.0 インターフェースを採用したカメラシリーズです。
汎用性に優れていて、軽量・小型のため、固定倍率のテレセントリック鏡筒や
ズーム鏡筒などと組み合せ、卓上装置や顕微鏡などのTV観察用途としてもお使いになれます。
型式 | BU040M/MG | BU132M | BU160M/MG | BU205M | BU238M | BU300MG | BU302MG | BU406M | BU406MN | BU502MG | BU505MG | BU602M | BU805MG | BU1207MG | BU1208MG | BU2006MG | BU2409MG |
---|---|---|---|---|---|---|---|---|---|---|---|---|---|---|---|---|---|
撮像素子 | 1/2.9型GS-CMOS | 1/1.8型GS-CMOS | 1/2.9型GS-CMOS | 2/3型GS-CMOS | 1/1.2型GS-CMOS | 1/3型GS-CMOS | 1/1.8型GS-CMOS | 1.0型GS-CMOS | 1.0型GS-CMOS | 1/1.8型GS-COMS | 2/3型GS-CMOS | 1/1.8型RS-COMS | 2/3型GS-CMOS | 1.1型GS-CMOS | 1/1.1型GS-CMOS | 1.0型RS-CMOS | 1.2型GS-CMOS |
最大解像度 | 0.4M | 1.3M | 1.6M | 2.2M | 2.3M | 3.1M | 3.1M | 4.2M | 4.2M | 5M | 5M | 6.2M | 8.1M | 12.3M | 12.3M | 20M | 24.5M |
解像度 | 720×540 | 1,280×1,024 | 1,440×1,080 | 2,048×1,088 | 1,920×1,200 | 2,048×1,536 | 2,048×1,536 | 2,048×2,048 | 2,048×2,048 | 2,448×2,048 | 2,448×2,048 | 3,072×2,048 | 2,848×2,848 | 4,096×3,000 | 4,096×3,008 | 5,472×3,648 | 5,328×4,608 |
画素サイズ(H)×(V)μm | 6.90×6.90 | 5.30×5.30 | 3.45×3.45 | 5.50×5.50 | 5.86×5.86 | 2.25×2.25 | 3.45×3.45 | 5.50×5.50 | 5.50×5.50 | 2.74×2.74 | 3.45×3.45 | 2.40×2.40 | 2.74×2.74 | 3.45×3.45 | 2.74×2.74 | 2.40×2.40 | 2.74×2.74 |
撮像面積(mm) | 4.96×3.72 ※対角 約6.21 | 6.78×5.42 ※対角 約8.68 | 4.96×3.72 ※対角 約6.21 | 11.26×5.98 ※対角 約12.75 | 11.25×7.03 ※対角 約13.26 | 4.60×3.45 ※対角 約5.76 | 7.06×5.29 ※対角 約8.83 | 11.26×11.26 ※対角 約15.92 | 11.26×11.26 ※対角 約15.92 | 6.70×5.61 ※対角 約8.74 | 8.44×7.06 ※対角 約11.01 | 7.37×4.91 ※対角 約8.86 | 7.80×7.80 ※対角 約11.03 | 14.13×10.35 ※対角 約17.51 | 11.22×8.24 ※対角 約13.92 | 13.13×8.75 ※対角 約15.78 | 14.59×12.62 ※対角 約19.30 |
フレームレート | Mono8: 523fps(HF Mode) 437fps(STD Mode) | Mono8:61fps | Mono8: 240fps(HF Mode) 227fps(STD Mode) | Mono8:170fps | Mono8:165fps | Mono8:64fps | Mono8:120fps | Mono8:90fps | Mono8:90fps | Mono8: 75.6fps(HF Mode) 74.9fps(STD Mode) | Mono8:75fps | Mono8:60fps | Mono8:46.7fps | Mono8:31fps | Mono8:30.8fps | Mono8:19fps | Mono8:15fps |
マウント | Cマウント | Cマウント | Cマウント | Cマウント | Cマウント | Cマウント | Cマウント | Cマウント | Cマウント | Cマウント | Cマウント | Cマウント | Cマウント | Cマウント | Cマウント | Cマウント | Cマウント |
感度 | 2,800lx (F5.6,1/500s) | 500lx (F5.6,1/62.5s) | 3,000lx (F4,1/250s) | 3,300lx (F8,1/200s) | 3,300lx (F8,1/200s) | 2,010lx (F5.6,1/83.3s) | 3,250lx (F5.6,1/120s) | 3,000lx (F11,1/90s) | 2,400lx (F11,1/90s) | 2,710lx (F5.6,1/83.3s) | 2,100lx (F5.6,1/75s) | 2,100lx (F5.6,1/62.5s) | 3,480lx (F8,1/52.6s) | 860lx (F5.6,1/32s) | 2,600lx (F8,1/35.7s) | 1,940lx (F5.6,1/19s) | 1,950lx (F11,1/20s) |
電源 | DC+5V±5% (USBコネクタより給電) | DC+5V±5% (USBコネクタより給電) | DC+5V±5% (USBコネクタより給電) | DC+5V±5% (USBコネクタより給電) | DC+5V±5% (USBコネクタより給電) | DC+5V±5% (USBコネクタより給電) | DC+5V±5% (USBコネクタより給電) | DC+5V±5% (USBコネクタより給電) | DC+5V±5% (USBコネクタより給電) | DC+5V±5% (USBコネクタより給電) | DC+5V±5% (USBコネクタより給電 | DC+5V±5% (USBコネクタより給電 | DC+5V±5% (USBコネクタより給電 | DC+5V±5% (USBコネクタより給電 | DC+5V±5% (USBコネクタより給電 | DC+5V±5% (USBコネクタより給電 | DC+5V±5% (USBコネクタより給電 |
消費電力 | 2.2W以下 | 1.7W以下 | 2.4W以下 | 2.7W以下 | 2.9W以下 | 2.4W以下 | 2.9W以下 | 2.7W以下 | 2.7W以下 | 2.7W以下 | 2.9W以下 | 2.4W以下 | 2.7W以下 | 3.0W以下 | 2.8W以下 | 2.7W以下 | 3.3W以下 |
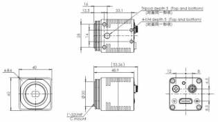
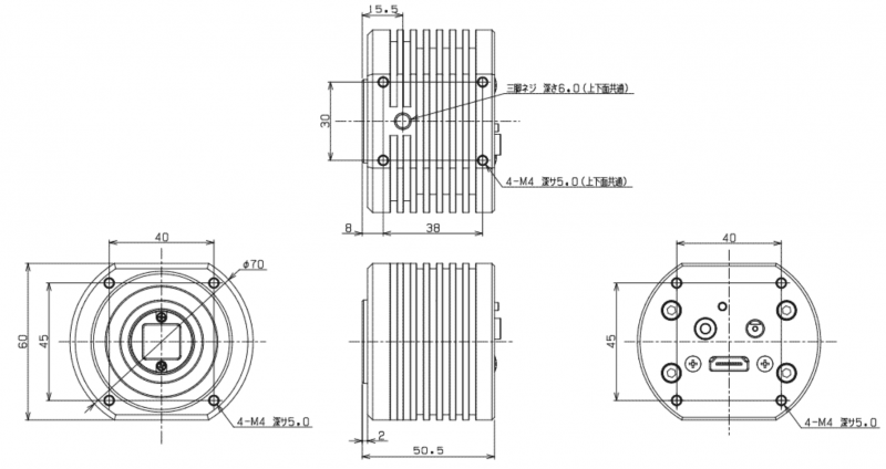
外形寸法(W)×(H)×(D)mm | 29×29×16 | 29×29×16 | 29×29×16 | 29×29×16 | 29×29×16 | 29×29×16 | 29×29×16 | 29×29×16 | 29×29×16 | 29×29×16 | 29×29×16 | 29×29×16 | 29×29×16 | 29×29×16 | 29×29×16 | 29×29×16 | 29×29×16 |
質量 | 約33g | 約33g | 約33g | 約32g | 約32g | 約33g | 約33g | 約32g | 約32g | 約33g | 約33g | 約33g | 約33g | 約34g | 約33g | 約34g | 約33g |
備考 | MG:防塵ガラス付 | - | MG:防塵ガラス付 | - | - | MG:防塵ガラス付 | MG:防塵ガラス付 | - | ※MN:IR感度向上品 | MG:防塵ガラス付 | MG:防塵ガラス付 | - | MG:防塵ガラス付 | MG:防塵ガラス付 | MG:防塵ガラス付 | MG:防塵ガラス付 | MG:防塵ガラス付 |

USB3.0 カラーカメラ(BUシリーズ )
BUシリーズ
USB3.0 インターフェースを採用したカメラシリーズです。
汎用性に優れていて、軽量・小型のため、固定倍率のテレセントリック鏡筒や
ズーム鏡筒などと組み合せ、卓上装置や顕微鏡などのTV観察用途としてもお使いになれます。
USB3.0 インターフェースを採用したカメラシリーズです。
汎用性に優れていて、軽量・小型のため、固定倍率のテレセントリック鏡筒や
ズーム鏡筒などと組み合せ、卓上装置や顕微鏡などのTV観察用途としてもお使いになれます。
型式 | BU040MCG/MCF | BU160MCG/MCF | BU238MC/MCF | BU300MCF | BU302MCG/MCF | BU406MC/MCF | BU502MCF | BU505MCG/MCF | BU602MC/MCF | BU805MCF | BU1203MC/MCF | BU1207MCF | BU1208MCF | BU2006MCF | BU2409MCG/MCF |
---|---|---|---|---|---|---|---|---|---|---|---|---|---|---|---|
撮像素子 | 1/2.9型GS-CMOS
| 1/2.9型GS-CMOS
| 1/1.2型GS-CMOS
| 1/3型GS-CMOS
| 1/1.8型GS-CMOS
| 1.0型GS-CMOS
| 1/1.8型GS-CMOS | 2/3型GS-CMOS
| 1/1.8型RS-CMOS | 2/3型GS-CMOS
| 1/1.7型RS-CMOS
| 1.1型GS-CMOS
| 1/1.1型GS-CMOS
| 1.0型RS-CMOS
| 1.2型GS-CMOS
|
最大解像度 | 0.4M | 1.6M | 2.3M | 3.1M | 3.1M | 4.2M | 5M | 5M | 6.2M | 8.1M | 12M | 12.3M | 12.3M | 20M | 24.5M |
解像度 | 720×540 | 1,440×1,080 | 1,920×1,200 | 2,048×1,536 | 2,048×1,536 | 2,048×2,048 | 2,448×2,048 | 2,448×2,048 | 3.072×2,048 | 2,848×2,848 | 4,000×3,000 | 4,096×3,000 | 4,096×3,008 | 5,472×3,648 | 5,328×4,608 |
画素サイズ(H)×(V)μm | 6.90×6.90 | 3.45×3.45 | 5.86×5.86 | 2.25×2.25 | 3.45×3.45 | 5.50×5.50 | 2.74×2.74 | 3.45×3.45 | 2.40×2.40 | 2.74×2.74 | 1.85×1.85 | 3.45×3.45 | 2.74×2.74 | 2.40×2.40 | 2.74×2.74 |
撮像面積(mm) | 4.96×3.72 ※対角 約6.21 | 4.96×3.72 ※対角 約6.21 | 11.25×7.03 ※対角 約13.26 | 4.60×3.45 ※対角 約5.76 | 7.06×5.29 ※対角 約8.83 | 11.26×11.26 ※対角 約15.92 | 6.70×5.61 ※対角 約8.74 | 8.44×7.06 ※対角 約11.01 | 7.37×4.95 ※対角 約8.86 | 7.80×7.80 ※対角 約11.03 | 7.40×5.55 ※対角 約9.25 | 14.13×10.35 ※対角 約17.51 | 11.22×8.24 ※対角 約13.92 | 13.13×8.75 ※対角 約15.78 | 14.57×12.60 ※対角 約19.3 |
フレームレート | Bayer8/Mono8: 523fps(HF Mode) 436fps(STD Mode) | Bayer8/Mono8: 240fps(HF Mode) 227fps(STD Mode) | Bayer8:165fps | 64fps(Bayer 8bit) | Bayer8/Mono8:120fps | Bayer8:90fps | Bayer8: 75.6fps(HF Mode) 74.9fps(STD Mode) | Bayer8/Mono8:75fps | Bayer8/Mono8:60fps | Bayer8:46.7fps | Bayer8/Mono8:30fps | Bayer8:31fps | Bayer8:30.8fps | Bayer8:19fps | Bayer8:15fps |
マウント | Cマウント | Cマウント | Cマウント | Cマウント | Cマウント | Cマウント | Cマウント | Cマウント | Cマウント | Cマウント | Cマウント | Cマウント | Cマウント | Cマウント | Cマウント |
感度 | MCG:2,300lx MCF:2,500lx (F4,1/500s) | MCG:2,300lx MCF:2,400lx (2.8,1/250s) | MC:3,700lx MCF:4,100lx (F8,1/200s) | 2,870lx (F5.6,1/83.3s) | MCG:2,400lx MCF:2,650lx (F4,1/120s) | MC :3,700lx MCF:4,100lx (F8,1/90s) | 2,390lx (F4,1/83.3s) | MCG:3,000lx MCF:3,300lx (F5.6,1/52.6s) | MC:3,000lx MCF:3,400lx (F5.6,1/62.5s) | 3,000lx (F5.6,1/46.7s) | MC:4,200lx MCF:4,600lx (F8,1/30s) | 1,425lx (F5.6,1/31s) | 2,300lx (F5.6,1/35.7s) | 1,940lx (F5.6,1/19s) | MCG:1,850lx MCF:2,000lx (F8,1/20s) |
電源 | DC+5V±5% (USBコネクタより給電) | DC+5V±5% (USBコネクタより給電) | DC+5V±5% (USBコネクタより給電) | DC+5V±5% (USBコネクタより給電) | DC+5V±5% (USBコネクタより給電) | DC+5V±5% (USBコネクタより給電) | DC+5V±5% (USBコネクタより給電) | DC+5V±5% (USBコネクタより給電) | DC+5V±5% (USBコネクタより給電) | DC+5V±5% (USBコネクタより給電) | DC+5V±5% (USBコネクタより給電) | DC+5V±5% (USBコネクタより給電) | DC+5V±5% (USBコネクタより給電) | DC+5V±5% (USBコネクタより給電) | DC+5V±5% (USBコネクタより給電) |
消費電力 | 3.2W以下 | 3.4W以下 | 2.9W以下 | 3.0W以下 | 3.6W以下 | 2.7W以下 | 2.7W以下 | 3.6W以下 | 3.0W以下 | 2.7W以下 | 2.7W以下 | 3.1W以下 | 2.8W以下 | 2.9W以下 | 3.3W以下 |
外形寸法(W)×(H)×(D)mm | 29×29×16 | 29×29×16 | 29×29×16 | 29×29×16 | 29×29×16 | 29×29×16 | 29×29×16 | 29×29×16 | 29×29×16 | 29×29×16 | 29×29×16 | 29×29×16 | 29×29×16 | 29×29×16 | 29×29×16 |
質量 | 約33g | 約33g | 約32g | 約33g | 約33g | 約32g | 約33g | 約33g | 約33g | 約33g | 約32g | 約34g | 約33g | 約34g | 約33g |
備考 | ※MCG:防塵ガラス付 ※MCF:IRカットフィルタ付 | ※MCG:防塵ガラス付 ※MCF:IRカットフィルタ付 | ※MCF:IRカットフィルタ付 | ※MCF:IRカットフィルタ付 | ※MCG:防塵ガラス付 ※MCF:IRカットフィルタ付 | ※MCF:IRカットフィルタ付 | ※MCF:IRカットフィルタ付 | ※MCG:防塵ガラス付 ※MCF:IRカットフィルタ付 | ※MCF:IRカットフィルタ付 | ※MCF:IRカットフィルタ付 | ※MCF:IRカットフィルタ付 | ※MCF:IRカットフィルタ付 | ※MCF:IRカットフィルタ付 | ※MCF:IRカットフィルタ付 | ※MCG:防塵ガラス付 ※MCF:IRカットフィルタ付 |

USB3.0 カメラ(DU/DDUシリーズ)
DUシリーズ
BUシリーズの上位機種で、USB3.1 Gen1インターフェースを採用した高品質の一体型カメラシリーズです。
高精細高速CMOSイメージセンサにより、高速フレームレートを実現します。
DDUシリーズは、さらに2チャンネル搭載したデュアルUSB仕様で2倍の転送帯域を持っています。
BUシリーズの上位機種で、USB3.1 Gen1インターフェースを採用した高品質の一体型カメラシリーズです。
高精細高速CMOSイメージセンサにより、高速フレームレートを実現します。
DDUシリーズは、さらに2チャンネル搭載したデュアルUSB仕様で2倍の転送帯域を持っています。
型式 | DU657M | DU657MC
カラー | DU1207MG | DU1207MCF
カラー | DDU1207MG | DDU1207MCF
カラー | DDU1607MG | DDU1607MCG
カラー | DDU2607MG | DDU2607MCG/MCF
カラー |
---|---|---|---|---|---|---|---|---|---|---|
撮像素子 | 1.1型GS-CMOS | 1.1型GS-CMOS | 1.1型GS-CMOS | 1.1型GS-CMOS | 1.1型GS-CMOS | 1.1型GS-CMOS | 1.1型GS-CMOS | 1.1型GS-CMOS | 1.1型GS-CMOS | 1.1型GS-CMOS |
最大解像度 | 6.5M | 6.5M | 12.3M | 12.3M | 12.3M | 12.3M | 16M | 16M | 26.2M | 26.2M |
解像度 | 2,560×2,560 | 2,560×2,560 | 4,096×3,000 | 4,096×3,000 | 4,096×3,000 | 4,096×3,000 | 4,000×4,000 | 4,000×4,000 | 5,120×5,120 | 5,120×5,120 |
画素サイズ(H)×(V)μm | 5.0×5.0 | 5.0×5.0 | 3.45×3.45 | 3.45×3.45 | 3.45×3.45 | 3.45×3.45 | 3.20×3.20 | 3.20×3.20 | 2.50×2.50 | 2.50×2.50 |
撮像面積(mm) | 12.80×12.80 ※対角 約18.1 | 12.80×12.80 ※対角 約18.1 | 14.10×10.35 ※対角 約17.5 | 14.10×10.35 ※対角 約17.5 | 14.10×10.35 ※対角 約17.5 | 14.10×10.35 ※対角 約17.5 | 12.80×12.80 ※対角 約18.1 | 12.80×12.80 ※対角 約18.1 | 12.80×12.80 ※対角 約18.1 | 12.80×12.80 ※対角 約18.1 |
フレームレート | Mono8:55fps | Bayer8:55fps | Mono8:32fps | Bayer8/Mono8:31fps | <Dual/Single>
Mono8:62/31fps | <Dual/Single>
Bayer8/Mono8:62/31fps | <Dual/Single>
Mono8:47/23fps | <Dual/Single>
Bayer8:47/23fps | <Dual/Single>
Mono8:28.4/14.4fps | <Dual/Single>
Mono8:28.4/14.4fps |
マウント | Cマウント | Cマウント | Cマウント | Cマウント | Cマウント | Cマウント | Cマウント | Cマウント | Cマウント | Cマウント |
感度 | 900lx (F5.6,1/60s) | 2,200lx, (F5.6,1/60s) | 860lx (F5.6,1/32s) | 1,425x, (F5.6,1/31s) | 1,600lx (F5.6,1/62s) | 2,800lx, (F5.6,1/62s) | 2,700lx (F8,1/50s) | 2,700lx, (F5.6,1/50s) | 1,300lx (F8,1/28.6s) | MCG:2,040lx, MCF:2,470lx, (F8,1/28.6s) |
電源 | DC+5V±5% (USBコネクタより給電) | DC+5V±5% (USBコネクタより給電) | DC+5V±5% (USBコネクタより給電) | DC+5V±5% (USBコネクタより給電) | DC+5V±5% (USBコネクタより給電) | DC+5V±5% (USBコネクタより給電) | DC+5V±5% (USBコネクタより給電) | DC+5V±5% (USBコネクタより給電) | DC+5V±5% (USBコネクタより給電) | DC+5V±5% (USBコネクタより給電) |
消費電力 | 3.2W以下 | 3.2W以下 | 4.0W以下 | 4.5W以下 | 5.0W以下 | 5.0W以下 | 5.3W以下 | 5.3W以下 | 5.3W以下 | 5.3W以下 |
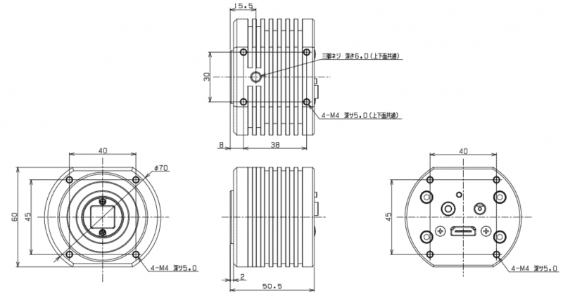
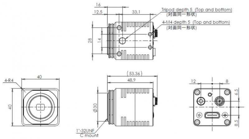
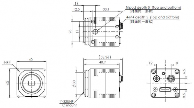
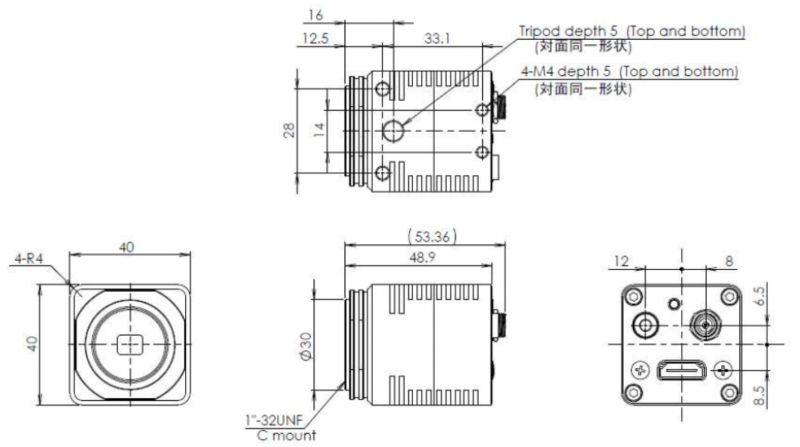
外形寸法(W)×(H)×(D)mm | 40×40×35 | 40×40×35 | 40×40×35 | 40×40×35 | 40×40×35 | 40×40×35 | 40×40×35 | 40×40×35 | 40×40×35 | 40×40×35 |
質量 | 約85g | 約85g | 約90g | 約90g | 約90g | 約90g | 約90g | 約90g | 約90g | 約90g |
備考 | - | - | ※MG:防塵ガラスあり | ※MCF:IRカットフィルタあり | ※MG:防塵ガラスあり | ※MCF:IRカットフィルタあり | ※MG:防塵ガラスあり | ※MCG:防塵ガラスあり | ※MG:防塵ガラスあり | ※MCG:防塵ガラスあり ※MCF:IRカットフィルタあり |

GigEカメラ
Gig-E(PoE対応)カメラシリーズ
電源重畳Gigabit Ethernet®を採用したカメラシリーズです。
延長性に優れ、増設も容易なため、様々なレンズと組み合せて機器組込用として複数台設置することに優れています。
※Ethernet®はXEROX社の登録商標です。
電源重畳Gigabit Ethernet®を採用したカメラシリーズです。
延長性に優れ、増設も容易なため、様々なレンズと組み合せて機器組込用として複数台設置することに優れています。
※Ethernet®はXEROX社の登録商標です。
型式 | BG040M | BG040MC/MCF
カラー | BG160M | BG160MC/MCF
カラー | BG302LMG | BG302LMCG/LMCF カラー | BG505LMG | BG505LMCG/LMCF
カラー |
---|---|---|---|---|---|---|---|---|
撮像素子 | 1/2.9型GS-CMOS
| 1/2.9型GS-CMOS
| 1/2.9型GS-CMOS
| 1/2.9型GS-CMOS | 1/1.8型GS-CMOS | 1/1.8型GS-CMOS | 2/3型GS-CMOS | 2/3型GS-CMOS |
最大解像度 | 0.4M | 0.4M | 1.6M | 1.6M | 3.1M | 3.1M | 5M | 5M |
解像度 | 720×540 | 720×540 | 1,440×1,080 | 1,440×1,080 | 2,048×1,536 | 2,048×1,536 | 2,448×2,048 | 2,448×2,048 |
画素サイズ(H)×(V)μm | 6.90×6.90 | 6.90×6.90 | 3.45×3.45 | 3.45×3.45 | 3.45×3.45 | 3.45×3.45 | 3.45×3.45 | 3.45×3.45 |
撮像面積(mm) | 4.96×3.72 ※対角 約6.21 | 4.96×3.72 ※対角 約6.21 | 4.96×3.72 ※対角 約6.21 | 4.96×3.72 ※対角 約6.21 | 7.06×5.29 ※対角 約8.83 | 7.06×5.29 ※対角 約8.83 | 8.44×7.06 ※対角 約11.01 | 8.44×7.06 ※対角 約11.01 |
フレームレート | Mono8:291fps | Bayer8:291fps | Mono8:72fps | Bayer8:72fps | Mono8:36fps | Bayer8/Mono8:36fps | Mono8:22fps | Bayer8/Mono8:22fps |
マウント | Cマウント | Cマウント | Cマウント | Cマウント | Cマウント | Cマウント | Cマウント | Cマウント |
感度 | 1,890lx, (F5.6,1/333s) | MCG:1,550lx MCF:1,650lx (F4,1/333s) | 1,700lx, (F5.6,1/77s) | MCG:2,800lx MCF:2,900lx (F5.6,1/77s) | 3,850lx, (F11,1/36s) | MCG:2,500lx, MCF:2,600lx, (F8,1/36s) | 2,600lx, (F11,1/22s) | CG:3,100lx, CF:3,200lx, (F11,1/22s) |
消費電力 | 3.3W以下(PoE) 2.7W以下(DC12V) | 3.4W以下(PoE) 2.8W以下(DC12V) | 3.3W以下(PoE) 2.7W以下(DC12V) | 3.4W以下(PoE) 2.8W以下(DC12V) | 3.2W以下(PoE) 2.7W以下(DC12V) | 3.6W以下(PoE) 2.9W以下(DC12V) | 3.2W以下(PoE) 2.7W以下(DC12V) | 3.6W以下(PoE) 2.9W以下(DC12V) |
外形寸法(W)×(H)×(D)mm | 29×29×40 | 29×29×40 | 29×29×40 | 29×29×40 | 29×29×40 | 29×29×40 | 29×29×40 | 29×29×40 |
質量 | 約59g | 約59g | 約59g | 約59g | 約60g | 約60g | 約60g | 約60g |
備考 | - | ※MCF:IRカットフィルタあり | - | ※MCF:IRカットフィルタあり | ※MG:防塵ガラスあり | ※MCG:防塵ガラスあり ※MCF:IRカットフィルタあり | ※MG:防塵ガラスあり | ※MCG:防塵ガラスあり ※MCF:IRカットフィルタあり |
カタログ | 2018Catalog_P75 |
---|---|
外観図PDF | |
外観図DXF | |
外観図3D |

カメラリンクカメラ
CameraLink デジタル カメラ
PCとの高速転送が可能なカメラシリーズになります。
1.3M CMOSカメラ
部分読み出し機能により、さらに高速な映像の読み出しが可能になり、
画像処理をより快適にする機能が充実しています。
3M・5M CMOSカメラ
Sony製 超高画質CMOSセンサ搭載。3種類のピクセルクロック(PCLK)に対応し、
低速クロック対応のボードにも接続可能です。(41.5/64/83MHz)
6.5M 白黒カメラ
CMOSセンサを採用した超高精細白黒カメラです。
1.1型全画素を99fpsでの高速出力が可能です。
PCとの高速転送が可能なカメラシリーズになります。
1.3M CMOSカメラ
部分読み出し機能により、さらに高速な映像の読み出しが可能になり、
画像処理をより快適にする機能が充実しています。
3M・5M CMOSカメラ
Sony製 超高画質CMOSセンサ搭載。3種類のピクセルクロック(PCLK)に対応し、
低速クロック対応のボードにも接続可能です。(41.5/64/83MHz)
6.5M 白黒カメラ
CMOSセンサを採用した超高精細白黒カメラです。
1.1型全画素を99fpsでの高速出力が可能です。
型式 | BC040M | BC040MC
カラー | BC160M | BC160MC
カラー | BC302LMG | BC505LMG | BC505LMCG
カラー | CSC6M100BMP11 | CSC6M100CMP11
カラー |
---|---|---|---|---|---|---|---|---|---|
撮像素子 | 1/2.9型GS-CMOS | 1/2.9型GS-CMOS | 1/2.9型GS-CMOS | 1/2.9型GS-CMOS | 1/1.8型GS-CMOS | 2/3型GS-CMOS | 2/3型GS-CMOS | 1.1型GS-CMOS | 1.1型GS-CMOS |
最大解像度 | 0.4M | 0.4M | 1.6M | 1.6M | 3.1M | 5M | 5M | 6.5M | 6.5M |
解像度 | 720×540 | 720×540 | 1,440×1,080 | 1,440×1,080 | 2,048×1,536 | 2,448×2,048 | 2,448×2,048 | 2,560×2,560 | 2,560×2,560 |
画素サイズ(H)×(V)μm | 6.90×6.90 | 6.90×6.90 | 3.45×3.45 | 3.45×3.45 | 3.45×3.45 | 3.45×3.45 | 3.45×3.45 | 5.0×5.0 | 5.0×5.0 |
撮像面積(mm) | 4.96×3.72 ※対角 約6.21 | 4.96×3.72 ※対角 約6.21 | 4.96×3.72 ※対角 約6.21 | 4.96×3.72 ※対角 約6.21 | 7.06×5.29 ※対角 約8.83 | 8.44×7.06 ※対角 約11.01 | 8.44×7.06 ※対角 約11.01 | 12.80×12.80 ※対角 約18.10 | 12.80×12.80 ※対角 約18.10 |
フレームレート | Mono8(3tap): 523fps(HF Mode) 436fps(STD Mode) Mono8(2tap): 377fps(STD Mode) | Bayer8(3tap):436fps Bayer8(2tap):377fps | Mono8(3tap):148fps Mono8(2tap): 99fps | Bayer8(3tap):148fps Bayer8(2tap): 99fps | Mono8
(3tap):56fps, Mono8(2tap):52fps | Mono8(3tap):36fps, Mono8(2tap):32.6fps | Bayer8(3tap):36fps Bayer8(2tap):32.6fps | Mono8:99fps | Bayer8:99fps |
カメラケーブル | PoCL対応 | PoCL対応 | PoCL対応 | PoCL対応 | PoCL対応 | PoCL対応 | PoCL対応 | PoCL対応 | PoCL対応 |
マウント | Cマウント | Cマウント | Cマウント | Cマウント | Cマウント | Cマウント | Cマウント | Cマウント | Cマウント |
感度 | 2,700lx (F11,1/125s) | 2,100lx (F8,1/125s) | 2,600lx (F11 1/31s) | 2,100lx (F8,1/31s) | 700lx (F5.6 1/52s) | 400lx (F5.6,1/32.6s) | 1,150lx (F5.6,1/32.6s) | 900lx (F5.6,1/62.5s) | 2,200lx (F5.6,1/62.5s) |
消費電力 | 1.6W以下 | 1.6W以下 | 1.7W以下 | 1.7W以下 | 1.8W以下 | 1.8W以下 | 2.2W以下 | 3.84W以下 | 3.84W以下 |
外形寸法(W)×(H)×(D)mm | 29×29×26.5 | 29×29×26.5 | 29×29×26.5 | 29×29×26.5 | 29×29×26.5 | 29×29×26.5 | 29×29×26.5 | 40×40×35 | 40×40×35 |
質量 | 約33g | 約33g | 約33g | 約33g | 約44g | 約44g | 約44g | 約100g | 約100g |
備考 | ※MG:防塵ガラス付 | - | ※MG:防塵ガラス付 | - | ※MG:防塵ガラス付 | ※MG:防塵ガラス付 | ※MCG:防塵ガラス付 | - | - |
外観図PDF | |
---|---|
外観図DXF | |
外観図3D |

InGaASカメラ
USB3.0/カメラリンク
640x512 □ 5μm / 1280x1024 □ 5μm / 2048x1536 □5μm / 2560×2048 □5μm)のInGaAS素子を搭載。
波長帯域:950nm ~ 1700nm 、低ノイズ、高感度なエリアセンサカメラになります。
卓上機(USB3.0)から、フルオートの大型装置向け(カメラリンク)まで、様々なインターフェースを選択する事が可能です。
640x512 □ 5μm / 1280x1024 □ 5μm / 2048x1536 □5μm / 2560×2048 □5μm)のInGaAS素子を搭載。
波長帯域:950nm ~ 1700nm 、低ノイズ、高感度なエリアセンサカメラになります。
卓上機(USB3.0)から、フルオートの大型装置向け(カメラリンク)まで、様々なインターフェースを選択する事が可能です。
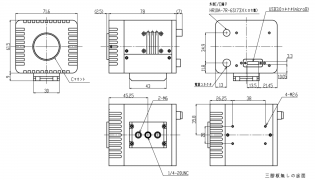
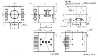
型式 | SDV-992A-USB3/-CL | SDV-990A-USB3/-CL | SDV-993A-USB3/-CL | SDV-991A-USB3/-CL |
---|---|---|---|---|
マウント | Cマウント | Cマウント | Cマウント | Cマウント |
インターフェース | -USB3:USB3.0 / -CL :Camera Link | -USB3:USB3.0 / -CL :Camera Link | -USB3:USB3.0 / -CL :Camera Link | -USB3:USB3.0 / -CL :Camera Link |
有効画素数 | 2560×2048 | 1280×1024 | 2048×1536 | 640×512 |
有効撮像面積 | 8.83×7.06mm | 6.4×5.12mm | 7.06×5.29 | 3.2×2.56mm |
画素サイズ | 5× 5μm | 5× 5μm | 5× 5μm | 5× 5μm |
フレームレート | 67fps(8bit) 33.5fps(12bit) | 134fps(8bit) 72fps(12bit) | 94fps(8bit) 47fps(12bit) | 258fps(8bit) 137fps(12bit) |
電子冷却 | 有 | 有 | 有 | 有 |
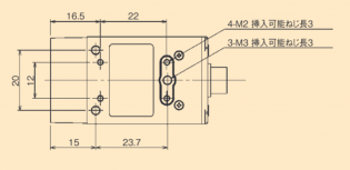
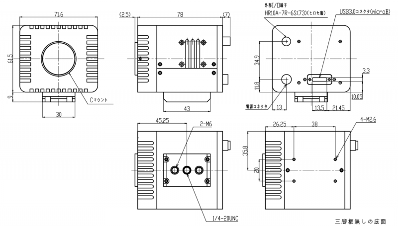
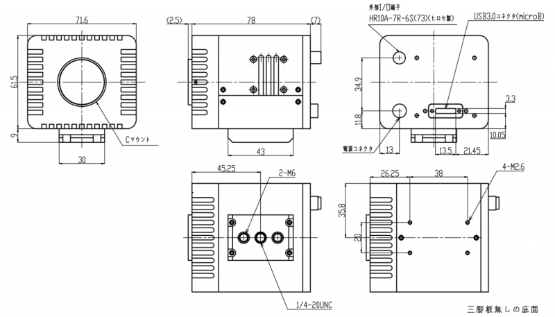
外形寸法 | 71.6(W)×61.5(H)×78(D) | 71.6(W)×61.5(H)×78(D) | 71.6(W)×61.5(H)×78(D) | 71.6(W)×61.5(H)×78(D) |
質量 | 110g | 110g | 110g | 110g |
カタログ | 2018Catalog_P77 |
---|

HDハイビジョンカメラ
STC-HD203DV
STC-HD853HDMI
PCレスで観察システムの構築を可能にします。
Fullハイビジョン1080P / 4K 2160P の高解像度の画像取得ができます。
オプションのリモコンを使用することでXY2本ずつ、
ラインを表示させる事が可能です。※
※色の変更もできます。
STC-HD853HDMI
PCレスで観察システムの構築を可能にします。
Fullハイビジョン1080P / 4K 2160P の高解像度の画像取得ができます。
オプションのリモコンを使用することでXY2本ずつ、
ラインを表示させる事が可能です。※
※色の変更もできます。
型式 | STC-HD213DV | STC-HD853HDMI |
---|---|---|
マウント | Cマウント | Cマウント |
インターフェース | HDMI | HDMI |
有効画素数 | 1920×1080 | 3840×2160 |
有効撮像面積 | 5.4(H)×3.0(V)mm | 6.22(H)×3.5(V)mm |
画素サイズ | 2.8×2.8μm | 1.62×1.62μm |
フレームレート | 60fps | 60fps |
電源 | UN-310-1210 ※別売 | UN-310-1210 ※別売 |
シャッター | ローリングシャッター | ローリングシャッター |
カタログ | 2018Catalog_P78 |
---|

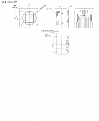
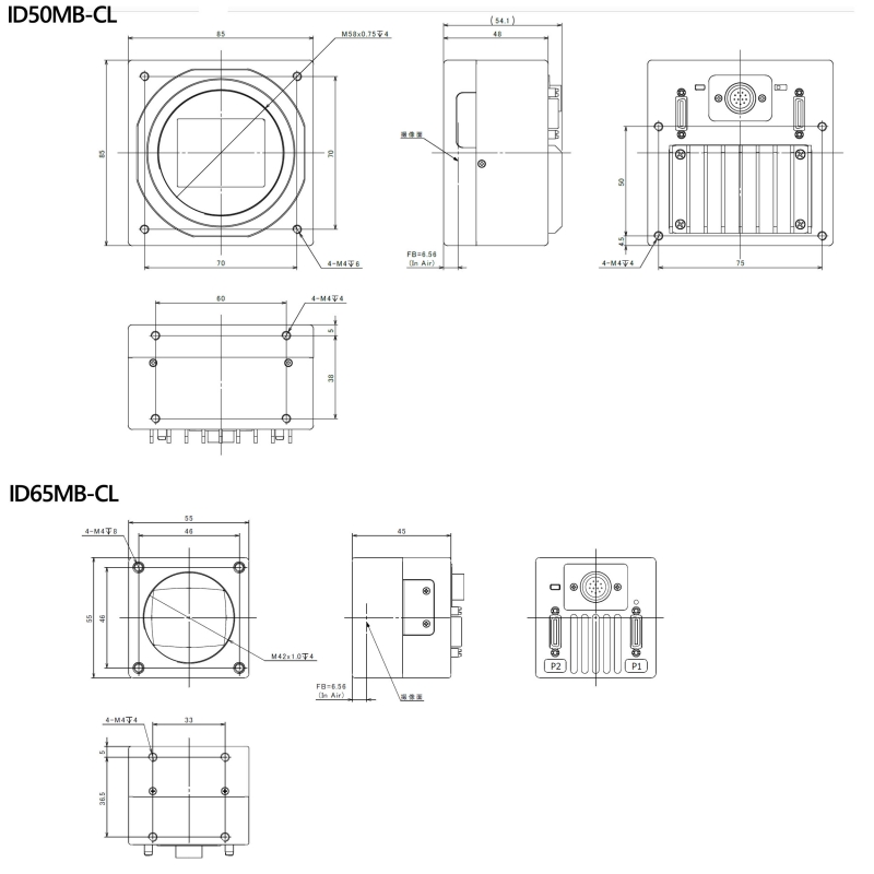
大型素子カメラ
12M & 25M & 50M & 65M
対角28.16mm:12M / 対角32.5mm:25M / 対角45.7mm:50M / 対角37.36mm:65M
の超広視野カメラになります。
高解像度で、広い撮像面積を有するため、タクトタイムの短縮に貢献します。
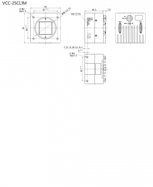
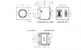
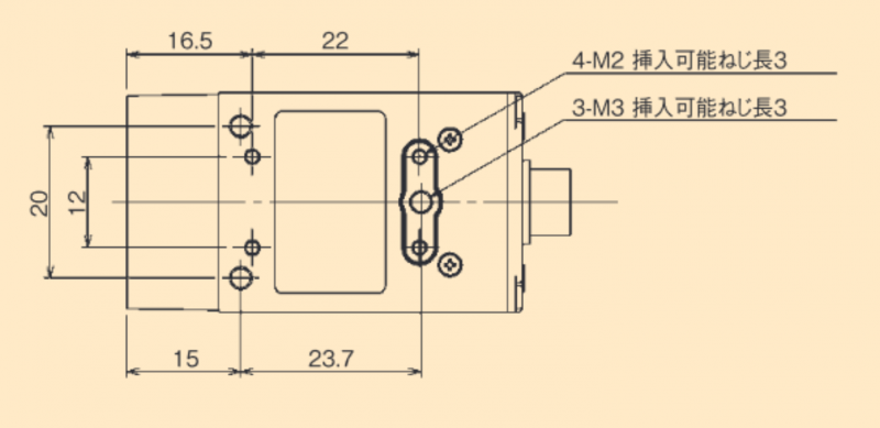
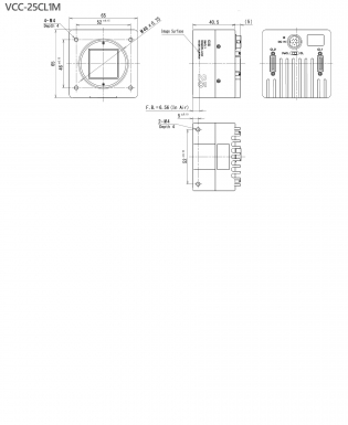
VCC-25CL1M:Base/Medium/Full/Deca Configuration対応
ID50MB-CL:Medium/Full Configuration対応
対角28.16mm:12M / 対角32.5mm:25M / 対角45.7mm:50M / 対角37.36mm:65M
の超広視野カメラになります。
高解像度で、広い撮像面積を有するため、タクトタイムの短縮に貢献します。
VCC-25CL1M:Base/Medium/Full/Deca Configuration対応
ID50MB-CL:Medium/Full Configuration対応
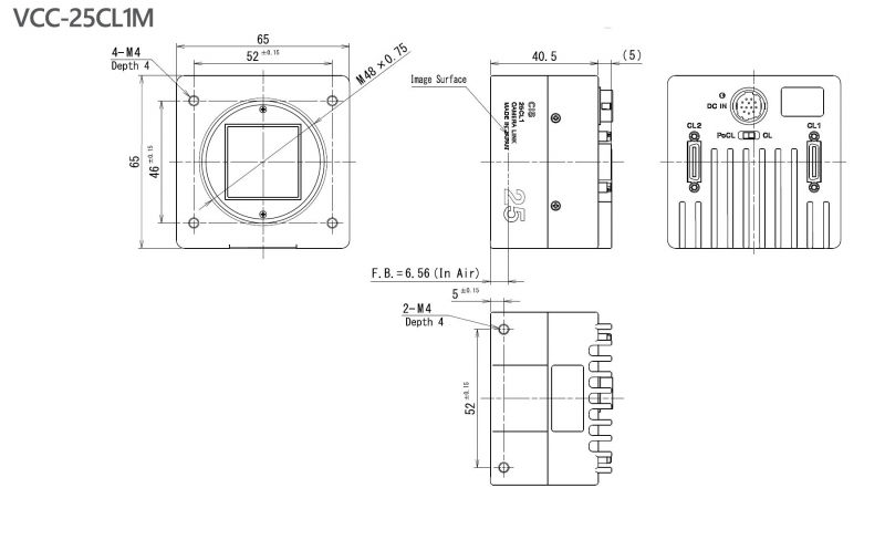
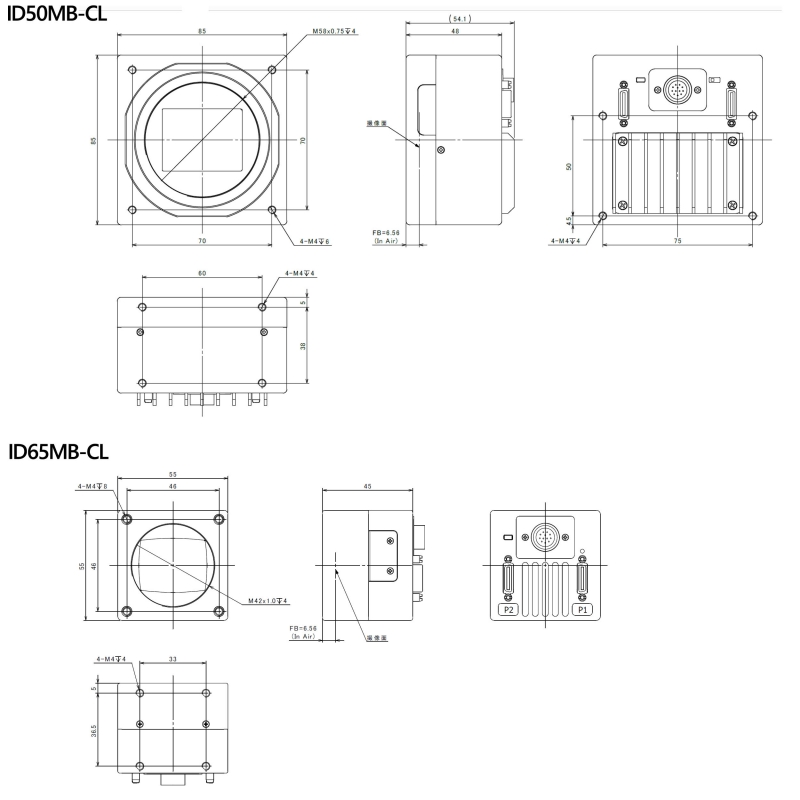
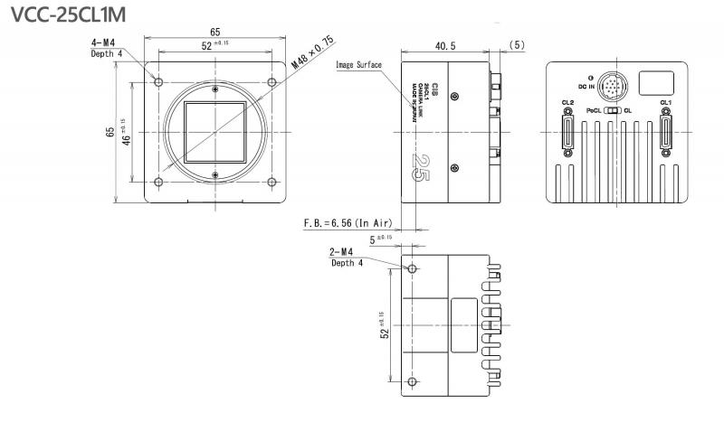
型式 | VCC-25CL1M | ID12MB-CL | ID25MB-CL | ID65MB-CL |
---|---|---|---|---|
マウント | M48マウント(Fマウント変換可) | M42マウント(Fマウント変換可) | M42マウント(Fマウント変換可) | M42マウント(Fマウント変換可) |
インターフェース | CameraLink(PoCL対応) | CameraLink(PoCL対応) | CameraLink(PoCL対応) | CameraLink(PoCL対応) |
有効画素数 | 5120×5120 | 4096×3072 | 5120×5120 | 9344×7000 |
有効撮像面積 | 23.0×23.0mm ◢ 32.5mm | 22.53×16.9mm ◢ 28.16mm | 12.8×12.8mm ◢ 18.1mm | 29.9×22.4mm ◢ 37.36mm |
画素サイズ | 4.5×4.5μm | 5.5×5.5μm | 2.5×2.5μm | 3.2×3.2μm |
フレームレート | Base:5fps(2tap 8bit/10bit) Med:10fps(4tap 8bit/10bit) Full:20/25fps(8tap 8bit) Deca:32fps(10tap 8bit) | Base:11fps(2tap) Med: 22fps(4tap) Full: 42fps(8tap ) | Base:5.6fps(2tap) 7.5fps(3tap) Med: 11.3fps(4tap) Full: 22.6fps(8tap) | Base:2.4fps(2tap) 3.1fps(3tap) Med: 4.7fps(4tap) Full: 9.4fps(8tap) |
電源 | PoCL 外部入力可 | PoCL 外部入力可 | PoCL 外部入力可 | PoCL 外部入力可 |
消費電流 | 8W | 4.5W | 5W | 6W |
外形寸法 | 65(W)×65(H)×40.54(D) | 55(W)×55(H)×30(D) | 55(W)×55(H)×45(D) | 55(W)×55(H)×45(D) |
質量 | 210g | 120g | 185g | 185g |
カタログ | 2018Catalog_P78 |
---|

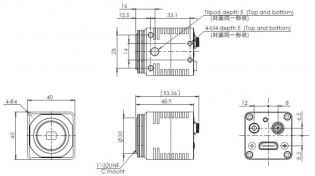
小型グローバルシャッタCMOSカメラ 120万画素(1.2M)
ID1Mシリーズ
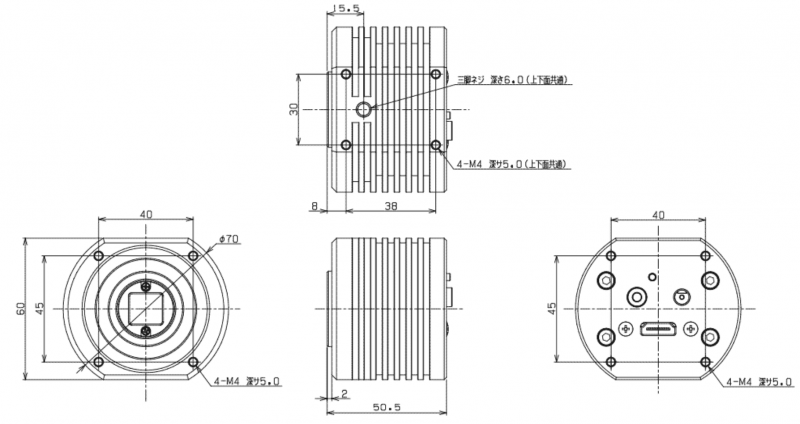
ID1MシリーズはM12・M10.5のレンズマウントに対応する120万画素(1.2Mpixel AR135)のヘッド分離小型GSカメラです。USB3.0とCamera Link I/Fの2種類のカメラ出力に対応しており、CCU(カメラコントロルユニット)は2台のカメラヘッドを同期して1画像として出力する事もできますので多眼の同期撮影に便利です。
・φ14mmの小型ヘッド分離カメラ
・2ヘッド同期取込み
・USB、Camera Link 2種類のカメラ出力対応
・φ12カメラ専用鏡筒 IMB/IMPシリーズも、各倍率取り揃えております。【対応レンズはこちら】
ID1MシリーズはM12・M10.5のレンズマウントに対応する120万画素(1.2Mpixel AR135)のヘッド分離小型GSカメラです。USB3.0とCamera Link I/Fの2種類のカメラ出力に対応しており、CCU(カメラコントロルユニット)は2台のカメラヘッドを同期して1画像として出力する事もできますので多眼の同期撮影に便利です。
・φ14mmの小型ヘッド分離カメラ
・2ヘッド同期取込み
・USB、Camera Link 2種類のカメラ出力対応
・φ12カメラ専用鏡筒 IMB/IMPシリーズも、各倍率取り揃えております。【対応レンズはこちら】
基本仕様 | ID1MB-UCL (1ヘッドタイプ) | ID1MC-UCL (1ヘッドタイプ) | ID1MBx2-UCL (2ヘッドタイプ) | ID1MCx2-UCL (2ヘッドタイプ) |
---|---|---|---|---|
撮像素子 | 1/3型GS-CMOS m o n o | 1/3型GS-CMOS c o l o r | 1/3型GS-CMOS m o n o | 1/3型GS-CMOS c o l o r |
最大解像度 | 1.2M | 1.2M | 1.2M | 1.2M |
有効画素数 | 1,280×960 | 1,280×960 | 1,280×960 2,560×960 (2ヘッド同期有効画素) | 1,280×960 2,560×960 (2ヘッド同期有効画素) |
画素サイズ(H)×(V)μm | 3.75×3.75 | 3.75×3.75 | 3.75×3.75 | 3.75×3.75 |
撮像面積(mm) | 4.8×3.6 ※対角 約6.0 | 4.8×3.6 ※対角 約6.0 | 4.8×3.6 ※対角 約6.0 | 4.8×3.6 ※対角 約6.0 |
カメラヘッド数 | 1 | 1 | 2 | 2 |
インターフェース | USB3.0 Camera Link Base(PoCL対応) | USB3.0 Camera Link Base(PoCL対応) | USB3.0 Camera Link Base(PoCL対応) | USB3.0 Camera Link Base(PoCL対応) |
分解能 | USB:モノクロ8bit(10/12bit TBD) Camera Link: モノクロ8/10/12bit | USB:Rawカラー8bit(10/12bit TBD)
YUV8bit Camera Link:Rawカラー8/10/12bit YUV8/10/12bit・RGB8bit | USB:モノクロ8bit(10/12bit TBD) Camera Link: モノクロ8/10/12bit | USB:Rawカラー8bit(10/12bit TBD)
YUV8bit Camera Link:Rawカラー8/10/12bit YUV8/10/12bit・RGB8bit |
フレームレート (垂直ライン数変更で高速化可能) | 1,280 x 960 @54fps 1,280 x 720 @60fps 1,280 x 480 @100fps | 1,280 x 960 @54fps 1,280 x 720 @60fps 1,280 x 480 @100fps | 2,560 x 960 @54fps 2,560 x 720 @60fps 2,560 x 480 @100fps | 2,560 x 960 @54fps 2,560 x 720 @60fps 2,560 x 480 @100fps |
レンズマウント | M12マウント(標準) M10.5マウント(ご発注時指定) | M12マウント(標準) M10.5マウント(ご発注時指定) | M12マウント(標準) M10.5マウント(ご発注時指定) | M12マウント(標準) M10.5マウント(ご発注時指定) |
消費電力 | 2.5W以下 | 2.5W以下 | 2.5W以下 | 2.5W以下 |
カメラヘッドサイズ | φ14mm W 54mm CCU:W 80mm D 50mm H 25mm(突起含まず) | φ14mm W 54mm CCU:W 80mm D 50mm H 25mm(突起含まず) | φ14mm W 54mm CCU:W 80mm D 50mm H 25mm(突起含まず) | φ14mm W 54mm CCU:W 80mm D 50mm H 25mm(突起含まず) |
カメラヘッドケーブル長 | 標準2m(5m以上対応可能) | 標準2m(5m以上対応可能) | 標準2m(5m以上対応可能) | 標準2m(5m以上対応可能) |
重量 | 6g(レンズ・ケーブル含まず) | 6g(レンズ・ケーブル含まず) | 6g(レンズ・ケーブル含まず) | 6g(レンズ・ケーブル含まず) |



着脱式ロボットケーブル対応やLアングルヘッド対応可能です。お問い合わせください。
φ12カメラ専用鏡筒 IMB/IMPシリーズも各倍率取り揃えております。
φ12カメラ専用鏡筒 IMB/IMPシリーズも各倍率取り揃えております。

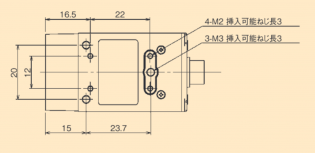
CoaXPress対応カメラ
高速フォーマットのCoaXPressインターフェースのカメラになります。
CXP-12 Quadの採用により、USB3.0の10倍、CameraLinkの7倍の帯域を実現。
スループット向上により、タクトタイム短縮に貢献します。
CXP-12 Quadの採用により、USB3.0の10倍、CameraLinkの7倍の帯域を実現。
スループット向上により、タクトタイム短縮に貢献します。
型式 | STC-CMB120ACXP | VCC-25CXP1M | VCC-25CXPHSM-F | EX3708MG-X | BC-GM65M6X4H | BC-GM65M12X4 | EX670AMG-X |
---|---|---|---|---|---|---|---|
撮像素子 | APS CMOS | APS-H CMOS | 1.1型 CMOS | 4/3型 CMOS | 2.3型 CMOS | 2.3型 CMOS | 1.8型(APS-C) CMOS |
最大解像度 | 12.6M | 26M | 26M | 37.7M | 65M | 65M | 67M |
解像度 | 4096×3072 | 5120×5120 | 5120×5120 | 6144×6144 | 9344×7000 | 9344×7000 | 8192×8192 |
画素サイズ(H)×(V)μm | 5.5×5.5 | 4.5×4.5 | 2.5×2.5 | 2.5×2.5 | 3.2×3.2 | 3.2×3.2 | 2.5×2.5 |
撮像面積(mm) | 22.50×16.90 ※対角 約28.14 | 23.04×23.04 ※対角 約32.58 | 12.08×12.08 ※対角 約17.08 | 15.36×15.36 ※対角 約21.72 | 29.90×22.40 ※対角 約37.36 | 29.90×22.40 ※対角 約37.36 | 20.48×20.48 ※対角 約28.96 |
フレームレート | 186.9fps | 81.83fps | 150fps | 115fps | 35.5fps | 71fps | 64.5fps |
マウント | M42/Fマウント | M48 | M48 | φ50 H7
(オプションでM42 / Fマウントに変更可能) | M42/Fマウント | M42/Fマウント | φ50 H7
(オプションでM42 / Fマウントに変更可能) |
感度 | 370lx (F5.6, 1/30s) | 400lx (F8, 1/30s) | 400lx (F2.8, 1/150s) | 2,350 lx (F5.6, 1/125s) | 990lx (F5.6,1/30s) | 990lx (F5.6,1/30s) | 2,500lx (F8,1/66.8s) |
消費電力 | 10W以下 | 10.6W以下 | 15.5W以下 | 13.6W以下 | 6.4W以下 | 8.7W以下 | 13W以下 |

I/Fボード(USB3.0 I/Fボード)
APX-3424-1
USB3.0 I/Fボード
4ch USB3.0 ボードになります。
全てのポートにコントローラチップを配置し、複数のカメラを接続した時におこる帯域不足をクリアします。
※フロントパネル用に2ch空きがあります。
コントローラチップを共有しておりますので、重複をご確認の上、ご使用下さい。
USB3.0 I/Fボード
4ch USB3.0 ボードになります。
全てのポートにコントローラチップを配置し、複数のカメラを接続した時におこる帯域不足をクリアします。
※フロントパネル用に2ch空きがあります。
コントローラチップを共有しておりますので、重複をご確認の上、ご使用下さい。
型式 | APX-3424-1 |
---|---|
入力 | USB3.0×4 300MB/sカメラ対応 |
コントローラ | RENESAS社μPD720202 |
対応バス | PCI Express 2.0 ×4(Gen2)5.0GT/S |
対応OS | Windows7/10 各32/64bitに対応 |
外形寸法 | 168×112mm、パネル幅20mm RoHS対応 |
カタログ | 2018Catalog_P79 |
---|

I/Fボード(GigE I/Fボード)
APX-3404
GigE I/Fボード
カメラ用のPoE(Power over Ethernet)を4ch搭載したボードになります。
4台のカメラを接続でき、自動認識して、電源を供給する事ができます。
GigE I/Fボード
カメラ用のPoE(Power over Ethernet)を4ch搭載したボードになります。
4台のカメラを接続でき、自動認識して、電源を供給する事ができます。
型式 | APX-3404 |
---|---|
入力 | RJ45×4 PoE対応 10/100/1000Base-T |
コントローラ | 82580EB |
対応バス | PCI Express 2.0 ×4(Gen2)5.0GT/S |
対応OS | Windows7/10 各32/64bitに対応 |
外形寸法 | 168×112mm、パネル幅20mm RoHS対応 |
カタログ | 2018Catalog_P80 |
---|

I/Fボード(カメラリンク I/Fボード)
カメラリンク I/Fボード
APX-3323
PCI-Express規格のCamera Link画像入力ボード。PoCLに
対応し、Base/Medium/Full/Deca Configurationカメラ
を接続する事ができます。
APX-3326A
Camera Link のカメラを最大2台接続可能な画像入力ボード
になります。同じくPoCLに対応し、Base/Medium/Full/
Deca Configurationに対応しております。
APX-3323
PCI-Express規格のCamera Link画像入力ボード。PoCLに
対応し、Base/Medium/Full/Deca Configurationカメラ
を接続する事ができます。
APX-3326A
Camera Link のカメラを最大2台接続可能な画像入力ボード
になります。同じくPoCLに対応し、Base/Medium/Full/
Deca Configurationに対応しております。
型式 | APX-3323A | APX-3326D |
---|---|---|
入力 | Mini CL ×2(SDR 26pin)PoCL対応 Base/Medium/Full/Deca Configuration | Mini CL ×4(SDR 26pin)PoCL対応 Base/Medium/Full/Deca Configuration |
コントローラ | 1ch | 2ch |
対応バス | PCI Express 2.0 ×4(Gen2)2.5GT/S | PCI Express 2.0 ×4(Gen2)5.0GT/S |
対応OS | Windows10 64bitに対応 | Windows10 64bitに対応 |
外形寸法 | 167.65×111.15mm、パネル幅20mm RoHS対応 | 167.65×111.15mm、パネル幅20mm RoHS対応 |
カタログ | 2018Catalog_P79 |
---|

I/Fボード(CoaXPress I/Fボード)
Coaxlink Quad CXP-12
CoaXPress 3.0規格のCoaXPressカメラを接続することができます。
PoCXPに対応し、4台までのCXP-12のカメラに接続することができます。※x4 接続:1台
Coaxlink Quad G3
CoaXPress 3.0規格のCoaXPressカメラを接続することができます。
PoCXPに対応し、4台までのCXP-6のカメラに接続することができます。※x4 接続:1台
CoaXPress 3.0規格のCoaXPressカメラを接続することができます。
PoCXPに対応し、4台までのCXP-12のカメラに接続することができます。※x4 接続:1台
Coaxlink Quad G3
CoaXPress 3.0規格のCoaXPressカメラを接続することができます。
PoCXPに対応し、4台までのCXP-6のカメラに接続することができます。※x4 接続:1台
型式 | Coaxlink Quad CXP-12 | Coaxlink Quad G3 |
---|---|---|
入力 | Micro-BNC(4ch) CXP-12 | Micro-BNC(4ch) CXP-6 |
コントローラ | | |
対応バス | PCI Express 3.0 ×8(Gen3)8.0GT/S x4 | PCI Express 3.0 ×4(Gen3)8.0GT/S x4 |
対応OS | Windows7/8.1/10/11(64bit) | Windows7/8.1/10/11(64bit) |
外形寸法 | 67.65×111.15mm | 67.65×111.15mm |

ライン発生機能付きビューワーソフトウェア
Easy Measuring Viewer
ライン発生機能きビューワーソフトウェア
Easy Measuring ViewerはPC画面のリアルタイム画像上に各種ラインを表示させ、線間ピッチの表示機能などを使用することにより、画像データに加え簡易的な寸法計測、計測データの保存が可能です。
カメラは東芝テリー製、BU(USB3.0 Vision)および、BG(GigE Vision)シリーズに対応しており、ノートPCでの運用も可能なため卓上での実験をはじめ、現場での急な対応にも力を発揮します。
ライン発生機能きビューワーソフトウェア
Easy Measuring ViewerはPC画面のリアルタイム画像上に各種ラインを表示させ、線間ピッチの表示機能などを使用することにより、画像データに加え簡易的な寸法計測、計測データの保存が可能です。
カメラは東芝テリー製、BU(USB3.0 Vision)および、BG(GigE Vision)シリーズに対応しており、ノートPCでの運用も可能なため卓上での実験をはじめ、現場での急な対応にも力を発揮します。
仕様 | |
---|---|
対応OS | Windows7/8/8.1/10(64bit推奨) |
動作環境 | RAM:4GB以上推奨 CPU:i3以上推奨 |
対応カメラ | 東芝テリー(株)BU/BGシリーズ(8bit) |
各種機能 | ◆ライン表示 XY線:各3ライン 角度線:2ライン 中心線(目盛表示) 同心円 グリッド線 ※各ラインは下記項目の個別設定可能 色・太さ・ライン形状(実線/点線/破線/一点鎖線/二点鎖線) ◆2点間距離計測 ◆3点円弧 ◆2値化 |
画像保存 | ライン描画 ON/OFF選択可能 |
画像保存形式 | BMP/JPG/TIFF |
対応言語 | 日本語/英語/中国語(繁体字/簡体字) |
カタログ | 2018Catalog_P80 |
---|

LCDモニター
LCDモニター
8.4型LCDモノクロモニター
8.4型LCDパネルを採用した、モノクロビデオモニターです。
背面スイッチの設定により、X、Y各2ラインずつ電子ラインを発生させることができます。
8.4型LCDモノクロモニター
8.4型LCDパネルを採用した、モノクロビデオモニターです。
背面スイッチの設定により、X、Y各2ラインずつ電子ラインを発生させることができます。
型式 | CM-562ED | CM-700H | LDA-110W1 |
---|---|---|---|
画面寸法 | 5.6インチTFT 112.896(W)x84.672(H)mm | 7.0インチTFT 154.08(W)x85.92(H)mm | 10.1インチTFT 217(W)x136(H)mm |
表示 | 640×480 | 800×480 | 1280×800 |
入力系統1 | コンポジット① | コンポジット | 映像入力 BNC x1 |
入力系統2 | コンポジット② | HDMI | HDMI |
入力系統3 | - | - | D-sub |
出力系統 | 映像出力 RCA ×1 | × | 映像出力 BNC ×1 |
ACアダプター | 別売:DC12V-1ASW | 別売:DC12V-2ASW | 付属:DC12V-2ASW |
外形寸法 | 163(W)×112(H) ×30(D)mm | 201(W)×117(H) ×30.7(D)mm | 245.6(W)×172.8(H) ×42.7(D)mm |
質量 | 300g | 400g | 約900g |
消費電力 | 約5W | 約10.8W | 約8W |