
| 型式 | BU040M/MG | BU132M | BU160M/MG | BU205M | BU238M | BU300MG | BU302MG | BU406M | BU406MN | BU502MG | BU505MG | BU602M | BU805MG | BU1207MG | BU1208MG | BU2006MG | BU2409MG |
|---|---|---|---|---|---|---|---|---|---|---|---|---|---|---|---|---|---|
| 撮像素子 | 1/2.9型GS-CMOS | 1/1.8型GS-CMOS | 1/2.9型GS-CMOS | 2/3型GS-CMOS | 1/1.2型GS-CMOS | 1/3型GS-CMOS | 1/1.8型GS-CMOS | 1.0型GS-CMOS | 1.0型GS-CMOS | 1/1.8型GS-COMS | 2/3型GS-CMOS | 1/1.8型RS-COMS | 2/3型GS-CMOS | 1.1型GS-CMOS | 1/1.1型GS-CMOS | 1.0型RS-CMOS | 1.2型GS-CMOS |
| 最大解像度 | 0.4M | 1.3M | 1.6M | 2.2M | 2.3M | 3.1M | 3.1M | 4.2M | 4.2M | 5M | 5M | 6.2M | 8.1M | 12.3M | 12.3M | 20M | 24.5M |
| 解像度 | 720×540 | 1,280×1,024 | 1,440×1,080 | 2,048×1,088 | 1,920×1,200 | 2,048×1,536 | 2,048×1,536 | 2,048×2,048 | 2,048×2,048 | 2,448×2,048 | 2,448×2,048 | 3,072×2,048 | 2,848×2,848 | 4,096×3,000 | 4,096×3,008 | 5,472×3,648 | 5,328×4,608 |
| 画素サイズ(H)×(V)μm | 6.90×6.90 | 5.30×5.30 | 3.45×3.45 | 5.50×5.50 | 5.86×5.86 | 2.25×2.25 | 3.45×3.45 | 5.50×5.50 | 5.50×5.50 | 2.74×2.74 | 3.45×3.45 | 2.40×2.40 | 2.74×2.74 | 3.45×3.45 | 2.74×2.74 | 2.40×2.40 | 2.74×2.74 |
| 撮像面積(mm) | 4.96×3.72 ※対角 約6.21 | 6.78×5.42 ※対角 約8.68 | 4.96×3.72 ※対角 約6.21 | 11.26×5.98 ※対角 約12.75 | 11.25×7.03 ※対角 約13.26 | 4.60×3.45 ※対角 約5.76 | 7.06×5.29 ※対角 約8.83 | 11.26×11.26 ※対角 約15.92 | 11.26×11.26 ※対角 約15.92 | 6.70×5.61 ※対角 約8.74 | 8.44×7.06 ※対角 約11.01 | 7.37×4.91 ※対角 約8.86 | 7.80×7.80 ※対角 約11.03 | 14.13×10.35 ※対角 約17.51 | 11.22×8.24 ※対角 約13.92 | 13.13×8.75 ※対角 約15.78 | 14.59×12.62 ※対角 約19.30 |
| フレームレート | Mono8: 523fps(HF Mode) 437fps(STD Mode) | Mono8:61fps | Mono8: 240fps(HF Mode) 227fps(STD Mode) | Mono8:170fps | Mono8:165fps | Mono8:64fps | Mono8:120fps | Mono8:90fps | Mono8:90fps | Mono8: 75.6fps(HF Mode) 74.9fps(STD Mode) | Mono8:75fps | Mono8:60fps | Mono8:46.7fps | Mono8:31fps | Mono8:30.8fps | Mono8:19fps | Mono8:15fps |
| マウント | Cマウント | Cマウント | Cマウント | Cマウント | Cマウント | Cマウント | Cマウント | Cマウント | Cマウント | Cマウント | Cマウント | Cマウント | Cマウント | Cマウント | Cマウント | Cマウント | Cマウント |
| 感度 | 2,800lx (F5.6,1/500s) | 500lx (F5.6,1/62.5s) | 3,000lx (F4,1/250s) | 3,300lx (F8,1/200s) | 3,300lx (F8,1/200s) | 2,010lx (F5.6,1/83.3s) | 3,250lx (F5.6,1/120s) | 3,000lx (F11,1/90s) | 2,400lx (F11,1/90s) | 2,710lx (F5.6,1/83.3s) | 2,100lx (F5.6,1/75s) | 2,100lx (F5.6,1/62.5s) | 3,480lx (F8,1/52.6s) | 860lx (F5.6,1/32s) | 2,600lx (F8,1/35.7s) | 1,940lx (F5.6,1/19s) | 1,950lx (F11,1/20s) |
| 電源 | DC+5V±5% (USBコネクタより給電) | DC+5V±5% (USBコネクタより給電) | DC+5V±5% (USBコネクタより給電) | DC+5V±5% (USBコネクタより給電) | DC+5V±5% (USBコネクタより給電) | DC+5V±5% (USBコネクタより給電) | DC+5V±5% (USBコネクタより給電) | DC+5V±5% (USBコネクタより給電) | DC+5V±5% (USBコネクタより給電) | DC+5V±5% (USBコネクタより給電) | DC+5V±5% (USBコネクタより給電 | DC+5V±5% (USBコネクタより給電 | DC+5V±5% (USBコネクタより給電 | DC+5V±5% (USBコネクタより給電 | DC+5V±5% (USBコネクタより給電 | DC+5V±5% (USBコネクタより給電 | DC+5V±5% (USBコネクタより給電 |
| 消費電力 | 2.2W以下 | 1.7W以下 | 2.4W以下 | 2.7W以下 | 2.9W以下 | 2.4W以下 | 2.9W以下 | 2.7W以下 | 2.7W以下 | 2.7W以下 | 2.9W以下 | 2.4W以下 | 2.7W以下 | 3.0W以下 | 2.8W以下 | 2.7W以下 | 3.3W以下 |
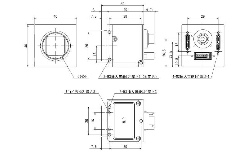
| 外形寸法(W)×(H)×(D)mm | 29×29×16 | 29×29×16 | 29×29×16 | 29×29×16 | 29×29×16 | 29×29×16 | 29×29×16 | 29×29×16 | 29×29×16 | 29×29×16 | 29×29×16 | 29×29×16 | 29×29×16 | 29×29×16 | 29×29×16 | 29×29×16 | 29×29×16 |
| 質量 | 約33g | 約33g | 約33g | 約32g | 約32g | 約33g | 約33g | 約32g | 約32g | 約33g | 約33g | 約33g | 約33g | 約34g | 約33g | 約34g | 約33g |
| 備考 | MG:防塵ガラス付 | - | MG:防塵ガラス付 | - | - | MG:防塵ガラス付 | MG:防塵ガラス付 | - | ※MN:IR感度向上品 | MG:防塵ガラス付 | MG:防塵ガラス付 | - | MG:防塵ガラス付 | MG:防塵ガラス付 | MG:防塵ガラス付 | MG:防塵ガラス付 | MG:防塵ガラス付 |
| 外観図PDF | |
|---|---|
| 外観図DXF | |
| 外観図3D |

| 型式 | BU040MCG/MCF | BU160MCG/MCF | BU238MC/MCF | BU300MCF | BU302MCG/MCF | BU406MC/MCF | BU502MCF | BU505MCG/MCF | BU602MC/MCF | BU805MCF | BU1203MC/MCF | BU1207MCF | BU1208MCF | BU2006MCF | BU2409MCG/MCF |
|---|---|---|---|---|---|---|---|---|---|---|---|---|---|---|---|
| 撮像素子 | 1/2.9型GS-CMOS
| 1/2.9型GS-CMOS
| 1/1.2型GS-CMOS
| 1/3型GS-CMOS
| 1/1.8型GS-CMOS
| 1.0型GS-CMOS
| 1/1.8型GS-CMOS | 2/3型GS-CMOS
| 1/1.8型RS-CMOS | 2/3型GS-CMOS
| 1/1.7型RS-CMOS
| 1.1型GS-CMOS
| 1/1.1型GS-CMOS
| 1.0型RS-CMOS
| 1.2型GS-CMOS
|
| 最大解像度 | 0.4M | 1.6M | 2.3M | 3.1M | 3.1M | 4.2M | 5M | 5M | 6.2M | 8.1M | 12M | 12.3M | 12.3M | 20M | 24.5M |
| 解像度 | 720×540 | 1,440×1,080 | 1,920×1,200 | 2,048×1,536 | 2,048×1,536 | 2,048×2,048 | 2,448×2,048 | 2,448×2,048 | 3.072×2,048 | 2,848×2,848 | 4,000×3,000 | 4,096×3,000 | 4,096×3,008 | 5,472×3,648 | 5,328×4,608 |
| 画素サイズ(H)×(V)μm | 6.90×6.90 | 3.45×3.45 | 5.86×5.86 | 2.25×2.25 | 3.45×3.45 | 5.50×5.50 | 2.74×2.74 | 3.45×3.45 | 2.40×2.40 | 2.74×2.74 | 1.85×1.85 | 3.45×3.45 | 2.74×2.74 | 2.40×2.40 | 2.74×2.74 |
| 撮像面積(mm) | 4.96×3.72 ※対角 約6.21 | 4.96×3.72 ※対角 約6.21 | 11.25×7.03 ※対角 約13.26 | 4.60×3.45 ※対角 約5.76 | 7.06×5.29 ※対角 約8.83 | 11.26×11.26 ※対角 約15.92 | 6.70×5.61 ※対角 約8.74 | 8.44×7.06 ※対角 約11.01 | 7.37×4.95 ※対角 約8.86 | 7.80×7.80 ※対角 約11.03 | 7.40×5.55 ※対角 約9.25 | 14.13×10.35 ※対角 約17.51 | 11.22×8.24 ※対角 約13.92 | 13.13×8.75 ※対角 約15.78 | 14.57×12.60 ※対角 約19.3 |
| フレームレート | Bayer8/Mono8: 523fps(HF Mode) 436fps(STD Mode) | Bayer8/Mono8: 240fps(HF Mode) 227fps(STD Mode) | Bayer8:165fps | 64fps(Bayer 8bit) | Bayer8/Mono8:120fps | Bayer8:90fps | Bayer8: 75.6fps(HF Mode) 74.9fps(STD Mode) | Bayer8/Mono8:75fps | Bayer8/Mono8:60fps | Bayer8:46.7fps | Bayer8/Mono8:30fps | Bayer8:31fps | Bayer8:30.8fps | Bayer8:19fps | Bayer8:15fps |
| マウント | Cマウント | Cマウント | Cマウント | Cマウント | Cマウント | Cマウント | Cマウント | Cマウント | Cマウント | Cマウント | Cマウント | Cマウント | Cマウント | Cマウント | Cマウント |
| 感度 | MCG:2,300lx MCF:2,500lx (F4,1/500s) | MCG:2,300lx MCF:2,400lx (2.8,1/250s) | MC:3,700lx MCF:4,100lx (F8,1/200s) | 2,870lx (F5.6,1/83.3s) | MCG:2,400lx MCF:2,650lx (F4,1/120s) | MC :3,700lx MCF:4,100lx (F8,1/90s) | 2,390lx (F4,1/83.3s) | MCG:3,000lx MCF:3,300lx (F5.6,1/52.6s) | MC:3,000lx MCF:3,400lx (F5.6,1/62.5s) | 3,000lx (F5.6,1/46.7s) | MC:4,200lx MCF:4,600lx (F8,1/30s) | 1,425lx (F5.6,1/31s) | 2,300lx (F5.6,1/35.7s) | 1,940lx (F5.6,1/19s) | MCG:1,850lx MCF:2,000lx (F8,1/20s) |
| 電源 | DC+5V±5% (USBコネクタより給電) | DC+5V±5% (USBコネクタより給電) | DC+5V±5% (USBコネクタより給電) | DC+5V±5% (USBコネクタより給電) | DC+5V±5% (USBコネクタより給電) | DC+5V±5% (USBコネクタより給電) | DC+5V±5% (USBコネクタより給電) | DC+5V±5% (USBコネクタより給電) | DC+5V±5% (USBコネクタより給電) | DC+5V±5% (USBコネクタより給電) | DC+5V±5% (USBコネクタより給電) | DC+5V±5% (USBコネクタより給電) | DC+5V±5% (USBコネクタより給電) | DC+5V±5% (USBコネクタより給電) | DC+5V±5% (USBコネクタより給電) |
| 消費電力 | 3.2W以下 | 3.4W以下 | 2.9W以下 | 3.0W以下 | 3.6W以下 | 2.7W以下 | 2.7W以下 | 3.6W以下 | 3.0W以下 | 2.7W以下 | 2.7W以下 | 3.1W以下 | 2.8W以下 | 2.9W以下 | 3.3W以下 |
| 外形寸法(W)×(H)×(D)mm | 29×29×16 | 29×29×16 | 29×29×16 | 29×29×16 | 29×29×16 | 29×29×16 | 29×29×16 | 29×29×16 | 29×29×16 | 29×29×16 | 29×29×16 | 29×29×16 | 29×29×16 | 29×29×16 | 29×29×16 |
| 質量 | 約33g | 約33g | 約32g | 約33g | 約33g | 約32g | 約33g | 約33g | 約33g | 約33g | 約32g | 約34g | 約33g | 約34g | 約33g |
| 備考 | ※MCG:防塵ガラス付 ※MCF:IRカットフィルタ付 | ※MCG:防塵ガラス付 ※MCF:IRカットフィルタ付 | ※MCF:IRカットフィルタ付 | ※MCF:IRカットフィルタ付 | ※MCG:防塵ガラス付 ※MCF:IRカットフィルタ付 | ※MCF:IRカットフィルタ付 | ※MCF:IRカットフィルタ付 | ※MCG:防塵ガラス付 ※MCF:IRカットフィルタ付 | ※MCF:IRカットフィルタ付 | ※MCF:IRカットフィルタ付 | ※MCF:IRカットフィルタ付 | ※MCF:IRカットフィルタ付 | ※MCF:IRカットフィルタ付 | ※MCF:IRカットフィルタ付 | ※MCG:防塵ガラス付 ※MCF:IRカットフィルタ付 |
| 外観図PDF | |
|---|---|
| 外観図DXF | |
| 外観図3D |

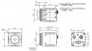
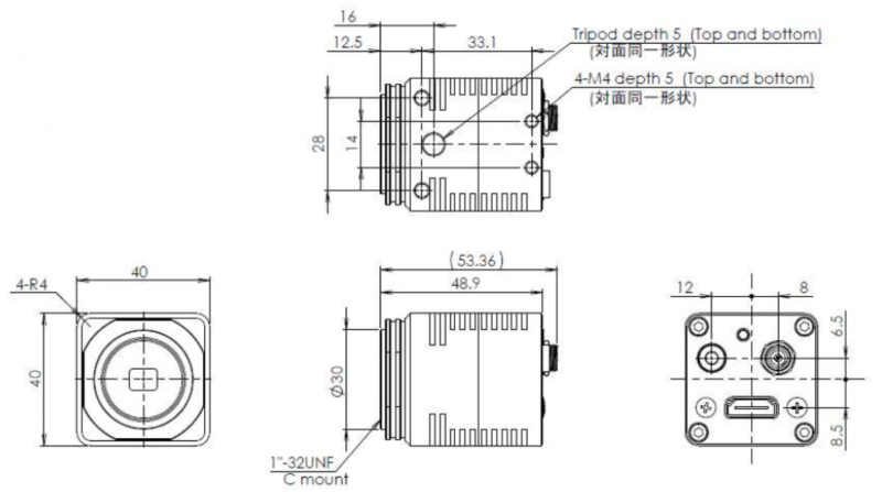
| 型式 | DU657M | DU657MC
カラー | DU1207MG | DU1207MCF
カラー | DDU1207MG | DDU1207MCF
カラー | DDU1607MG | DDU1607MCG
カラー | DDU2607MG | DDU2607MCG/MCF
カラー |
|---|---|---|---|---|---|---|---|---|---|---|
| 撮像素子 | 1.1型GS-CMOS | 1.1型GS-CMOS | 1.1型GS-CMOS | 1.1型GS-CMOS | 1.1型GS-CMOS | 1.1型GS-CMOS | 1.1型GS-CMOS | 1.1型GS-CMOS | 1.1型GS-CMOS | 1.1型GS-CMOS |
| 最大解像度 | 6.5M | 6.5M | 12.3M | 12.3M | 12.3M | 12.3M | 16M | 16M | 26.2M | 26.2M |
| 解像度 | 2,560×2,560 | 2,560×2,560 | 4,096×3,000 | 4,096×3,000 | 4,096×3,000 | 4,096×3,000 | 4,000×4,000 | 4,000×4,000 | 5,120×5,120 | 5,120×5,120 |
| 画素サイズ(H)×(V)μm | 5.0×5.0 | 5.0×5.0 | 3.45×3.45 | 3.45×3.45 | 3.45×3.45 | 3.45×3.45 | 3.20×3.20 | 3.20×3.20 | 2.50×2.50 | 2.50×2.50 |
| 撮像面積(mm) | 12.80×12.80 ※対角 約18.1 | 12.80×12.80 ※対角 約18.1 | 14.10×10.35 ※対角 約17.5 | 14.10×10.35 ※対角 約17.5 | 14.10×10.35 ※対角 約17.5 | 14.10×10.35 ※対角 約17.5 | 12.80×12.80 ※対角 約18.1 | 12.80×12.80 ※対角 約18.1 | 12.80×12.80 ※対角 約18.1 | 12.80×12.80 ※対角 約18.1 |
| フレームレート | Mono8:55fps | Bayer8:55fps | Mono8:32fps | Bayer8/Mono8:31fps | <Dual/Single>
Mono8:62/31fps | <Dual/Single>
Bayer8/Mono8:62/31fps | <Dual/Single>
Mono8:47/23fps | <Dual/Single>
Bayer8:47/23fps | <Dual/Single>
Mono8:28.4/14.4fps | <Dual/Single>
Mono8:28.4/14.4fps |
| マウント | Cマウント | Cマウント | Cマウント | Cマウント | Cマウント | Cマウント | Cマウント | Cマウント | Cマウント | Cマウント |
| 感度 | 900lx (F5.6,1/60s) | 2,200lx, (F5.6,1/60s) | 860lx (F5.6,1/32s) | 1,425x, (F5.6,1/31s) | 1,600lx (F5.6,1/62s) | 2,800lx, (F5.6,1/62s) | 2,700lx (F8,1/50s) | 2,700lx, (F5.6,1/50s) | 1,300lx (F8,1/28.6s) | MCG:2,040lx, MCF:2,470lx, (F8,1/28.6s) |
| 電源 | DC+5V±5% (USBコネクタより給電) | DC+5V±5% (USBコネクタより給電) | DC+5V±5% (USBコネクタより給電) | DC+5V±5% (USBコネクタより給電) | DC+5V±5% (USBコネクタより給電) | DC+5V±5% (USBコネクタより給電) | DC+5V±5% (USBコネクタより給電) | DC+5V±5% (USBコネクタより給電) | DC+5V±5% (USBコネクタより給電) | DC+5V±5% (USBコネクタより給電) |
| 消費電力 | 3.2W以下 | 3.2W以下 | 4.0W以下 | 4.5W以下 | 5.0W以下 | 5.0W以下 | 5.3W以下 | 5.3W以下 | 5.3W以下 | 5.3W以下 |
| 外形寸法(W)×(H)×(D)mm | 40×40×35 | 40×40×35 | 40×40×35 | 40×40×35 | 40×40×35 | 40×40×35 | 40×40×35 | 40×40×35 | 40×40×35 | 40×40×35 |
| 質量 | 約85g | 約85g | 約90g | 約90g | 約90g | 約90g | 約90g | 約90g | 約90g | 約90g |
| 備考 | - | - | ※MG:防塵ガラスあり | ※MCF:IRカットフィルタあり | ※MG:防塵ガラスあり | ※MCF:IRカットフィルタあり | ※MG:防塵ガラスあり | ※MCG:防塵ガラスあり | ※MG:防塵ガラスあり | ※MCG:防塵ガラスあり ※MCF:IRカットフィルタあり |
| カタログ | 2018Catalog_P74 |
|---|---|
| 外観図3D |

| 型式 | BG040M | BG040MC/MCF
カラー | BG160M | BG160MC/MCF
カラー | BG302LMG | BG302LMCG/LMCF カラー | BG505LMG | BG505LMCG/LMCF
カラー |
|---|---|---|---|---|---|---|---|---|
| 撮像素子 | 1/2.9型GS-CMOS
| 1/2.9型GS-CMOS
| 1/2.9型GS-CMOS
| 1/2.9型GS-CMOS | 1/1.8型GS-CMOS | 1/1.8型GS-CMOS | 2/3型GS-CMOS | 2/3型GS-CMOS |
| 最大解像度 | 0.4M | 0.4M | 1.6M | 1.6M | 3.1M | 3.1M | 5M | 5M |
| 解像度 | 720×540 | 720×540 | 1,440×1,080 | 1,440×1,080 | 2,048×1,536 | 2,048×1,536 | 2,448×2,048 | 2,448×2,048 |
| 画素サイズ(H)×(V)μm | 6.90×6.90 | 6.90×6.90 | 3.45×3.45 | 3.45×3.45 | 3.45×3.45 | 3.45×3.45 | 3.45×3.45 | 3.45×3.45 |
| 撮像面積(mm) | 4.96×3.72 ※対角 約6.21 | 4.96×3.72 ※対角 約6.21 | 4.96×3.72 ※対角 約6.21 | 4.96×3.72 ※対角 約6.21 | 7.06×5.29 ※対角 約8.83 | 7.06×5.29 ※対角 約8.83 | 8.44×7.06 ※対角 約11.01 | 8.44×7.06 ※対角 約11.01 |
| フレームレート | Mono8:291fps | Bayer8:291fps | Mono8:72fps | Bayer8:72fps | Mono8:36fps | Bayer8/Mono8:36fps | Mono8:22fps | Bayer8/Mono8:22fps |
| マウント | Cマウント | Cマウント | Cマウント | Cマウント | Cマウント | Cマウント | Cマウント | Cマウント |
| 感度 | 1,890lx, (F5.6,1/333s) | MCG:1,550lx MCF:1,650lx (F4,1/333s) | 1,700lx, (F5.6,1/77s) | MCG:2,800lx MCF:2,900lx (F5.6,1/77s) | 3,850lx, (F11,1/36s) | MCG:2,500lx, MCF:2,600lx, (F8,1/36s) | 2,600lx, (F11,1/22s) | CG:3,100lx, CF:3,200lx, (F11,1/22s) |
| 消費電力 | 3.3W以下(PoE) 2.7W以下(DC12V) | 3.4W以下(PoE) 2.8W以下(DC12V) | 3.3W以下(PoE) 2.7W以下(DC12V) | 3.4W以下(PoE) 2.8W以下(DC12V) | 3.2W以下(PoE) 2.7W以下(DC12V) | 3.6W以下(PoE) 2.9W以下(DC12V) | 3.2W以下(PoE) 2.7W以下(DC12V) | 3.6W以下(PoE) 2.9W以下(DC12V) |
| 外形寸法(W)×(H)×(D)mm | 29×29×40 | 29×29×40 | 29×29×40 | 29×29×40 | 29×29×40 | 29×29×40 | 29×29×40 | 29×29×40 |
| 質量 | 約59g | 約59g | 約59g | 約59g | 約60g | 約60g | 約60g | 約60g |
| 備考 | - | ※MCF:IRカットフィルタあり | - | ※MCF:IRカットフィルタあり | ※MG:防塵ガラスあり | ※MCG:防塵ガラスあり ※MCF:IRカットフィルタあり | ※MG:防塵ガラスあり | ※MCG:防塵ガラスあり ※MCF:IRカットフィルタあり |
| カタログ | 2018Catalog_P75 |
|---|---|
| 外観図PDF | |
| 外観図DXF | |
| 外観図3D |

| 型式 | BC040M | BC040MC
カラー | BC160M | BC160MC
カラー | BC302LMG | BC505LMG | BC505LMCG
カラー | CSC6M100BMP11 | CSC6M100CMP11
カラー |
|---|---|---|---|---|---|---|---|---|---|
| 撮像素子 | 1/2.9型GS-CMOS | 1/2.9型GS-CMOS | 1/2.9型GS-CMOS | 1/2.9型GS-CMOS | 1/1.8型GS-CMOS | 2/3型GS-CMOS | 2/3型GS-CMOS | 1.1型GS-CMOS | 1.1型GS-CMOS |
| 最大解像度 | 0.4M | 0.4M | 1.6M | 1.6M | 3.1M | 5M | 5M | 6.5M | 6.5M |
| 解像度 | 720×540 | 720×540 | 1,440×1,080 | 1,440×1,080 | 2,048×1,536 | 2,448×2,048 | 2,448×2,048 | 2,560×2,560 | 2,560×2,560 |
| 画素サイズ(H)×(V)μm | 6.90×6.90 | 6.90×6.90 | 3.45×3.45 | 3.45×3.45 | 3.45×3.45 | 3.45×3.45 | 3.45×3.45 | 5.0×5.0 | 5.0×5.0 |
| 撮像面積(mm) | 4.96×3.72 ※対角 約6.21 | 4.96×3.72 ※対角 約6.21 | 4.96×3.72 ※対角 約6.21 | 4.96×3.72 ※対角 約6.21 | 7.06×5.29 ※対角 約8.83 | 8.44×7.06 ※対角 約11.01 | 8.44×7.06 ※対角 約11.01 | 12.80×12.80 ※対角 約18.10 | 12.80×12.80 ※対角 約18.10 |
| フレームレート | Mono8(3tap): 523fps(HF Mode) 436fps(STD Mode) Mono8(2tap): 377fps(STD Mode) | Bayer8(3tap):436fps Bayer8(2tap):377fps | Mono8(3tap):148fps Mono8(2tap): 99fps | Bayer8(3tap):148fps Bayer8(2tap): 99fps | Mono8
(3tap):56fps, Mono8(2tap):52fps | Mono8(3tap):36fps, Mono8(2tap):32.6fps | Bayer8(3tap):36fps Bayer8(2tap):32.6fps | Mono8:99fps | Bayer8:99fps |
| カメラケーブル | PoCL対応 | PoCL対応 | PoCL対応 | PoCL対応 | PoCL対応 | PoCL対応 | PoCL対応 | PoCL対応 | PoCL対応 |
| マウント | Cマウント | Cマウント | Cマウント | Cマウント | Cマウント | Cマウント | Cマウント | Cマウント | Cマウント |
| 感度 | 2,700lx (F11,1/125s) | 2,100lx (F8,1/125s) | 2,600lx (F11 1/31s) | 2,100lx (F8,1/31s) | 700lx (F5.6 1/52s) | 400lx (F5.6,1/32.6s) | 1,150lx (F5.6,1/32.6s) | 900lx (F5.6,1/62.5s) | 2,200lx (F5.6,1/62.5s) |
| 消費電力 | 1.6W以下 | 1.6W以下 | 1.7W以下 | 1.7W以下 | 1.8W以下 | 1.8W以下 | 2.2W以下 | 3.84W以下 | 3.84W以下 |
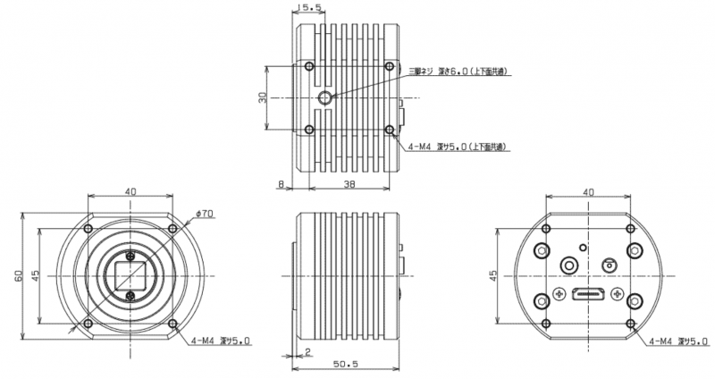
| 外形寸法(W)×(H)×(D)mm | 29×29×26.5 | 29×29×26.5 | 29×29×26.5 | 29×29×26.5 | 29×29×26.5 | 29×29×26.5 | 29×29×26.5 | 40×40×35 | 40×40×35 |
| 質量 | 約33g | 約33g | 約33g | 約33g | 約44g | 約44g | 約44g | 約100g | 約100g |
| 備考 | ※MG:防塵ガラス付 | - | ※MG:防塵ガラス付 | - | ※MG:防塵ガラス付 | ※MG:防塵ガラス付 | ※MCG:防塵ガラス付 | - | - |
| 外観図PDF | |
|---|---|
| 外観図DXF | |
| 外観図3D |

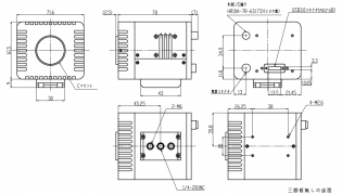
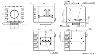
| 型式 | SDV-992A-USB3/-CL | SDV-990A-USB3/-CL | SDV-993A-USB3/-CL | SDV-991A-USB3/-CL |
|---|---|---|---|---|
| マウント | Cマウント | Cマウント | Cマウント | Cマウント |
| インターフェース | -USB3:USB3.0 / -CL :Camera Link | -USB3:USB3.0 / -CL :Camera Link | -USB3:USB3.0 / -CL :Camera Link | -USB3:USB3.0 / -CL :Camera Link |
| 有効画素数 | 2560×2048 | 1280×1024 | 2048×1536 | 640×512 |
| 有効撮像面積 | 8.83×7.06mm | 6.4×5.12mm | 7.06×5.29 | 3.2×2.56mm |
| 画素サイズ | 5× 5μm | 5× 5μm | 5× 5μm | 5× 5μm |
| フレームレート | 67fps(8bit) 33.5fps(12bit) | 134fps(8bit) 72fps(12bit) | 94fps(8bit) 47fps(12bit) | 258fps(8bit) 137fps(12bit) |
| 電子冷却 | 有 | 有 | 有 | 有 |
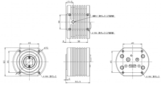
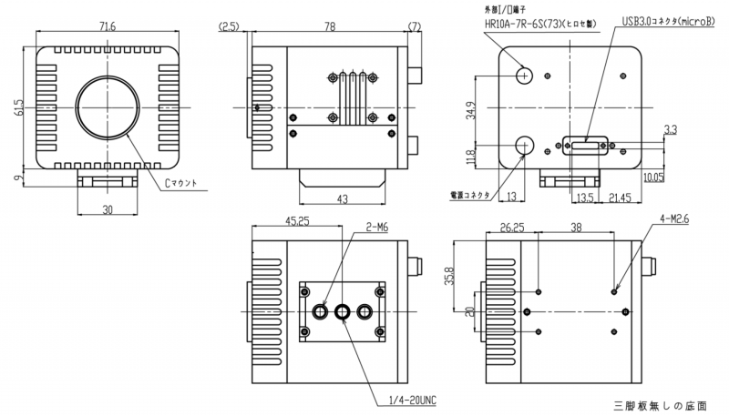
| 外形寸法 | 71.6(W)×61.5(H)×78(D) | 71.6(W)×61.5(H)×78(D) | 71.6(W)×61.5(H)×78(D) | 71.6(W)×61.5(H)×78(D) |
| 質量 | 110g | 110g | 110g | 110g |
| カタログ | 2018Catalog_P77 |
|---|

| 型式 | STC-HD213DV | STC-HD853HDMI |
|---|---|---|
| マウント | Cマウント | Cマウント |
| インターフェース | HDMI | HDMI |
| 有効画素数 | 1920×1080 | 3840×2160 |
| 有効撮像面積 | 5.4(H)×3.0(V)mm | 6.22(H)×3.5(V)mm |
| 画素サイズ | 2.8×2.8μm | 1.62×1.62μm |
| フレームレート | 60fps | 60fps |
| 電源 | UN-310-1210 ※別売 | UN-310-1210 ※別売 |
| シャッター | ローリングシャッター | ローリングシャッター |
| カタログ | 2018Catalog_P78 |
|---|

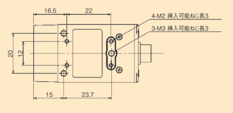
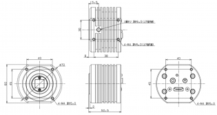
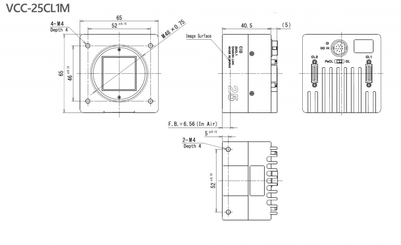
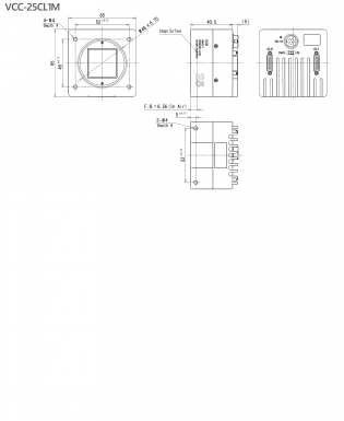
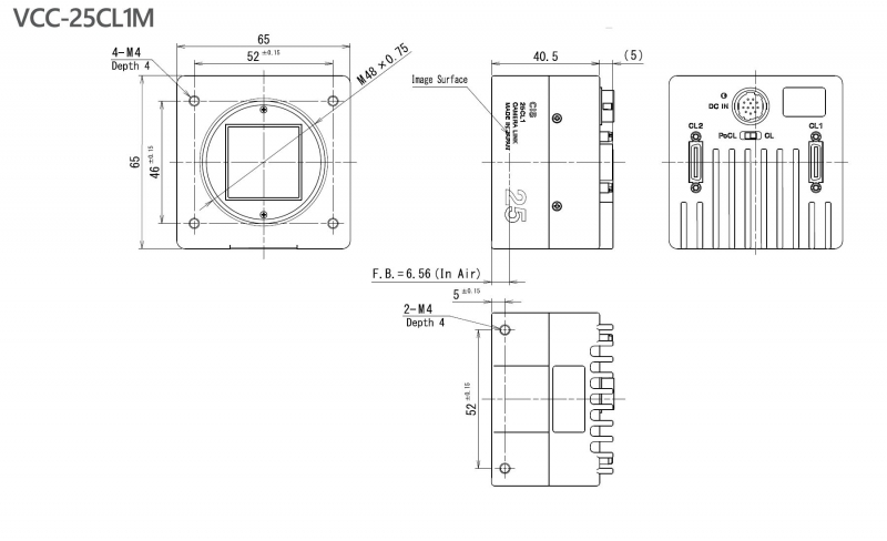
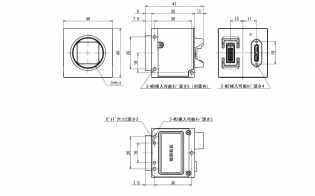
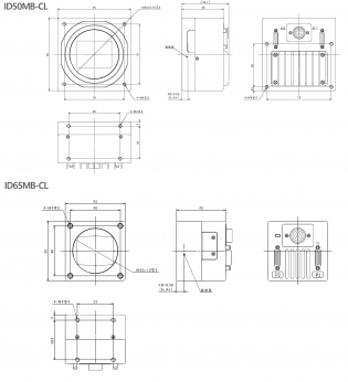
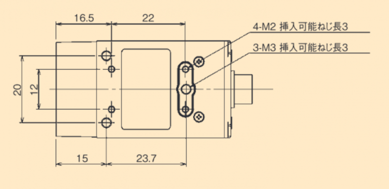
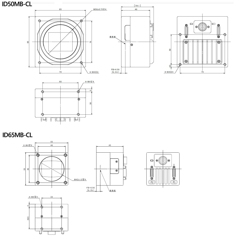
| 型式 | VCC-25CL1M | ID12MB-CL | ID25MB-CL | ID65MB-CL |
|---|---|---|---|---|
| マウント | M48マウント(Fマウント変換可) | M42マウント(Fマウント変換可) | M42マウント(Fマウント変換可) | M42マウント(Fマウント変換可) |
| インターフェース | CameraLink(PoCL対応) | CameraLink(PoCL対応) | CameraLink(PoCL対応) | CameraLink(PoCL対応) |
| 有効画素数 | 5120×5120 | 4096×3072 | 5120×5120 | 9344×7000 |
| 有効撮像面積 | 23.0×23.0mm ◢ 32.5mm | 22.53×16.9mm ◢ 28.16mm | 12.8×12.8mm ◢ 18.1mm | 29.9×22.4mm ◢ 37.36mm |
| 画素サイズ | 4.5×4.5μm | 5.5×5.5μm | 2.5×2.5μm | 3.2×3.2μm |
| フレームレート | Base:5fps(2tap 8bit/10bit) Med:10fps(4tap 8bit/10bit) Full:20/25fps(8tap 8bit) Deca:32fps(10tap 8bit) | Base:11fps(2tap) Med: 22fps(4tap) Full: 42fps(8tap ) | Base:5.6fps(2tap) 7.5fps(3tap) Med: 11.3fps(4tap) Full: 22.6fps(8tap) | Base:2.4fps(2tap) 3.1fps(3tap) Med: 4.7fps(4tap) Full: 9.4fps(8tap) |
| 電源 | PoCL 外部入力可 | PoCL 外部入力可 | PoCL 外部入力可 | PoCL 外部入力可 |
| 消費電流 | 8W | 4.5W | 5W | 6W |
| 外形寸法 | 65(W)×65(H)×40.54(D) | 55(W)×55(H)×30(D) | 55(W)×55(H)×45(D) | 55(W)×55(H)×45(D) |
| 質量 | 210g | 120g | 185g | 185g |
| カタログ | 2018Catalog_P78 |
|---|

| 基本仕様 | ID1MB-UCL (1ヘッドタイプ) | ID1MC-UCL (1ヘッドタイプ) | ID1MBx2-UCL (2ヘッドタイプ) | ID1MCx2-UCL (2ヘッドタイプ) |
|---|---|---|---|---|
| 撮像素子 | 1/3型GS-CMOS m o n o | 1/3型GS-CMOS c o l o r | 1/3型GS-CMOS m o n o | 1/3型GS-CMOS c o l o r |
| 最大解像度 | 1.2M | 1.2M | 1.2M | 1.2M |
| 有効画素数 | 1,280×960 | 1,280×960 | 1,280×960 2,560×960 (2ヘッド同期有効画素) | 1,280×960 2,560×960 (2ヘッド同期有効画素) |
| 画素サイズ(H)×(V)μm | 3.75×3.75 | 3.75×3.75 | 3.75×3.75 | 3.75×3.75 |
| 撮像面積(mm) | 4.8×3.6 ※対角 約6.0 | 4.8×3.6 ※対角 約6.0 | 4.8×3.6 ※対角 約6.0 | 4.8×3.6 ※対角 約6.0 |
| カメラヘッド数 | 1 | 1 | 2 | 2 |
| インターフェース | USB3.0 Camera Link Base(PoCL対応) | USB3.0 Camera Link Base(PoCL対応) | USB3.0 Camera Link Base(PoCL対応) | USB3.0 Camera Link Base(PoCL対応) |
| 分解能 | USB:モノクロ8bit(10/12bit TBD) Camera Link: モノクロ8/10/12bit | USB:Rawカラー8bit(10/12bit TBD)
YUV8bit Camera Link:Rawカラー8/10/12bit YUV8/10/12bit・RGB8bit | USB:モノクロ8bit(10/12bit TBD) Camera Link: モノクロ8/10/12bit | USB:Rawカラー8bit(10/12bit TBD)
YUV8bit Camera Link:Rawカラー8/10/12bit YUV8/10/12bit・RGB8bit |
| フレームレート (垂直ライン数変更で高速化可能) | 1,280 x 960 @54fps 1,280 x 720 @60fps 1,280 x 480 @100fps | 1,280 x 960 @54fps 1,280 x 720 @60fps 1,280 x 480 @100fps | 2,560 x 960 @54fps 2,560 x 720 @60fps 2,560 x 480 @100fps | 2,560 x 960 @54fps 2,560 x 720 @60fps 2,560 x 480 @100fps |
| レンズマウント | M12マウント(標準) M10.5マウント(ご発注時指定) | M12マウント(標準) M10.5マウント(ご発注時指定) | M12マウント(標準) M10.5マウント(ご発注時指定) | M12マウント(標準) M10.5マウント(ご発注時指定) |
| 消費電力 | 2.5W以下 | 2.5W以下 | 2.5W以下 | 2.5W以下 |
| カメラヘッドサイズ | φ14mm W 54mm CCU:W 80mm D 50mm H 25mm(突起含まず) | φ14mm W 54mm CCU:W 80mm D 50mm H 25mm(突起含まず) | φ14mm W 54mm CCU:W 80mm D 50mm H 25mm(突起含まず) | φ14mm W 54mm CCU:W 80mm D 50mm H 25mm(突起含まず) |
| カメラヘッドケーブル長 | 標準2m(5m以上対応可能) | 標準2m(5m以上対応可能) | 標準2m(5m以上対応可能) | 標準2m(5m以上対応可能) |
| 重量 | 6g(レンズ・ケーブル含まず) | 6g(レンズ・ケーブル含まず) | 6g(レンズ・ケーブル含まず) | 6g(レンズ・ケーブル含まず) |
着脱式ロボットケーブル対応やLアングルヘッド対応可能です。お問い合わせください。
φ12カメラ専用鏡筒 IMB/IMPシリーズも各倍率取り揃えております。

| 型式 | STC-CMB120ACXP | VCC-25CXP1M | VCC-25CXPHSM-F | EX3708MG-X | BC-GM65M6X4H | BC-GM65M12X4 | EX670AMG-X |
|---|---|---|---|---|---|---|---|
| 撮像素子 | APS CMOS | APS-H CMOS | 1.1型 CMOS | 4/3型 CMOS | 2.3型 CMOS | 2.3型 CMOS | 1.8型(APS-C) CMOS |
| 最大解像度 | 12.6M | 26M | 26M | 37.7M | 65M | 65M | 67M |
| 解像度 | 4096×3072 | 5120×5120 | 5120×5120 | 6144×6144 | 9344×7000 | 9344×7000 | 8192×8192 |
| 画素サイズ(H)×(V)μm | 5.5×5.5 | 4.5×4.5 | 2.5×2.5 | 2.5×2.5 | 3.2×3.2 | 3.2×3.2 | 2.5×2.5 |
| 撮像面積(mm) | 22.50×16.90 ※対角 約28.14 | 23.04×23.04 ※対角 約32.58 | 12.08×12.08 ※対角 約17.08 | 15.36×15.36 ※対角 約21.72 | 29.90×22.40 ※対角 約37.36 | 29.90×22.40 ※対角 約37.36 | 20.48×20.48 ※対角 約28.96 |
| フレームレート | 186.9fps | 81.83fps | 150fps | 115fps | 35.5fps | 71fps | 64.5fps |
| マウント | M42/Fマウント | M48 | M48 | φ50 H7
(オプションでM42 / Fマウントに変更可能) | M42/Fマウント | M42/Fマウント | φ50 H7
(オプションでM42 / Fマウントに変更可能) |
| 感度 | 370lx (F5.6, 1/30s) | 400lx (F8, 1/30s) | 400lx (F2.8, 1/150s) | 2,350 lx (F5.6, 1/125s) | 990lx (F5.6,1/30s) | 990lx (F5.6,1/30s) | 2,500lx (F8,1/66.8s) |
| 消費電力 | 10W以下 | 10.6W以下 | 15.5W以下 | 13.6W以下 | 6.4W以下 | 8.7W以下 | 13W以下 |

| 型式 | APX-3424-1 |
|---|---|
| 入力 | USB3.0×4 300MB/sカメラ対応 |
| コントローラ | RENESAS社μPD720202 |
| 対応バス | PCI Express 2.0 ×4(Gen2)5.0GT/S |
| 対応OS | Windows7/10 各32/64bitに対応 |
| 外形寸法 | 168×112mm、パネル幅20mm RoHS対応 |
| カタログ | 2018Catalog_P79 |
|---|

| 型式 | APX-3404 |
|---|---|
| 入力 | RJ45×4 PoE対応 10/100/1000Base-T |
| コントローラ | 82580EB |
| 対応バス | PCI Express 2.0 ×4(Gen2)5.0GT/S |
| 対応OS | Windows7/10 各32/64bitに対応 |
| 外形寸法 | 168×112mm、パネル幅20mm RoHS対応 |
| カタログ | 2018Catalog_P80 |
|---|

| 型式 | APX-3323A | APX-3326D |
|---|---|---|
| 入力 | Mini CL ×2(SDR 26pin)PoCL対応 Base/Medium/Full/Deca Configuration | Mini CL ×4(SDR 26pin)PoCL対応 Base/Medium/Full/Deca Configuration |
| コントローラ | 1ch | 2ch |
| 対応バス | PCI Express 2.0 ×4(Gen2)2.5GT/S | PCI Express 2.0 ×4(Gen2)5.0GT/S |
| 対応OS | Windows10 64bitに対応 | Windows10 64bitに対応 |
| 外形寸法 | 167.65×111.15mm、パネル幅20mm RoHS対応 | 167.65×111.15mm、パネル幅20mm RoHS対応 |
| カタログ | 2018Catalog_P79 |
|---|

| 型式 | Coaxlink Quad CXP-12 | Coaxlink Quad G3 |
|---|---|---|
| 入力 | Micro-BNC(4ch) CXP-12 | Micro-BNC(4ch) CXP-6 |
| コントローラ | | |
| 対応バス | PCI Express 3.0 ×8(Gen3)8.0GT/S x4 | PCI Express 3.0 ×4(Gen3)8.0GT/S x4 |
| 対応OS | Windows7/8.1/10/11(64bit) | Windows7/8.1/10/11(64bit) |
| 外形寸法 | 67.65×111.15mm | 67.65×111.15mm |

| 仕様 | |
|---|---|
| 対応OS | Windows7/8/8.1/10(64bit推奨) |
| 動作環境 | RAM:4GB以上推奨 CPU:i3以上推奨 |
| 対応カメラ | 東芝テリー(株)BU/BGシリーズ(8bit) |
| 各種機能 | ◆ライン表示 XY線:各3ライン 角度線:2ライン 中心線(目盛表示) 同心円 グリッド線 ※各ラインは下記項目の個別設定可能 色・太さ・ライン形状(実線/点線/破線/一点鎖線/二点鎖線) ◆2点間距離計測 ◆3点円弧 ◆2値化 |
| 画像保存 | ライン描画 ON/OFF選択可能 |
| 画像保存形式 | BMP/JPG/TIFF |
| 対応言語 | 日本語/英語/中国語(繁体字/簡体字) |
| カタログ | 2018Catalog_P80 |
|---|

| 型式 | CM-562ED | CM-700H | LDA-110W1 |
|---|---|---|---|
| 画面寸法 | 5.6インチTFT 112.896(W)x84.672(H)mm | 7.0インチTFT 154.08(W)x85.92(H)mm | 10.1インチTFT 217(W)x136(H)mm |
| 表示 | 640×480 | 800×480 | 1280×800 |
| 入力系統1 | コンポジット① | コンポジット | 映像入力 BNC x1 |
| 入力系統2 | コンポジット② | HDMI | HDMI |
| 入力系統3 | - | - | D-sub |
| 出力系統 | 映像出力 RCA ×1 | × | 映像出力 BNC ×1 |
| ACアダプター | 別売:DC12V-1ASW | 別売:DC12V-2ASW | 付属:DC12V-2ASW |
| 外形寸法 | 163(W)×112(H) ×30(D)mm | 201(W)×117(H) ×30.7(D)mm | 245.6(W)×172.8(H) ×42.7(D)mm |
| 質量 | 300g | 400g | 約900g |
| 消費電力 | 約5W | 約10.8W | 約8W |